一、裝置簡(jian)介(jie)


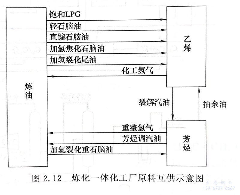
  我國乙(yi)(yi)烯工業起步于20世(shi)(shi)紀60年(nian)代,最早是1964年(nian)從原聯邦德國引進的(de)魯奇公司(si)(si)的(de)原油裂解(jie)技(ji)(ji)術及(ji)年(nian)產(chan)3.6萬(wan)(wan)(wan)噸乙(yi)(yi)烯裝置(zhi)。20世(shi)(shi)紀70年(nian)代先后建成了(le)年(nian)產(chan)30萬(wan)(wan)(wan)噸、11.5萬(wan)(wan)(wan)噸和7.3萬(wan)(wan)(wan)噸的(de)三套乙(yi)(yi)烯裝置(zhi),分別由(you)日(ri)本東洋(yang)工程公司(si)(si)、三菱油化(hua)(hua)公司(si)(si)及(ji)法(fa)國石(shi)(shi)油研(yan)究(jiu)院和貝西姆(mu)(mu)公司(si)(si)引進,專利技(ji)(ji)術分別來自(zi)美國魯姆(mu)(mu)斯公司(si)(si)、日(ri)本三菱油化(hua)(hua)及(ji)法(fa)國石(shi)(shi)油研(yan)究(jiu)院。21世(shi)(shi)紀后,年(nian)產(chan)百萬(wan)(wan)(wan)噸的(de)乙(yi)(yi)烯裝置(zhi)在我國大(da)量(liang)建成投(tou)產(chan)。煉化(hua)(hua)一體化(hua)(hua)工廠原料互(hu)供示意圖見(jian)圖2.12。


12.jpg


  現以裂(lie)解(jie)(jie)技(ji)術為(wei)主(zhu)體(ti)對乙烯(xi)裝(zhuang)置進行簡單介(jie)紹。根據(ju)裂(lie)解(jie)(jie)方式的不同(tong),乙烯(xi)生產分(fen)(fen)為(wei)管式爐裂(lie)解(jie)(jie)法、催化裂(lie)解(jie)(jie)法、部分(fen)(fen)氧化法和(he)熱載體(ti)裂(lie)解(jie)(jie)法等。但任何裂(lie)解(jie)(jie)法得到的裂(lie)解(jie)(jie)氣都(dou)是(shi)混合物,需要(yao)分(fen)(fen)離(li)(li)才能得到純凈的烯(xi)烴產品(pin)。通過混合物的分(fen)(fen)離(li)(li)制取烯(xi)烴、芳烴的方法主(zhu)要(yao)有(you)三(san)種(zhong):深冷分(fen)(fen)離(li)(li)、油吸收中冷分(fen)(fen)離(li)(li)和(he)超(chao)吸附分(fen)(fen)離(li)(li)。目前(qian)國(guo)內的大(da)部分(fen)(fen)乙烯(xi)裝(zhuang)置采用(yong)的分(fen)(fen)離(li)(li)技(ji)術都(dou)是(shi)深冷分(fen)(fen)離(li)(li)法。基(ji)本分(fen)(fen)離(li)(li)流(liu)程有(you)順序分(fen)(fen)離(li)(li)、前(qian)脫乙烷和(he)前(qian)脫丙烷三(san)種(zhong),采用(yong)哪種(zhong)分(fen)(fen)離(li)(li)流(liu)程與(yu)裂(lie)解(jie)(jie)原料(liao)有(you)關(guan)。


  乙烯和丙烯在20世紀70年代,基本上都是由醇類脫水制得。隨著原料乙烯需求量的急劇增加,利用石油產品的熱裂解制作原料乙烯的生產方法成為現代乙烯生產的主要途徑。目前原料乙烯大部分以石油系碳氫化合物或濕天然氣為原料制得。乙烯裂解裝置主要以輕柴油為原料,采用高溫裂解和深冷分離工藝,即用六塔順序分離生產純乙烯、純丙烯、混合C4等產品。



二、典型乙烯裂解裝置的(de)工藝及特點


  典型乙烯裂解裝置的工藝流程示意圖(tu)如圖(tu)2.13所示。


13.jpg


  乙(yi)(yi)烯裂(lie)解(jie)裝置大致可以分為四個(ge)部分,即裂(lie)解(jie)系統(tong)、壓縮及干(gan)燥系統(tong)、乙(yi)(yi)烯分離系統(tong)和丙烯分離系統(tong)。


1. 裂解系統(tong) 


   裂解系統是指裂解爐區及(ji)高壓蒸(zheng)汽發(fa)生系統,其工藝流程示意圖(tu)如(ru)圖(tu)2.14所示。


14.jpg


   原料輕柴油經急冷水、急冷油兩級換熱,預熱后加入適量的稀釋蒸汽送入輕柴油裂解爐對流段。在對流段被加熱后進入輻射段加熱,至770~800℃并完成裂解反應。由乙烯精餾塔釜返回的循環乙烷經回收冷流量氣化后,按比例加入稀釋蒸汽并注入少量CS2送入乙烷裂解爐,在對流段被預熱后進入輻射段,在輻射段加熱到800~863℃進行裂解反應。


   輕(qing)柴(chai)油(you)和(he)乙(yi)烷經(jing)加熱(re)(re)(re)裂(lie)解(jie)(jie)得(de)到乙(yi)烯(xi)、丙烯(xi)、丁二(er)烯(xi)及其他副產品(pin)混合的(de)裂(lie)解(jie)(jie)氣(qi)(qi)(qi)。裂(lie)解(jie)(jie)氣(qi)(qi)(qi)由裂(lie)解(jie)(jie)爐出來(lai)后直接進入廢熱(re)(re)(re)鍋(guo)爐,迅速冷卻(que),同時產生高(gao)壓(ya)蒸汽(qi)。由開工(gong)鍋(guo)爐給水(shui)(shui)泵(beng)過(guo)(guo)來(lai)的(de)高(gao)壓(ya)鍋(guo)爐給水(shui)(shui)經(jing)蒸汽(qi)過(guo)(guo)熱(re)(re)(re)爐、裂(lie)解(jie)(jie)爐對(dui)流(liu)段加熱(re)(re)(re)后,進入廢熱(re)(re)(re)鍋(guo)爐汽(qi)包,產生的(de)高(gao)壓(ya)蒸汽(qi)再經(jing)蒸汽(qi)過(guo)(guo)熱(re)(re)(re)爐過(guo)(guo)熱(re)(re)(re)至520℃后送入透平和(he)工(gong)藝(yi)設備。混合裂(lie)解(jie)(jie)氣(qi)(qi)(qi)進入急冷器(qi),用急冷油(you)進行(xing)(xing)冷卻(que)。之(zhi)后又(you)經(jing)過(guo)(guo)油(you)氣(qi)(qi)(qi)塔、水(shui)(shui)洗(xi)塔進一步冷卻(que)。水(shui)(shui)洗(xi)塔頂(ding)部出來(lai)的(de)裂(lie)解(jie)(jie)氣(qi)(qi)(qi)被送入裂(lie)解(jie)(jie)氣(qi)(qi)(qi)壓(ya)縮機進行(xing)(xing)壓(ya)縮。油(you)氣(qi)(qi)(qi)塔和(he)水(shui)(shui)洗(xi)塔底(di)部分別獲得(de)裂(lie)解(jie)(jie)焦油(you)和(he)裂(lie)解(jie)(jie)汽(qi)油(you)。


2. 壓縮及(ji)干燥系統 


   裂解氣(qi)進(jin)入(ru)(ru)五(wu)段(duan)離(li)心式裂解氣(qi)壓(ya)縮機,在三(san)段(duan)出口(kou)至四(si)段(duan)入(ru)(ru)口(kou)間進(jin)入(ru)(ru)堿洗(xi)(xi)塔,經堿洗(xi)(xi)脫除硫化氫和(he)二氧化碳。經三(san)段(duan)堿洗(xi)(xi)和(he)一段(duan)水洗(xi)(xi)后(hou)的裂解氣(qi)送入(ru)(ru)四(si)段(duan)、五(wu)段(duan)壓(ya)縮,送入(ru)(ru)分(fen)離(li)部分(fen),以便在較高(gao)的壓(ya)力下(xia)進(jin)行(xing)深冷分(fen)離(li)。經過(guo)壓(ya)縮后(hou)的裂解氣(qi)首先進(jin)入(ru)(ru)干(gan)(gan)燥(zao)器(qi)進(jin)行(xing)干(gan)(gan)燥(zao),然后(hou)進(jin)入(ru)(ru)乙烯(xi)分(fen)離(li)系統。


3. 乙烯分離系統 


   干燥后的裂解氣進入高壓脫乙烷塔進行C2/C3分離,C2經過加氫、冷卻分離出氫氣,然后進入脫甲烷塔進行甲烷脫除。脫除甲烷后的C2進入乙烯精餾塔獲得乙烯產品。乙烯產品在送出裝置前先進行5級壓縮。壓縮后的乙烯可以氣相產品送出裝置。壓縮乙烯也可以進行制冷,一方面為脫甲烷塔等提供制冷劑,另一方面可作為液體乙烯產品送出裝置。


4. 丙烯分離系統 


   從高壓脫乙烷塔底部出來的C3被送至低壓脫乙烷塔作進一步分離。塔底出來的C3被送入脫丙烷塔進行C3/C4分離。脫丙烷塔頂出來的C3,進入C3加氫系統,然后送至丙烯精餾塔獲得丙烯產品。脫丙烷塔底出來的C4/C5 物料進入脫丁烷塔進行C4/C5分離。從丙烯精餾塔出來的丙烯進入加工三段壓縮機壓縮,以液體丙烯作為產品送出裝置。



三(san)、乙(yi)烯(xi)裂解裝置的工藝特點(dian)


  裂解系統溫度較高,裂解氣中含有氫氣、硫化氫和二氧化碳等腐蝕性介質,裂解部分的廢熱蒸汽系統為高溫高壓工況,C2分離系統為超低溫(-101℃及以下)工況,C3分離系統為低溫(-46℃及以下)介質工況。裝置中的典型介質有氫氣、二氧化碳、乙烯、丙烯和高壓蒸汽等。



四(si)、乙烯裂解裝置的配管設計(ji)


  主要是對裂解爐、塔、換熱器、罐、泵(beng)、壓縮機等(deng)設備的配管設計(ji)。