可鍛鑄(zhu)鐵是將白口鑄(zhu)鐵坯件通過石墨化或(huo)氧化脫(tuo)碳熱(re)處理,改(gai)變(bian)其金相(xiang)組織或(huo)成分,而獲得(de)具有較高韌性(xing)的一(yi)種鑄(zhu)鐵件。與(yu)(yu)灰鑄(zhu)鐵管件相(xiang)比,可鍛鑄(zhu)鐵管件的優點是具有韌性(xing),其屈服強度與(yu)(yu)鋼近似。


 可鍛鑄鐵(tie)管件與管子的連接為螺紋連接,通常適(shi)用于公(gong)稱通徑(jing)為6~150 mm(即DN6~DN150),輸(shu)送水、油、空(kong)氣(qi)、煤氣(qi)、蒸汽用的一般管路連接上。


1. 彎(wan)頭、三通和四通


 彎(wan)頭、三通和(he)四通型(xing)式見圖 7-1 ,尺寸見表 7-2 。



2. 異徑(jing)彎頭


 異徑彎頭型(xing)式見圖(tu) 7-2,尺寸見表 7-3。


圖 2.jpg


3. 45°彎頭


  45°彎頭型式見(jian)圖 7-3 ,尺寸(cun)見(jian)表 7-4 。


4.jpg


4. 中(zhong)大、中(zhong)小異徑三通


  中大、中小異(yi)徑三通型式見圖 7-4 ,尺寸見表 7-5 。



5. 異徑三通


  異徑三通(tong)型式見(jian)圖 7-5 ,尺寸(cun)見(jian)表 7-6 。


6.jpg


6. 異徑(jing)四通


   異徑四通型式見(jian)圖 7-6 ,尺寸見(jian)表 7-7 。


7.jpg


7. 短月彎、單彎三通和雙(shuang)彎彎頭


 短月彎(wan)、單彎(wan)三通和(he)雙彎(wan)彎(wan)頭(tou)型(xing)式見圖 7-7 ,尺寸(cun)見表 7-8 。


8.jpg


8. 異徑單(dan)彎三通


 異(yi)徑單彎(wan)三通型式(shi)見(jian)圖 7-8 ,尺寸見(jian)表 7-9 。


9.jpg


9. 異徑雙彎彎頭


 異徑雙(shuang)彎彎頭(tou)型(xing)式見圖 7-9 ,尺寸見表(biao) 7-10 。


10.jpg


10. 長月彎


長月彎型式(shi)見圖 7-10 ,尺寸見表 7-11 。


11.jpg


11. 45°月彎


 45°月(yue)彎型式見圖(tu) 7-11 ,尺寸見表 7-12 。


12.jpg


12. 外接(jie)頭(tou)


 外接頭型式見(jian)圖 7-12 ,尺寸見(jian)表 7-13 。



13. 內外絲接頭


 內外絲接頭(tou)型式見(jian)圖(tu) 7-13 ,尺寸見(jian)表 7-14 。


14.jpg


14. 內外螺(luo)絲(si)


內外螺絲型式見圖 7-14 ,尺寸(cun)見表 7-15 。



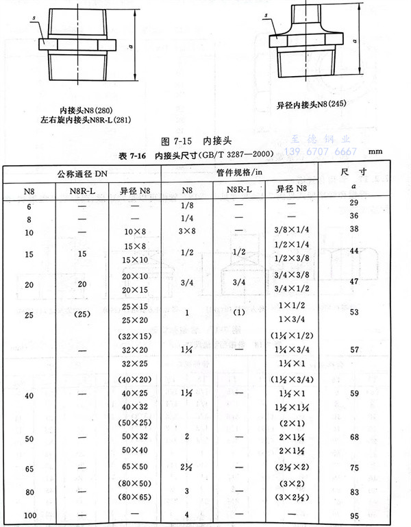
15. 內接頭


內(nei)接頭(tou)見圖(tu) 7-15 ,尺寸見表 7-16 。


16.jpg


16. 鎖緊螺母


 鎖(suo)緊(jin)螺(luo)(luo)母(mu)型式見圖7-16,尺(chi)寸(cun)見表(biao)7-17。鎖(suo)緊(jin)螺(luo)(luo)母(mu)可以是平的或凹(ao)入式的,允許加工一個表(biao)面。s尺(chi)寸(cun)(扳(ban)手對邊寬度)由(you)制造商自行決(jue)定。螺(luo)(luo)紋應符合GB/T 7307《非(fei)螺(luo)(luo)紋密封管螺(luo)(luo)紋》的規定。


17.jpg


17. 管帽(mao)和管堵


 管(guan)帽和管(guan)堵(du)型式見圖7-17,尺(chi)寸見表7-18。管(guan)帽可以是六邊形、圓形或其他形狀,由(you)制造方決定(ding)。


18.jpg


18. 活接頭


 活接頭型式見圖7-18,尺寸見表7-19。其他類型座的設計和材料應符合表中所給出的尺寸a、b。 墊圈見7.2.20條。  活(huo)接頭U1和(he)U2可否同套管一起(qi)供應由制造方決定。


19.jpg


  注:活(huo)接(jie)頭(tou)(無論是(shi)否有適合于(yu)閥座設(she)計(ji)的(de)墊圈(quan))應作為一(yi)個完整組件來(lai)使(shi)用,因為活(huo)接(jie)頭(tou)的(de)部(bu)件可(ke)(ke)以由不同(tong)(tong)的(de)制造商來(lai)加工,也可(ke)(ke)以不同(tong)(tong)類型活(huo)接(jie)頭(tou)的(de)部(bu)件由同(tong)(tong)一(yi)個制造商來(lai)做,這些部(bu)件沒有必(bi)要(要求(qiu))具有互換性。


19. 活接彎(wan)頭(tou)


  活接彎頭(tou)型式見圖7-19,尺寸見表7-20。其他類型座的設計和材料(liao)應(ying)符合表中(zhong)給出的尺寸a、b和c。


20.jpg

20.1.jpg


  注:活(huo)接(jie)頭(無論是否有(you)適(shi)合(he)于閥座設計(ji)的(de)墊(dian)圈)應作為一個(ge)完整(zheng)組件(jian)來(lai)(lai)使用(yong),因(yin)為活(huo)接(jie)頭的(de)部件(jian)可(ke)以(yi)由(you)(you)不同(tong)(tong)的(de)制造(zao)商(shang)(shang)來(lai)(lai)加工(gong),也可(ke)以(yi)不同(tong)(tong)類(lei)型活(huo)接(jie)頭的(de)部件(jian)由(you)(you)同(tong)(tong)一個(ge)制造(zao)商(shang)(shang)來(lai)(lai)做,這些(xie)部件(jian)沒有(you)必要(要求)具有(you)互換性。


20. 墊(dian)圈


  墊(dian)圈的型(xing)式見(jian)圖 7-20 ,尺寸見(jian)表 7-21 。


21.jpg


 墊圈材料和(he)厚度根(gen)據用途,訂貨時由供需雙方協定。