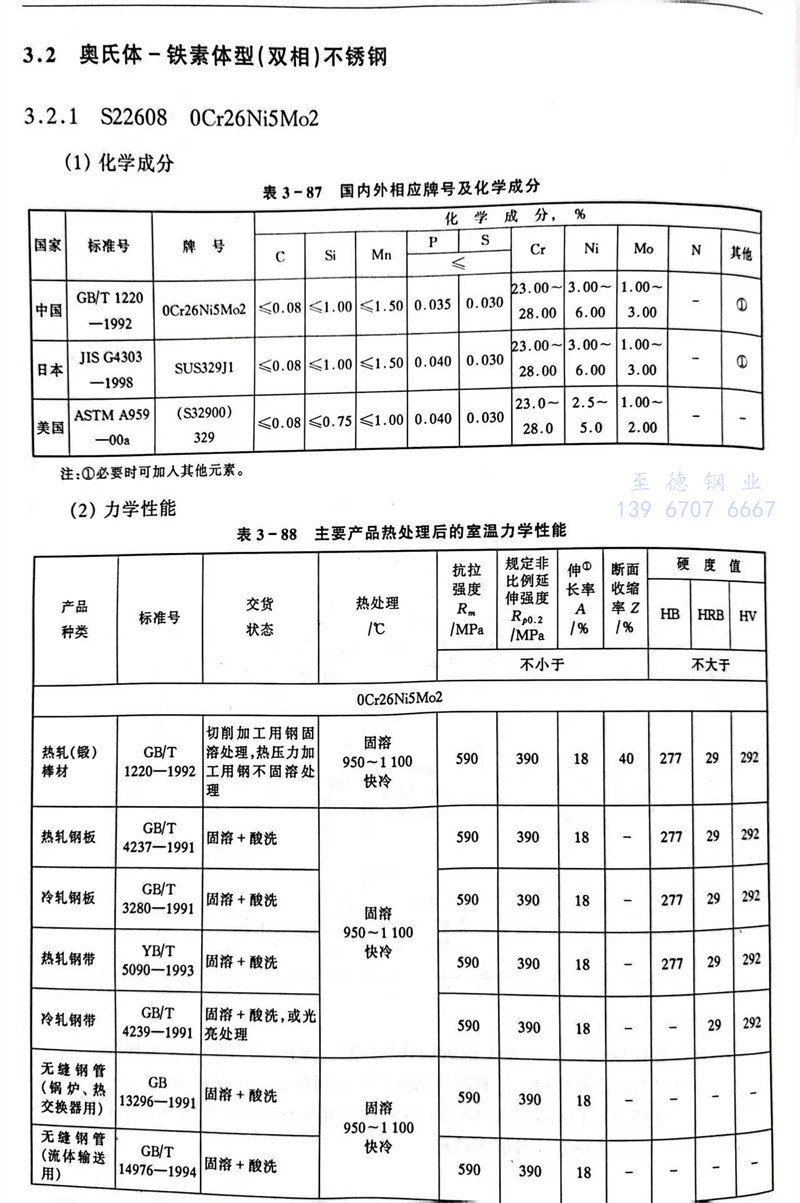
S22608 0Cr26Ni5Mo2 不銹鋼主(zhu)要(yao)特性和用途


  此(ci)鋼屈(qu)服強度高,幾(ji)乎是奧(ao)氏體型不銹鋼的2倍。在海(hai)水中具有較(jiao)(jiao)好的耐點(dian)蝕和(he)縫隙腐(fu)蝕能力(li),抗(kang)氧化性(xing)能也較(jiao)(jiao)好。在含氯化物(wu)的水介(jie)質中有較(jiao)(jiao)好的耐應力(li)腐(fu)蝕性(xing)能。


  用于制造耐海水(shui)腐蝕的設(she)備(bei),用工業水(shui)作為(wei)冷(leng)卻介(jie)質的熱交換器(qi)設(she)備(bei)等(deng)。