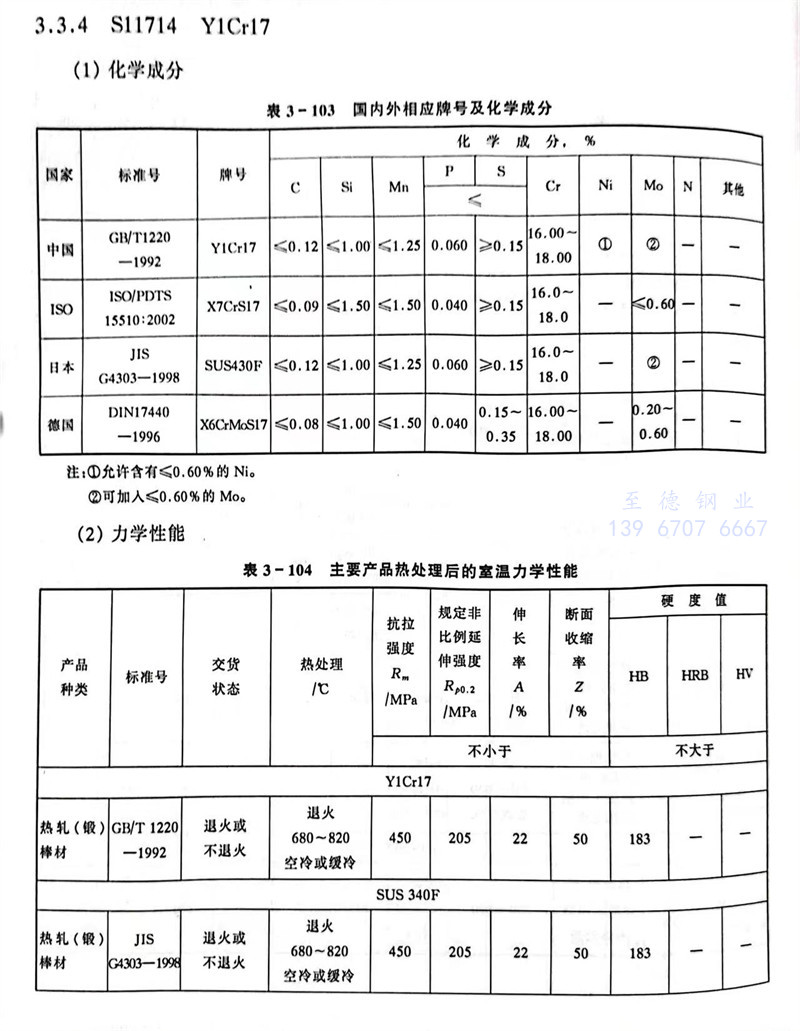
S11714 Y1Cr17 不銹鋼主要特性(xing)和用(yong)途
此鋼為鐵素體型易切不(bu)銹耐(nai)酸鋼,由于含硫、磷量比1Cr17鋼高,從而提高了切削性能。用于制造自動車床加工螺栓、螺母等標準件。
發布日期:2024-02-02 11:54:52 人(ren)氣:492
S11714 Y1Cr17 不銹鋼主要特性(xing)和用(yong)途
此鋼為鐵素體型易切不(bu)銹耐(nai)酸鋼,由于含硫、磷量比1Cr17鋼高,從而提高了切削性能。用于制造自動車床加工螺栓、螺母等標準件。