化(hua)工鋼制(zhi)(zhi)承插焊(han)管(guan)件是以美國和日本管(guan)件相(xiang)關標(biao)準為依據,并結合我國化(hua)工行(xing)業實際情況制(zhi)(zhi)定的一(yi)種專用管(guan)件標(biao)準,常用于小(xiao)型管(guan)道。


1. 承插焊(han)90°彎(wan)頭(90°SWE)


  承插焊90°彎頭(tou)型式見(jian)圖17-1,尺寸見(jian)表(biao)17-4。


2. 承插焊(han)45°彎頭(tou)(45°SWE)


  承(cheng)插焊45°彎頭型式(shi)見圖17-2,尺(chi)寸(cun)見表17-5。



3. 承插焊三(san)通(SWT)


  承插焊三通型式見圖17-3,尺寸見表17-6。



4. 承插焊異徑三通(tong)(SWRT)


  承插焊異徑(jing)三通型式見(jian)圖(tu)17-4,尺寸見(jian)表(biao)17-7。



5. 承(cheng)插焊(han)管接頭(SWC)


  承插焊管接頭型式見(jian)圖17-5,尺寸見(jian)表17-8。


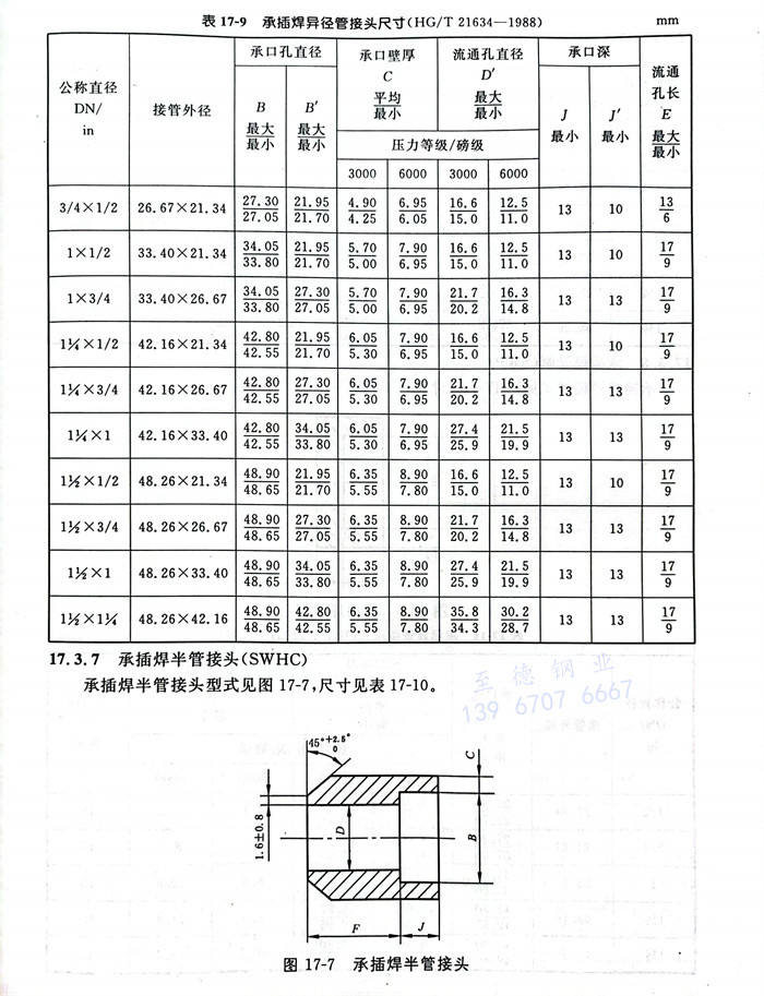
6. 承插(cha)焊異徑(jing)管接頭(SWRC)


  承插焊(han)異徑管接頭(tou)型式見圖17-6,尺寸見表17-9。


7. 承插焊半(ban)管接頭(SWHC)


  承(cheng)插(cha)焊半管(guan)接頭型式見(jian)圖17-7,尺寸見(jian)表17-10。


8. 承插焊管帽頭(SWP)


  承插焊管帽型式見圖17-8,尺(chi)寸見表17-11。



9. 承(cheng)插焊活接頭


  承插焊活接頭(tou)型式見圖17-9,尺寸見表17-12。


12.jpg


10. 承(cheng)插焊管件(jian)配公制管的加(jia)工尺寸


    配制(zhi)公制(zhi)管的(de)鍛鋼承(cheng)插(cha)焊管件型式見(jian)圖17-10,其承(cheng)口孔和流通孔直(zhi)徑加工尺寸見(jian)表17-13。


13.jpg


    其他(ta)尺寸A、C、G、J、E、K、F、L等都相同(tong)(見圖14-10)。


    異徑管(guan)接頭的(de)小端承口孔(kong)直徑為B',流(liu)通孔(kong)直徑按(an)小端D'開孔(kong)。用于公制(zhi)管(guan)子(zi)的(de)鍛鋼承插(cha)焊管(guan)件,須在書寫名(ming)稱之(zhi)尾加“(A)”,如90°SWE(A)、SWT(A)、SWU(A)····。





聯系方式.jpg