襯(chen)塑鋼管(guan)和(he)管(guan)件(jian)是在鋼管(guan)和(he)管(guan)件(jian)內(nei)部襯(chen)以(yi)聚(ju)丙烯(xi)(PP)、聚(ju)乙烯(xi)(PE)及(ji)聚(ju)氯(lv)乙烯(xi)(PVC)等(deng)非金屬材料,以(yi)適應化工、石油化工,醫(yi)藥、紡織(zhi)和(he)冶金等(deng)部門(men)輸送腐蝕性介質的需要。這種襯(chen)塑鋼管(guan)和(he)管(guan)件(jian)的公稱壓力(li)為(wei)PN20,相當于(yu)2.0 MPa。


1. 襯塑(su)直管(guan)


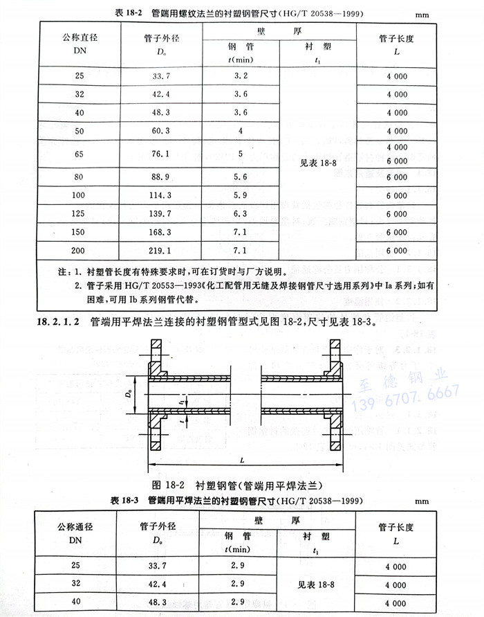
  a. 管端用(yong)螺紋法(fa)蘭連接(jie)的襯(chen)塑鋼管型式見圖18-1,尺寸見表18-2。


  b. 管端用(yong)平(ping)法蘭連(lian)接的襯(chen)塑(su)鋼管型式見圖18-2,尺寸見表18-3。




2. 襯塑(su)管件


 a. 襯塑鋼(gang)制彎(wan)頭


   襯(chen)塑鋼制彎頭型式見(jian)圖18-3,尺寸(cun)見(jian)表18-4。


 b. 襯塑鋼(gang)制三(san)通、異徑管(guan)


   襯(chen)塑鋼(gang)制三通、異徑管(guan)型式見(jian)(jian)圖18-4,尺寸見(jian)(jian)表(biao)18-5。


 c. 襯塑鑄鋼(gang)彎頭


   襯(chen)塑鑄鋼(gang)彎頭型式見(jian)圖18-5,尺寸見(jian)表18-6。


 d. 襯塑(su)鋼制(zhi)三通、異徑管


   襯塑鑄(zhu)鋼三通、異(yi)徑管(guan)型式見(jian)圖(tu)18-6,尺寸見(jian)表(biao)18-7。


5.1.jpg

 e. 襯塑(su)層


   襯(chen)塑(su)層厚度尺寸見表 18-8

8.jpg



3. 襯塑(su)管端部連接法蘭


  根據襯塑工(gong)藝的(de)不同(tong),對于DN≤200mm襯塑管端部(bu),可采用突面帶(dai)頸螺紋法蘭連接,其公稱壓力PN為1.0MPa及2.0MPa兩級(ji)。


    PN1.0MPa突面帶頸螺紋鋼制管法蘭型式見(jian)圖18-7,尺寸見(jian)表18-9。


    PN2.0MPa突面帶頸螺紋鋼制管(guan)法蘭型(xing)式見圖(tu)18-7,尺寸見表18-10。



4. 公差


  襯塑管及管件(jian)主要尺寸偏差(cha)見圖 18-8 及表 18-11。


聯系方式.jpg