ISO(國際標準化組織)制定并實施的比較典型的管件標準有對焊管件及螺紋連接管件兩類。對焊管件標準側重于介紹非合金鋼、合金鋼以及不銹鋼對焊管件;螺紋連接管件標準側重于介紹不銹鋼螺紋管件。非合金鋼和合金鋼對焊管件(ISO 3419:1981)及不銹鋼對焊管件(ISO 5251:1981)是ISO早期制定的標準,目前仍然在使用。不銹鋼螺紋管件(ISO 4144:2003)則是ISO近期制定的標準。


  不銹鋼對焊管件(jian) ISO 5251


1.  適用(yong)范圍


  ISO 5251:1981 標準規定了用于管道(dao)工(gong)程(cheng)質量要求(qiu)的對焊彎(wan)頭[具有或沒(mei)有直管端的3D型(90°和(he)180°和(he)5D型(90°)]、同心和(he)偏心異徑接(jie)頭、三(san)通(tong)及管帽的尺(chi)寸、公差以(yi)及管件用一般用途的不銹鋼(gang)鋼(gang)號。



2. 符號含意(yi)


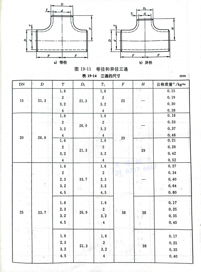
  DN--公稱通徑(見(jian)ISO 6708);


  D-大外徑;


  D1-小外(wai)徑;


  d--大內(nei)徑;


  d1-小內徑;


  T-接(jie)近(jin)D處的(de)壁厚(hou);


  T1-接近D1處的(de)壁厚;


  C--180°彎頭(tou)中(zhong)心線直徑(jing);


  B--180°彎頭自背(bei)面(mian)至端面(mian)或至直管(guan)端部(bu)開(kai)始處的尺(chi)寸;


  F--90°彎頭自中心線(xian)(xian)至端(duan)面或至直管端(duan)部開始處的(de)尺(chi)寸(cun)以及等徑和(he)異徑三通自中心線(xian)(xian)至端(duan)面d的(de)尺(chi)寸(cun);


  H--異徑三通自中心線至端面d1的尺寸;


  K--管帽總(zong)高度;


  L--異徑接頭總(zong)長度(du)及彎頭直管(guan)端的長度(du);


  R、R1-異徑接頭曲率半徑;


  Q--角直(zhi)線偏差;


  P--垂直線偏差。



3. 材(cai)料


 a. 所使(shi)用的鋼號按以(yi)下規定:


   TS46、TS47、TS57、TS58、TS60、TS61 (ISO 2604-2);


   P46、P47、P61 (ISO 2604-4);


   TW46、TW47、TW58、TW61 (ISO 2604-5)。


 b. 經供需雙方協議可提供ISO 2604-2、ISO 2604-4和ISO 2604-5中所規定的(de)其他(ta)鋼號。


 c. 管件(jian)應由以(yi)下材料制造:


   ①. 無縫鋼(gang)管;


   ②. 焊接鋼管或焊接板材。焊縫應預先經供需雙方協議的無損檢驗方法檢驗。


 d. 根據(ju)供(gong)需雙方協議,應進(jin)行(xing)晶間腐蝕試驗(yan)。例(li)如,按照ISO 3651-2進(jin)行(xing)試驗(yan)。



4. 結構型式與尺(chi)寸


   3D彎頭(tou)包括(kuo)不(bu)帶直(zhi)管端(duan)和帶直(zhi)管端(duan)的(de)兩種。不(bu)帶直(zhi)管端(duan)的(de)3D彎頭(tou)型式見圖19-7,尺寸(cun)見表19-10;帶直(zhi)管端(duan)的(de)3D彎頭(tou)型式見圖19-8,尺寸(cun)見表19-11。


   5D彎頭(tou)(90°)型式見圖19-9,尺(chi)寸(cun)見表19-12。



   同心(xin)和偏心(xin)異徑接頭型式見圖19-10,尺寸見表19-13。


   推薦半徑(jing)(jing):  同心異(yi)徑(jing)(jing)接頭:R≥0.4D  R1≥0.4D1 , 偏心異(yi)徑(jing)(jing)接頭:R≥0.3D , R1≥0.3D1 。



圖 10.jpg


  等徑和異徑三通型式見圖19-11,尺寸見表19-14。



  管帽型式見圖19-12,尺寸見表19-15。





5. 公差


 a. 尺寸偏差


   管件尺寸偏(pian)差見(jian)表 19-16


16.jpg


 b. 直線性偏差


   管件直線性(xing)偏差見表 19-17


17.jpg


 c. 坡(po)口偏(pian)差


   管件焊端應切(qie)成(cheng)直角。對于超過 3.6mm 的壁厚,其端部應加工成(cheng)坡口。端部形狀和尺寸見表 19-18。




 6. 熱(re)處理


  熱處理應(ying)按(an)生產廠和采購方之間的協(xie)議進行(xing),例如,根據ISO 2604-2《壓(ya)力用(yong)鋼(gang)(gang)質(zhi)量要求 第(di)2部(bu)分:軋制(zhi)無縫鋼(gang)(gang)管》或(huo)ISO 2604-5《壓(ya)力用(yong)鋼(gang)(gang)質(zhi)量要求 第(di)5部(bu)分:縱(zong)向焊接的奧氏體不銹鋼(gang)(gang)管》。



 7. 試驗


  通(tong)常,對于按本標(biao)準條件生產的管件,不要求(qiu)驗收(shou)試驗。



 8. 檢驗合格證


  a. 當用戶(hu)要求時,生(sheng)產(chan)廠(chang)應(ying)提供表明所提供的(de)(de)管件符合本標準(zhun)的(de)(de)檢驗合格證。


  b. 本檢驗合(he)格證(zheng)應符合(he)ISO 404《鋼和(he)鋼材一般交貨技(ji)術條(tiao)件》中的5.2.1和(he)5.2.2條(tiao)的要求。



 9. 標記和印記


  a. 標記(ji)


   管件應按型式(shi)(即(ji)彎頭(tou)、異徑接頭(tou)、管帽、三通(tong))、角度(對彎頭(tou)而言)、外徑、壁厚、鋼號和本(ben)標準編(bian)號來進行標記。例如:


   對(dui)焊彎(wan)頭3D-90-60.3×2.9-TS47 ISO 5251


  b. 印(yin)記


   所(suo)有管(guan)件均應打上明顯而持久的印記(ji)。印記(ji)內容如(ru)下:


    a. 商標或名(ming)稱;


    b. 外徑(jing)和壁厚(hou);


    c. 鋼號(hao);


    d. 本標準(zhun)編號。




聯系方式.jpg