本(ben)篇重(zhong)點介紹國際標(biao)準(zhun)化組織(ISO)及(ji)美(mei)國機械(xie)工程師協會(ASME)發布(bu)的有代表性的管件(jian)(jian)標(biao)準(zhun)。這些管件(jian)(jian)標(biao)準(zhun)包括(kuo):ISO發布(bu)的非合金鋼(gang)(gang)及(ji)合金鋼(gang)(gang)對(dui)(dui)焊管件(jian)(jian)、不銹(xiu)鋼(gang)(gang)對(dui)(dui)焊管件(jian)(jian)及(ji)不銹(xiu)鋼(gang)(gang)螺(luo)(luo)紋(wen)(wen)管件(jian)(jian)3個國際標(biao)準(zhun);ASME發布(bu)的灰(hui)鑄鐵(tie)螺(luo)(luo)紋(wen)(wen)管件(jian)(jian)、可(ke)鍛(duan)鑄鐵(tie)螺(luo)(luo)紋(wen)(wen)管件(jian)(jian)、承(cheng)插焊和(he)螺(luo)(luo)紋(wen)(wen)連接鍛(duan)鋼(gang)(gang)制管件(jian)(jian)、工廠制造的鍛(duan)鋼(gang)(gang)對(dui)(dui)焊管件(jian)(jian)及(ji)鍛(duan)鋼(gang)(gang)制對(dui)(dui)焊小彎(wan)曲半徑彎(wan)頭(tou)和(he)180°彎(wan)頭(tou)等5個標(biao)準(zhun)。


  這些國外(含國際(ji))典型管件標準的推薦,對我國石油(you)、化工(gong)、石油(you)化工(gong)等領域的引進(jin)裝置(zhi),具有選用價值。


  ISO(國際標準(zhun)化組織(zhi))制定(ding)(ding)并實施的比較典(dian)型(xing)的管(guan)(guan)件標準(zhun)有對(dui)焊管(guan)(guan)件及(ji)螺紋(wen)連(lian)接管(guan)(guan)件兩類。對(dui)焊管(guan)(guan)件標準(zhun)側重于(yu)介(jie)紹(shao)非合(he)金鋼(gang)(gang)、合(he)金鋼(gang)(gang)以及(ji)不(bu)銹(xiu)鋼(gang)(gang)對(dui)焊管(guan)(guan)件;螺紋(wen)連(lian)接管(guan)(guan)件標準(zhun)側重于(yu)介(jie)紹(shao)不(bu)銹(xiu)鋼(gang)(gang)螺紋(wen)管(guan)(guan)件。非合(he)金鋼(gang)(gang)和合(he)金鋼(gang)(gang)對(dui)焊管(guan)(guan)件(ISO 3419:1981)及(ji)不(bu)銹(xiu)鋼(gang)(gang)對(dui)焊管(guan)(guan)件(ISO 5251:1981)是(shi)ISO早期制定(ding)(ding)的標準(zhun),目(mu)前(qian)仍(reng)然在使用。不(bu)銹(xiu)鋼(gang)(gang)螺紋(wen)管(guan)(guan)件(ISO 4144:2003)則是(shi)ISO近期制定(ding)(ding)的標準(zhun)。



不銹鋼螺紋管件 ISO 4144:2003 標準


1. 適用(yong)范圍


  ISO 4144:2003標準規定(ding)了螺紋連接不(bu)銹鋼管件的(de)型式、壓力-溫度等(deng)級、最小尺(chi)寸(cun)和(he)材料。管件的(de)螺紋符合ISO 7-1《用螺紋密封(feng)的(de)管螺紋 第(di)1部分(fen):尺(chi)寸(cun)、公差和(he)標記》;管件適用于一般以(yi)蒸汽、空氣、煤氣、水(shui)及油(you)為介質的(de)管道。


2. 管件型式及其符號


  管件的型式及其符(fu)號見表19-19。




3. 壓力-溫度等級(ji)


  壓力-溫度等級(ji)見(jian)表(biao)19-20。


20.jpg



4. 制造(zao)和材料


  管件應采用鑄造、軋制、鍛造等方法制造。材料應為奧氏體不銹鋼,其屈服極限至少等于ISO 2604-2中所規定的鋼號為TS47的屈服極限。制造管件的材料應嚴格經過ISO 4991:1994《壓力用途的鑄鋼件》5.2條表1所規定的固溶化退火熱處理。



5. 螺紋


 a. 螺(luo)紋的選擇


   管(guan)件的螺(luo)(luo)紋(wen)應(ying)符合ISO7-1的規定(ding)。外螺(luo)(luo)紋(wen)及(ji)內(nei)螺(luo)(luo)紋(wen)錐(zhui)度為1:16,但(dan)內(nei)螺(luo)(luo)紋(wen)可以為直螺(luo)(luo)紋(wen)。


   例外情況(kuang):活接頭螺母及其配合螺紋應符合ISO 68-1、ISO 228-1、ISO 261、ISO 262或ISO 724-的規定。


 b. 倒角


   螺(luo)紋端部應進(jin)行(xing)倒(dao)角。



6. 結構型式與尺寸


 a. 總則


  管件(jian)尺(chi)寸(cun)在圖19-14~圖19-27中(zhong)(zhong)及(ji)表19-21~表19-34中(zhong)(zhong)規(gui)定(ding)。未(wei)規(gui)定(ding)的尺(chi)寸(cun)由(you)制造廠自行(xing)處理(li)。


  管件接(jie)口(kou)型式見(jian)圖19-14,尺寸見(jian)表19-21。


  彎(wan)頭 E1、三(san)通(tong) T1 及四通(tong) X1 型式見圖19-15,尺寸見表19-22。



  異徑彎頭 E2 和 異徑三(san)通 T2 型式見(jian)圖19-16,尺(chi)寸見(jian)表19-23。


23.jpg


  45°彎頭 E3 型式見(jian)圖19-17,尺寸見(jian)表19-24。


  外螺紋與內螺紋彎頭 E4 型式見圖19-18,尺寸見表19-25。


24.jpg


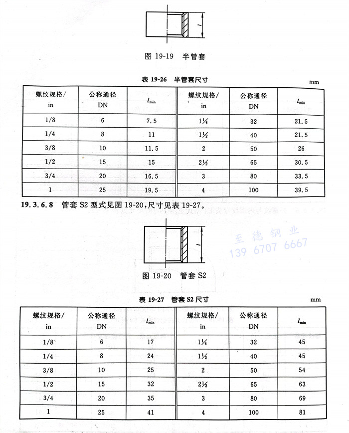
  半管套(tao)S1 型式見圖19-19,尺寸見表19-26。


  管套(tao)S2 型式(shi)見圖(tu)19-20,尺寸見表19-27。


26.jpg


  異徑管(guan)套(tao)S3 型(xing)式見圖(tu)19-21,尺寸見表19-28。


28.jpg


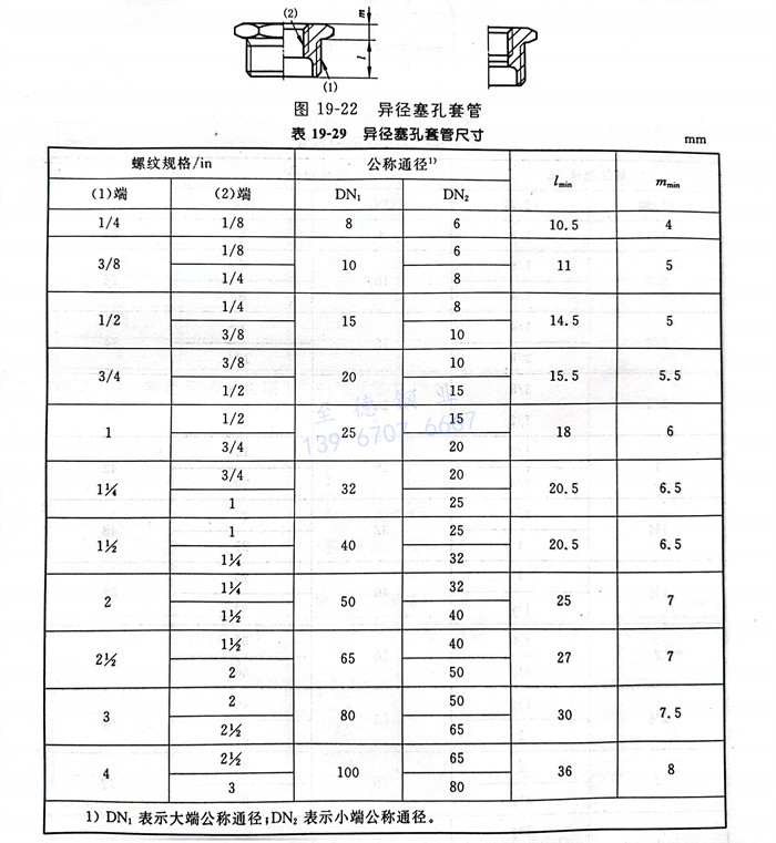
  異徑塞(sai)孔管套B1


    異(yi)徑(jing)塞孔管套可以有(you)(you)六(liu)(liu)角(jiao)(jiao)形(xing)、八(ba)(ba)角(jiao)(jiao)形(xing)、十(shi)角(jiao)(jiao)形(xing)等(deng)種類。規格在1/2以下的只有(you)(you)六(liu)(liu)角(jiao)(jiao)形(xing)1種;規格為3/4~2的有(you)(you)六(liu)(liu)角(jiao)(jiao)形(xing)或(huo)八(ba)(ba)角(jiao)(jiao)形(xing)2種;規格為22~4的有(you)(you)六(liu)(liu)角(jiao)(jiao)形(xing)、八(ba)(ba)角(jiao)(jiao)形(xing)或(huo)十(shi)角(jiao)(jiao)形(xing)3種。異(yi)徑(jing)塞孔管套B1型式見圖19-22,尺寸見表(biao)19-29。


29.jpg


  六角頭螺紋接套N1


   六(liu)角(jiao)頭螺紋接套可以(yi)有六(liu)角(jiao)形(xing)(xing)(xing)(xing)(xing)、八角(jiao)形(xing)(xing)(xing)(xing)(xing)、十角(jiao)形(xing)(xing)(xing)(xing)(xing)等種類。規格(ge)在1/2以(yi)下的(de)只有六(liu)角(jiao)形(xing)(xing)(xing)(xing)(xing)1種;規格(ge)為3/4~2的(de)有六(liu)角(jiao)形(xing)(xing)(xing)(xing)(xing)或(huo)八角(jiao)形(xing)(xing)(xing)(xing)(xing)2種;規格(ge)為2/2~4的(de)有六(liu)角(jiao)形(xing)(xing)(xing)(xing)(xing)、八角(jiao)形(xing)(xing)(xing)(xing)(xing)或(huo)十角(jiao)形(xing)(xing)(xing)(xing)(xing)3種,六(liu)角(jiao)形(xing)(xing)(xing)(xing)(xing)螺紋接套型式 N1 見(jian)圖19-23,尺寸見(jian)表19-30。


30.jpg


  異徑螺紋(wen)接(jie)套


   異徑螺紋(wen)接套可以有(you)六(liu)角(jiao)形、八(ba)角(jiao)形、十(shi)角(jiao)形等種(zhong)類。規(gui)格(ge)(ge)在1/2以下的只有(you)六(liu)角(jiao)形1種(zhong);規(gui)格(ge)(ge)為(wei)3/4~2的有(you)六(liu)角(jiao)形或八(ba)角(jiao)形2種(zhong);規(gui)格(ge)(ge)為(wei)2/2~4的有(you)六(liu)角(jiao)形、八(ba)角(jiao)形或十(shi)角(jiao)形3種(zhong)。異徑螺紋(wen)接套N2型式見圖(tu)19-24,尺寸見表19-31。


32.jpg


  管帽(mao)C1


   管帽由(you)制造廠隨意選擇,可以(yi)為六角形、八角形或十角形。管帽C1型(xing)式見(jian)圖19-25,尺寸見(jian)表(biao)19-32。


  管(guan)塞P1和P2


   管(guan)(guan)塞由制造廠隨意選擇(ze),可(ke)以為實心的(de)或(huo)空(kong)心的(de)。管(guan)(guan)塞P2可(ke)以為六(liu)(liu)角(jiao)(jiao)頭(tou)形、八角(jiao)(jiao)頭(tou)形、十(shi)角(jiao)(jiao)頭(tou)形等(deng)種(zhong)類。規(gui)格在1/2以下(xia)的(de)只有六(liu)(liu)角(jiao)(jiao)形1種(zhong);規(gui)格為3/4~2的(de)有六(liu)(liu)角(jiao)(jiao)形或(huo)八角(jiao)(jiao)形2種(zhong);規(gui)格為2%~4的(de)有六(liu)(liu)角(jiao)(jiao)形、八角(jiao)(jiao)形或(huo)十(shi)角(jiao)(jiao)形3種(zhong)。管(guan)(guan)塞P1和(he)P2的(de)型式見圖19-26,尺(chi)寸見表(biao)19-33。


33.jpg


  平座(zuo)U1、U2和U3活接頭及(ji)錐座(zuo)U4、U5和U6 活接頭


   平座U1、U2和(he)U3活(huo)接(jie)頭及錐座U4、U5和(he)U6活(huo)接(jie)頭型式見(jian)圖19-27,尺寸見(jian)表19-34。


34.jpg


7. 試驗和檢(jian)驗


 a. 管件(jian)應(ying)進行以下視覺性的檢驗(yan):


    管件內、外表(biao)面要光滑、無裂紋、無有(you)害(hai)刮(gua)痕(hen)、毛(mao)刺、粘(zhan)砂或其他缺(que)陷(xian)。


   管件全部(bu)螺紋部(bu)分應(ying)完好無損,不(bu)稀疏、無裂紋或其他缺陷。


 b. 管件螺(luo)紋(wen)的(de)檢(jian)驗應按照ISO 7-2進行(xing),或按其他(ta)適合的(de)方法進行(xing)。


 c. 螺紋的(de)軸(zhou)線精度應達到規定角度的(de)士0.5°范圍內。


 d. 當(dang)檢驗(yan)生(sheng)產的(de)管(guan)件時,應對每一個(ge)管(guan)件進(jin)行下述試(shi)驗(yan)以(yi)保證管(guan)件不產生(sheng)泄漏(lou)。為了試(shi)驗(yan)管(guan)件,螺(luo)紋端(duan)要(yao)密封。當(dang)加壓使管(guan)件內部的(de)壓力(li)達到(dao)6bar的(de)空氣(qi)壓力(li)后,在保持此壓力(li)的(de)同時,按表19-35所規定的(de)最小試(shi)驗(yan)持續時間,觀(guan)察管(guan)件有無泄漏(lou)現象(xiang)。


35.jpg


 e. 水壓(ya)試驗可以在30 bar壓(ya)力下進(jin)行,以代替空氣壓(ya)力試驗。試驗方(fang)法和試驗持續(xu)時(shi)間按19.3.7.4條規定(ding)。


 f. 由(you)諸如(ru)鍛件、軋制(zhi)棒料或擠壓管(guan)材等材料制(zhi)成的管(guan)件,則不需要做泄漏檢驗。


 g. 管件(jian)(jian)應(ying)能夠通過晶間腐(fu)蝕(shi)試驗(yan)(yan)并合格,晶間腐(fu)蝕(shi)試驗(yan)(yan)按(an)ISO 4990《鑄鋼件(jian)(jian)交貨的(de)一(yi)(yi)般技術要求》中的(de)B.9.1條進行。當做(zuo)腐(fu)蝕(shi)試驗(yan)(yan)時,應(ying)對每一(yi)(yi)熱處理裝爐量的(de)一(yi)(yi)根(gen)管件(jian)(jian)做(zuo)試驗(yan)(yan)。



8. 印(yin)記


 管件應(ying)以(yi)商(shang)標(biao)、材料代號或縮寫以(yi)及螺紋標(biao)記(ji)做印記(ji)。但是,當容納標(biao)志的(de)位置(zhi)不夠時,標(biao)志可以(yi)省(sheng)略。



9. 標記


 ①. 標記內容


   符合 ISO 4144:2003(E)的管件,應按以下內容依(yi)次進行標記:


    a. 管件型式;


    b. 標準(zhun)編(bian)號ISO 4144;


    c. 螺紋(wen)規格標記;


    d. 符號(見表19-19);


    e. 材(cai)料(liao)。


 ②. 標記示例


  具有材料(liao)牌號為(wei)TS47鋼(gang)、內(nei)圓錐螺紋(wen)為(wei)Rc2的(de)等(deng)徑內(nei)螺紋(wen)彎(wan)頭(tou)E1的(de)標記(ji)為(wei): 彎(wan)頭(tou) ISO 4144-Rc2E1 TS47


  具有材料牌(pai)號為(wei)TS61鋼、內圓錐螺(luo)紋為(wei)Rc2、支管(guan)為(wei)1%的(de)主管(guan)異徑三通T2的(de)標(biao)記為(wei): 異(yi)徑三(san)通 ISO 4144-Rc2 × 1/4 T2 TS61


聯系方式.jpg