本章所介紹的美(mei)國管(guan)件(jian)標(biao)準(zhun)主要為美(mei)國機械工程師協會(即ASME)近期發布的最新標(biao)準(zhun),這些(xie)管(guan)件(jian)標(biao)準(zhun)主要為:灰鑄鐵螺紋(wen)(wen)管(guan)件(jian)(ASME B16.4-1998)、可鍛(duan)鑄鐵螺紋(wen)(wen)管(guan)件(jian)(ASME B16.3-1998)、承插(cha)焊和螺紋(wen)(wen)連接鍛(duan)鋼(gang)制(zhi)管(guan)件(jian)(ASME B16.11-2005)、工廠(chang)制(zhi)造(zao)的鍛(duan)鋼(gang)對焊管(guan)件(jian)及(ji)鍛(duan)鋼(gang)制(zhi)對焊短半徑彎頭(tou)和180°彎頭(tou)等。


承插焊和螺(luo)紋(wen)連接鍛鋼制管件 ASME B16.11-2005 標準



一(yi)、 適(shi)用(yong)范(fan)圍


 1. 總則


    ASME B16.11-2005標準適用(yong)于表(biao)(biao)20-30~表(biao)(biao)20-39所示的承插(cha)焊式和螺(luo)紋連接(jie)式兩(liang)種鍛制管件的壓力-溫(wen)度等級、材料(liao)、尺(chi)寸、公(gong)差和標志。


  a. 管件(jian)型式/形(xing)狀


   本標準所包含的管(guan)件型(xing)式(按磅級及規格區分)見表20-26。表20-30~表20-39所示的管(guan)件也可制成承插焊端(duan)(duan)和螺(luo)紋(wen)端(duan)(duan)組(zu)合式管(guan)件。


  b. 專用(yong)管件


   經(jing)供需雙方(fang)協商,可以制造帶特殊螺紋或特殊锪孔的(de)管件。這些管件,當符(fu)(fu)合本標(biao)(biao)(biao)準(zhun)的(de)所有(you)其他條文規定(ding)時,只(zhi)要(yao)作適(shi)當的(de)標(biao)(biao)(biao)志(zhi)(見20.3.8條標(biao)(biao)(biao)志(zhi)內容),則(ze)應被認為(wei)是與本標(biao)(biao)(biao)準(zhun)相(xiang)符(fu)(fu)合的(de)管件。


  c. 質量(liang)體系


   按本(ben)標(biao)(biao)準制(zhi)(zhi)造的(de)(de)(de)(de)(de)產品,應(ying)(ying)按質量(liang)體系(xi)程(cheng)序(xu)生產,該程(cheng)序(xu)應(ying)(ying)按照ISO 9000系(xi)列的(de)(de)(de)(de)(de)某一(yi)合適(shi)的(de)(de)(de)(de)(de)標(biao)(biao)準的(de)(de)(de)(de)(de)原(yuan)則(ze)制(zhi)(zhi)定。制(zhi)(zhi)造廠(chang)有(you)責任確定是否需要(yao)由一(yi)個獨(du)立(li)的(de)(de)(de)(de)(de)組織機構對產品制(zhi)(zhi)造廠(chang)的(de)(de)(de)(de)(de)質量(liang)體系(xi)程(cheng)序(xu)進行注冊和/或(huo)認(ren)證。采購(gou)(gou)方(fang)在(zai)制(zhi)(zhi)造廠(chang)的(de)(de)(de)(de)(de)場(chang)所(suo)應(ying)(ying)能得到(dao)演示程(cheng)序(xu)符合性(xing)的(de)(de)(de)(de)(de)詳細文件(jian)。應(ying)(ying)采購(gou)(gou)方(fang)的(de)(de)(de)(de)(de)請(qing)求(qiu),采購(gou)(gou)方(fang)可以得到(dao)產品制(zhi)(zhi)造廠(chang)提供的(de)(de)(de)(de)(de)其所(suo)使用(yong)的(de)(de)(de)(de)(de)該質量(liang)體系(xi)程(cheng)序(xu)的(de)(de)(de)(de)(de)書面概括(kuo)說(shuo)明。所(suo)謂產品制(zhi)(zhi)造廠(chang)是指按本(ben)標(biao)(biao)準標(biao)(biao)志或(huo)識別要(yao)求(qiu)顯示在(zai)產品上(shang)的(de)(de)(de)(de)(de)完整廠(chang)名(ming)或(huo)商標(biao)(biao)。


 2. 使用條(tiao)件


   選擇適合于特定流體使用條件(jian)的管件(jian)型式和材料的標(biao)準不在本標(biao)準的范圍內。


 3. 焊接


   安裝焊(han)接要求不在(zai)本(ben)標準的(de)范圍內。安裝焊(han)接應按照適用的(de)管道規范或包含安裝該管件的(de)管道系統的(de)規程(cheng)進行。


 4. 標準計量單位


   無論是以米制(zhi)計(ji)量(liang)單(dan)位(wei)或是英(ying)制(zhi)計(ji)量(liang)單(dan)位(wei)表示(shi)的(de)數(shu)值均視為(wei)標準值。在(zai)正文中英(ying)制(zhi)單(dan)位(wei)值列于括號內,以每種(zhong)單(dan)位(wei)制(zhi)表示(shi)的(de)數(shu)值并非精確相等。因此,每種(zhong)單(dan)位(wei)制(zhi)必須單(dan)獨使用(yong)。混合使用(yong)兩種(zhong)單(dan)位(wei)制(zhi)的(de)數(shu)值可能會(hui)造成(cheng)與標準的(de)不一(yi)致性(xing)。



二、壓力等(deng)級


 1. 總(zong)則


  對(dui)于(yu)(yu)螺(luo)紋端管件,應(ying)標(biao)(biao)為(wei)2000、3000和6000磅級(ji);對(dui)于(yu)(yu)承插焊端管件,應(ying)標(biao)(biao)為(wei)3000、6000和9000磅級(ji)。


  a. 壓(ya)力(li)-溫度(du)等級的計算依(yi)據


   為了(le)確定等(deng)級(ji),將相應(ying)于各磅(bang)級(ji)管(guan)件的(de)管(guan)壁(bi)厚度系列號示于表20-27中(zhong)(zhong)。設計(ji)溫度和其(qi)他使用(yong)條件應(ying)受(shou)所適用(yong)的(de)管(guan)道(dao)規(gui)范或管(guan)件結構材(cai)料規(gui)程的(de)限制(zhi)(zhi)。這些(xie)限制(zhi)(zhi)中(zhong)(zhong),管(guan)件的(de)最大許(xu)用(yong)壓力(li)應(ying)是(shi)按等(deng)同(tong)材(cai)料(如按各種材(cai)料規(gui)范中(zhong)(zhong)材(cai)料的(de)化(hua)學(xue)(xue)成分和力(li)學(xue)(xue)性(xing)能對比得出(chu)的(de))制(zhi)(zhi)成的(de)直無(wu)縫(feng)管(guan)計(ji)算求出(chu)的(de)。用(yong)于此種計(ji)算的(de)壁(bi)厚應(ying)是(shi)ASME B36.10M中(zhong)(zhong)對管(guan)子(zi)規(gui)格和相應(ying)管(guan)壁(bi)厚度序列號的(de)表列值減去12.5%的(de)制(zhi)(zhi)造公差(cha)(cha)和其(qi)他公差(cha)(cha)(例(li)如螺(luo)紋(wen)公差(cha)(cha))。任何腐蝕裕(yu)量(liang)和由于溫度和其(qi)他設計(ji)因素引(yin)起許(xu)用(yong)應(ying)力(li)的(de)任何變化(hua)應(ying)同(tong)樣適用(yong)于管(guan)子(zi)和管(guan)件。


26.jpg


  b. 非(fei)標(biao)準管子壁厚


   由于ASME B36.10M既不(bu)包(bao)括(kuo)Sch160,也不(bu)包(bao)括(kuo)NPS1/8、NPS1/4和NPS3/8雙倍加(jia)厚管(guan)的壁(bi)厚,所以表20-28中的數值可用于作為確定等級時管(guan)子的公稱壁(bi)厚。


28.jpg


  c. 組合端管(guan)件


   與承插焊端(duan)和(he)螺(luo)紋(wen)端(duan)組合制造的(de)管(guan)件,其磅級(ji)(ji)應依據表20-27中最低等級(ji)(ji)的(de)端(duan)部(bu)形狀確定。


 2. 耐(nai)壓(ya)試驗的可行性


   本標準不要求進行耐壓試驗,但管(guan)(guan)件應能(neng)承受適用的管(guan)(guan)道規范(fan)對(dui)無縫(feng)管(guan)(guan)所要求的水壓試驗壓力。這種無縫(feng)管(guan)(guan)的材料與管(guan)(guan)件的鍛材相當,其Sch No.或壁厚與表20-27中的管(guan)(guan)件磅級和(he)端部連接(jie)有關(guan)。



三、規格


 1. 總則(ze)


   公稱(cheng)(cheng)管件規格的(de)代號(hao)是NPS后跟無因次的(de)數字。NSP與國際標準(zhun)中(zhong)所使(shi)用的(de)標準(zhun)公稱(cheng)(cheng)通徑(jing)DN有關。它們(men)之間的(de)關系見表20-29。


29.jpg


 2. 異徑管件(jian)規格(ge)


   對(dui)(dui)(dui)于異徑三(san)(san)通(tong)(tong)和四(si)通(tong)(tong),應(ying)首先給(gei)(gei)出(chu)最(zui)大主管(guan)開(kai)(kai)口規(gui)格(ge)(ge),緊(jin)接(jie)著(zhu)給(gei)(gei)出(chu)主管(guan)相對(dui)(dui)(dui)端的(de)(de)開(kai)(kai)口規(gui)格(ge)(ge)。管(guan)件(jian)為(wei)三(san)(san)通(tong)(tong)時,其支管(guan)規(gui)格(ge)(ge)放在最(zui)后,管(guan)件(jian)為(wei)四(si)通(tong)(tong)時,第三(san)(san)個給(gei)(gei)出(chu)的(de)(de)是旁(pang)邊的(de)(de)最(zui)大開(kai)(kai)口規(gui)格(ge)(ge),緊(jin)接(jie)著(zhu)給(gei)(gei)出(chu)的(de)(de)是對(dui)(dui)(dui)面的(de)(de)出(chu)口尺寸。異徑三(san)(san)通(tong)(tong)和四(si)通(tong)(tong)出(chu)口的(de)(de)表示方法見(jian)圖(tu)20-26。


圖 26.jpg



四、材料(標準材料)


   管件(jian)的(de)材料應包括鍛(duan)件(jian)、棒材、無縫管或(huo)管材。這些材料應符合ASME B16.34《法(fa)蘭、螺(luo)紋及焊接(jie)(jie)連接(jie)(jie)端的(de)閥門》表1(包括表2中(zhong)可適用的(de)注釋)中(zhong)所列(lie)鍛(duan)造(zao)產(chan)品的(de)冶煉工藝、化學成分(fen)要(yao)求(qiu)和力學性(xing)能要(yao)求(qiu)。三通、彎頭和四通不(bu)能用棒材制作。



五(wu)、結構型式與尺寸


 1. 承插(cha)焊管件


   承插焊(han)管(guan)件(jian)尺(chi)(chi)寸(cun)分米制(zhi)及英(ying)制(zhi)兩個系列。米制(zhi)管(guan)件(jian)型(xing)式見圖(tu)20-27,尺(chi)(chi)寸(cun)見表20-30;英(ying)制(zhi)管(guan)件(jian)型(xing)式見圖(tu)20-27,尺(chi)(chi)寸(cun)見表20-31。



  a. 本體壁厚


    承插焊(han)管(guan)件本體壁厚(hou)應等于(yu)或大于(yu)表20-30和20-31中所(suo)示(shi)的G值。


  b. 承口壁厚


    承口的平均壁厚(hou)和最小壁厚(hou)應(ying)不小于表20-30和表20-31中所(suo)示C的相應(ying)值(zhi)。


  c. 承口位置


    承口底相對于承插焊管件中心(xin)線的固定位置應按(an)表20-30和(he)表20-31中尺寸A的要求(qiu)予以保持。對于異徑管件,見20.3.5.4條。


  d. 承口深(shen)度


    承口深度應不小于表20-30和表20-31中所示J的最(zui)小值。


  e. 承口孔


    承口孔內表面應(ying)進行精加工,不得有毛(mao)刺。


  f. 垂直度


    承(cheng)插(cha)焊管件的端部平面與(yu)承(cheng)口軸(zhou)心線應(ying)成直角。


  g. 寬度


    鍛(duan)件半徑不應使平(ping)焊表面的寬度(du)減小到小于(yu)圖20-28所示值。


圖 28.jpg


 2. 螺(luo)紋(wen)管件


   螺(luo)紋(wen)管件(jian)(jian)包括鍛(duan)造(zao)螺(luo)紋(wen)管件(jian)(jian)、帶內(nei)外螺(luo)紋(wen)的鍛(duan)造(zao)彎頭、非(fei)鍛(duan)造(zao)的螺(luo)紋(wen)管件(jian)(jian)、絲堵和(he)絲套(tao)4類(lei)。每類(lei)螺(luo)紋(wen)管件(jian)(jian)尺寸(cun)又(you)分(fen)米制和(he)英(ying)制兩個系列(lie)。


   米制鍛造(zao)(zao)螺紋(wen)管件的型(xing)式見(jian)(jian)圖20-29,尺(chi)寸見(jian)(jian)表20-32;英制鍛造(zao)(zao)螺紋(wen)管件的型(xing)式見(jian)(jian)圖20-29,尺(chi)寸見(jian)(jian)20-33。


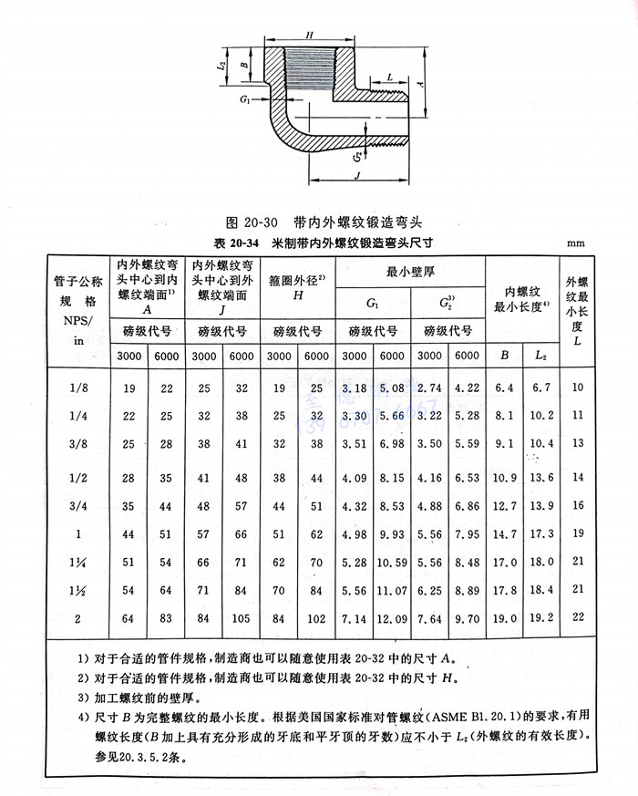
   米(mi)制(zhi)帶(dai)(dai)內外(wai)螺紋的鍛造(zao)彎(wan)頭(tou)型式見圖20-30,尺寸(cun)(cun)見表20-34;英(ying)制(zhi)帶(dai)(dai)內外(wai)螺紋的鍛造(zao)彎(wan)頭(tou)型式見圖20-30,尺寸(cun)(cun)見表20-35。


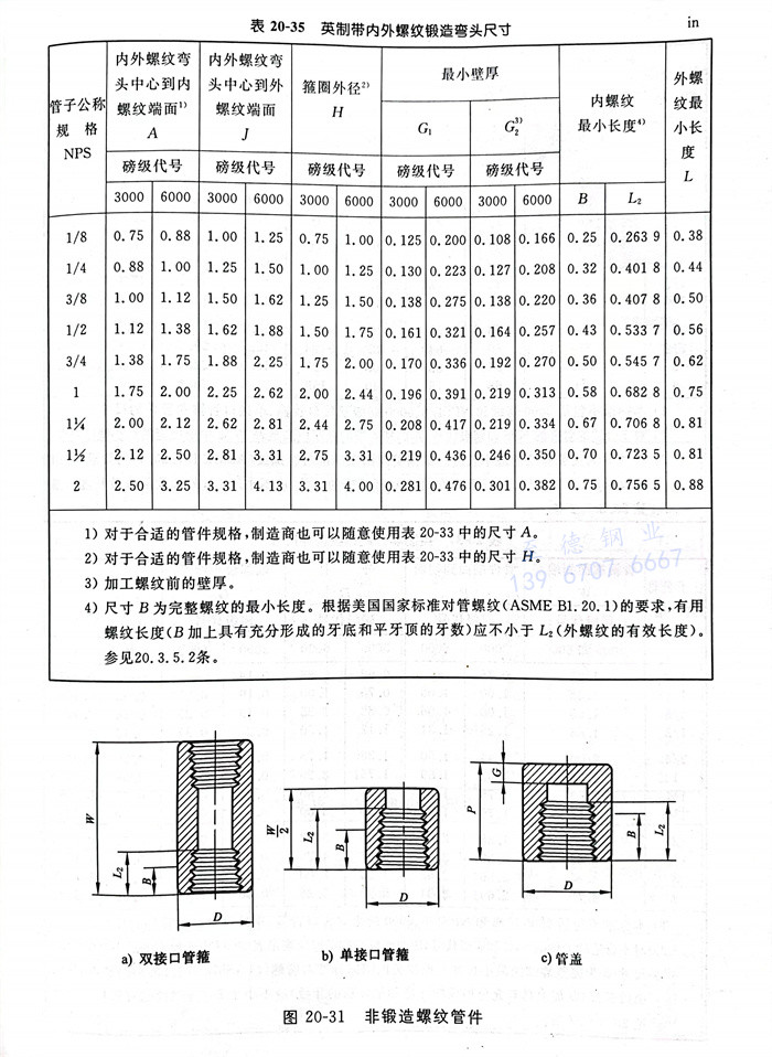
   米制(zhi)非鍛造(zao)螺(luo)紋管件(jian)的(de)(de)型式(shi)見(jian)(jian)圖(tu)(tu)20-31,尺(chi)寸(cun)見(jian)(jian)表(biao)20-36;英制(zhi)非鍛造(zao)螺(luo)紋管件(jian)的(de)(de)型式(shi)見(jian)(jian)圖(tu)(tu)20-31,尺(chi)寸(cun)見(jian)(jian)表(biao)20-37。


   米制絲(si)堵和絲(si)套(tao)的(de)型式見圖(tu)20-32,尺寸見表(biao)20-38;英制絲(si)堵和絲(si)套(tao)的(de)型式見圖(tu)20-32,尺寸見表(biao)20-39。


  a. 壁厚(hou)


   螺紋管件本體或(huo)端部壁厚(hou)應等于或(huo)大于表(biao)20-32~表(biao)20-37中(zhong)所示(shi)的最小G、G1和G2值(zhi)。


  b. 內(nei)螺紋


   所有帶內(nei)螺(luo)紋(wen)的管件(jian)應(ying)按美國(guo)國(guo)家(jia)標準《錐管螺(luo)紋(wen)》(ASME B 1.20.1)加工螺(luo)紋(wen)。當使用工作(zuo)量(liang)規(gui)時,螺(luo)紋(wen)加工的誤差從測(ce)量(liang)槽口開(kai)始(shi)應(ying)限制為大一(yi)圈(quan)或小一(yi)圈(quan)螺(luo)紋(wen)內(nei)。測(ce)量(liang)基(ji)準點是管件(jian)的開(kai)始(shi)端(duan)。只要(yao)倒角(jiao)不超過內(nei)螺(luo)紋(wen)大徑。當內(nei)螺(luo)紋(wen)的倒角(jiao)超過此限制時,基(ji)準點即為倒角(jiao)錐上的最(zui)后一(yi)牙螺(luo)紋(wen)刻痕。


  c. 外螺(luo)紋


   所(suo)有帶(dai)外(wai)螺(luo)紋(wen)(wen)的管(guan)件均應按美國國家標準(zhun)《錐管(guan)螺(luo)紋(wen)(wen)》(ASME B1.20.1)加工(gong)螺(luo)紋(wen)(wen)。當(dang)使用工(gong)作量(liang)(liang)規時(shi),螺(luo)紋(wen)(wen)加工(gong)的誤(wu)差從環規的測量(liang)(liang)面(mian)開始限制為大(da)一圈或(huo)小(xiao)一圈螺(luo)紋(wen)(wen)內(nei)。測量(liang)(liang)的基準(zhun)點是螺(luo)紋(wen)(wen)的端部。


  d. 锪(huo)錐孔和倒(dao)角


   所(suo)有內螺(luo)紋(wen)(wen)均應(ying)锪錐孔,其距(ju)離不小于(yu)螺(luo)紋(wen)(wen)的(de)一半,并常有與(yu)(yu)(yu)螺(luo)紋(wen)(wen)軸心(xin)大約成45°的(de)夾角(jiao);所(suo)有的(de)外螺(luo)紋(wen)(wen)均應(ying)帶有與(yu)(yu)(yu)軸線成30°~45°的(de)倒(dao)角(jiao),以(yi)便在(zai)制作(zuo)接(jie)頭(tou)時易進(jin)入連(lian)接(jie)和保護螺(luo)紋(wen)(wen)。锪錐孔與(yu)(yu)(yu)倒(dao)角(jiao)應(ying)與(yu)(yu)(yu)螺(luo)紋(wen)(wen)同心(xin)。各表中(zhong)規定(ding)的(de)螺(luo)紋(wen)(wen)長度,測(ce)量時應(ying)包(bao)括(kuo)锪孔或(huo)倒(dao)角(jiao)。


 3. 頸圈(quan)


   表20-30~表20-33中所屬(shu)簡(jian)圖所示(shi)的承插焊式(shi)或螺紋連接式(shi)兩種管件的端部頸圈(quan)應能(neng)覆蓋岔口區。


 4. 異徑(jing)管件(jian)


   異徑(jing)(jing)(jing)管件應具有和相同規(gui)格(ge)管件(該管件與異徑(jing)(jing)(jing)管件的最大規(gui)格(ge)端(duan)(duan)部(bu)連接相符(fu)合)一樣的中心(xin)到(dao)端(duan)(duan)部(bu)、中心(xin)到(dao)承(cheng)口底部(bu)、箍圈直徑(jing)(jing)(jing)和外徑(jing)(jing)(jing)尺寸。



六、公差(附加公差)


   附加于(yu)表20-30~表20-31的承(cheng)插焊管(guan)件所列各(ge)值的公(gong)差如(ru)下:


  a. 通口的同(tong)心度


    承口孔(kong)和(he)管(guan)件(jian)通孔(kong)應(ying)同心(xin)(xin),其公差(cha)對各種規格的管(guan)件(jian)均為0.8mm(0.03in)。相(xiang)對承口孔(kong)應(ying)同心(xin)(xin),其公差(cha)對各種規格的管(guan)件(jian)均為1.5mm(0.06 in)。


  b. 軸線的重合度

  

   管件通孔與承口孔軸(zhou)線的同軸(zhou)度最(zui)(zui)大允(yun)(yun)差為(wei)1mm/200 mm(0.06 in/ft)。螺紋同軸(zhou)度的最(zui)(zui)大允(yun)(yun)差應為(wei)1mm/200 mm(0.06 in./ft)。



七、驗(yan)證試驗(yan)


   對按本標準制造的(de)管件,不要求作(zuo)驗證試(shi)驗。



八(ba)、標志


   每個管(guan)件(jian)都應(ying)用鍛出凸(tu)字和/或打鋼印、電腐(fu)蝕(shi)或振動工具標(biao)(biao)(biao)記方法在(zai)鍛造管(guan)件(jian)的(de)(de)頸部、凸(tu)墊和凸(tu)轂部分(fen)做(zuo)出永久(jiu)性的(de)(de)識別標(biao)(biao)(biao)志。圓筒形管(guan)件(jian)應(ying)標(biao)(biao)(biao)志在(zai)外徑或在(zai)焊接安裝后標(biao)(biao)(biao)志不(bu)(bu)(bu)會(hui)消失或不(bu)(bu)(bu)會(hui)被涂掉的(de)(de)管(guan)件(jian)端部。本標(biao)(biao)(biao)準不(bu)(bu)(bu)要求對絲(si)套、絲(si)堵作標(biao)(biao)(biao)志。


 1. 專用標志(zhi)


  標(biao)志應包括但不局(ju)限于下列(lie)內容:


   a. 制造廠的名稱或商標。


   b. 材料標(biao)志(zhi)(zhi) 材料應按適(shi)合(he)的(de)(de)ASTM管件規范(fan)(fan)A234、A403、A420、A815或B366,或按適(shi)合(he)的(de)(de)ASTM鍛件技(ji)術規范(fan)(fan)A105、A182、A350、B160、B164、B462、B564,或ASME B16.34表1中其他適(shi)用的(de)(de)鍛件技(ji)術規范(fan)(fan)中的(de)(de)標(biao)志(zhi)(zhi)要(yao)求(qiu)進(jin)行識(shi)別。


   c. 產(chan)品符(fu)(fu)合(he)證明 20.3.1.1a條(tiao)(tiao)所包(bao)含的(de)管件(jian)應(ying)標(biao)以ASTM管件(jian)技術規范的(de)材(cai)料識(shi)別標(biao)志“WP-”或“B16”符(fu)(fu)號,以表(biao)示符(fu)(fu)合(he)本標(biao)準。20.3.1.1b條(tiao)(tiao)所包(bao)含的(de)專用管件(jian)應(ying)標(biao)以B16 SPLD。


   d. 磅級代(dai)(dai)號(hao) 根(gen)據適用情況,有2000、3000或6000或9000等4種(zhong)表示(shi)方(fang)法。用另(ling)一種(zhong)方(fang)法,根(gen)據適用情況可(ke)以使用代(dai)(dai)號(hao)2M、3M、6M或9M表示(shi),此處M代(dai)(dai)表1000。


   e. 規(gui)格 指與(yu)端部連接有(you)關的公稱管子規(gui)格。


 2. 標(biao)志(zhi)的省略


   當(dang)管件的(de)規格和形狀不允許作(zuo)上述所有標志時,標志符號可按(an)上述相反的(de)順(shun)序進行(xing)省(sheng)略。





聯系方式.jpg