管(guan)(guan)道配管(guan)(guan)隔熱(re)層材料的選(xuan)用(yong)主要遵循以下幾點要求:


一、導(dao)熱系數的要求


(1)保溫(wen)材料(liao)在平均溫(wen)度(du)為70℃時,其(qi)導(dao)熱系數(shu)不得大于(yu)0.080W.080W/(m·K)。


(2)用于(yu)保冷的泡(pao)沫(mo)塑料及其制(zhi)品在平均(jun)溫度為25℃時的導熱(re)系數不應大于(yu)0.044W/(m·K)。與(yu)GB 50264、SH/T3010、GB/T 4272等規范是一致的。


(3)泡(pao)沫橡塑制品在平均溫度為0℃時的導熱系數不應大(da)于(yu)0.036W/(m·K)。


(4)I類泡(pao)沫玻(bo)璃制(zhi)品在平均溫度為(wei)25℃時的(de)導熱系數不應大于0.045W/(m·K),類泡(pao)沫玻(bo)璃制(zhi)品在平均溫度為(wei)25℃時的(de)導熱系數不應大于0.064.064W/(m·K)。



二(er)、隔熱材料密度、硬(ying)度和pH值的要求


  硬質保溫材料(liao)的(de)密度(du)(du)不(bu)應大于(yu)300kg/m3,保冷材料(liao)制(zhi)(zhi)品的(de)密度(du)(du)不(bu)應大于(yu)200kg/m3,半硬質、軟(ruan)質保溫材料(liao)制(zhi)(zhi)品密度(du)(du)不(bu)應大于(yu)200kg/m3。


  硬質(zhi)保(bao)溫材(cai)料的抗壓(ya)強度(du)(du)不應(ying)小于(yu)0.4MPa,硬質(zhi)保(bao)冷材(cai)料的抗壓(ya)強度(du)(du)不應(ying)小于(yu)0.15MPa。隔熱材(cai)料制(zhi)品的pH值不應(ying)小于(yu)7。



三、隔熱材料應符合的標(biao)準


  用于與奧氏(shi)體不銹鋼表面接觸的隔熱(re)材料(liao)應符合GB/T 50185《工業設備及管道(dao)絕(jue)熱(re)工程(cheng)施工驗收(shou)規范》有(you)關氯離子含(han)量(liang)的規定。硬質隔熱(re)材料(liao)不宜(yi)用于有(you)振動(dong)的管道(dao)。



四、隔熱材(cai)料其他性(xing)能(neng)要求


(1)隔熱材料制品應具有安全使用(yong)溫度和燃(ran)燒性(xing)能(不燃(ran)性(xing)、難燃(ran)性(xing)、可燃(ran)性(xing))資料。


(2)隔(ge)熱材料(liao)(liao)制品應具(ju)備(bei)防潮性能(吸水性、吸濕性、防水性)資料(liao)(liao)。保溫材料(liao)(liao)含水不(bu)得大于7.5%(質量(liang)),保冷材料(liao)(liao)的含水率不(bu)得大于1%(質量(liang))。


(3)隔熱材料制品應具有抗大氣腐(fu)蝕(shi)性(xing)、化學穩定性(xing)、熱穩定性(xing)、渣球含量、纖(xian)維直徑(jing)等測試報(bao)告。


(4)設(she)備(bei)(bei)和(he)(he)(he)管(guan)(guan)道的保(bao)溫(wen)(wen)結構應(ying)由(you)非燃(ran)燒材(cai)(cai)(cai)料組成(cheng);保(bao)冷結構可(ke)由(you)阻燃(ran)材(cai)(cai)(cai)料組成(cheng),阻燃(ran)性(xing)保(bao)冷材(cai)(cai)(cai)料制(zhi)品(pin)(pin)(pin)的氧指數不(bu)應(ying)小于30。設(she)備(bei)(bei)和(he)(he)(he)管(guan)(guan)道的隔(ge)熱層(ceng)除必(bi)須采用(yong)填充式結構外,宜(yi)選用(yong)隔(ge)熱材(cai)(cai)(cai)料制(zhi)品(pin)(pin)(pin);保(bao)溫(wen)(wen)材(cai)(cai)(cai)料制(zhi)品(pin)(pin)(pin)的最高(gao)安全使(shi)用(yong)溫(wen)(wen)度(du)(du)應(ying)高(gao)于設(she)備(bei)(bei)和(he)(he)(he)管(guan)(guan)道的設(she)計溫(wen)(wen)度(du)(du);保(bao)冷材(cai)(cai)(cai)料制(zhi)品(pin)(pin)(pin)的允許使(shi)用(yong)溫(wen)(wen)度(du)(du)應(ying)低于設(she)備(bei)(bei)和(he)(he)(he)管(guan)(guan)道的設(she)計溫(wen)(wen)度(du)(du)。


   絕(jue)熱層材料(liao)按(an)照被絕(jue)熱的工(gong)藝設備和管道外(wai)表面溫度不(bu)同,其(qi)燃燒(shao)(shao)性能(neng)應(ying)(ying)符合現行(xing)國(guo)家標準GB 8624《建筑材料(liao)燃燒(shao)(shao)性能(neng)分(fen)級(ji)方法》規定的燃燒(shao)(shao)等級(ji),并應(ying)(ying)符合下列規定:


     ①. 被絕(jue)(jue)熱的設(she)備(bei)與管道外表面溫度T。大于100℃時(shi),絕(jue)(jue)熱層材料(liao)應符合(he)不燃類A級材料(liao)性能要求。


     ②. 被絕(jue)熱(re)(re)的(de)設備與管道外(wai)表面溫度T。小于(yu)或等于(yu)100℃時,絕(jue)熱(re)(re)層(ceng)材料(liao)不得低于(yu)難燃類B1級材料(liao)的(de)性(xing)能要求。


     ③. 被(bei)絕熱(re)的設備與管道外(wai)表面溫度T。≤50℃時,有(you)保(bao)護層的泡沫塑(su)料類絕熱(re)層材料不得低于一般可燃性B2級材料的性能(neng)要求。


(5)隔熱材料(liao)的(de)防水(shui)率應大于或(huo)等(deng)于95%;軟質隔熱材料(liao)制品的(de)回彈率應大于或(huo)等(deng)于90%。


(6)對(dui)硬(ying)質材料必須提供線膨脹或(huo)收縮率數據。


(7)隔(ge)熱材料(liao)應是隔(ge)熱性能好,并(bing)有明確(que)的(de)導熱系數(shu)方程式(shi)或(huo)隨溫度變化的(de)導熱系數(shu)圖表。進行絕熱計算時可采用(yong)GB 50264《工業設備及管(guan)道絕熱工程設計規(gui)范》中附錄A常用(yong)絕熱材料(liao)性能規(gui)定的(de)數(shu)據。



五、綜合選用(yong)


(1)有多種可供選擇的(de)(de)隔(ge)熱材料(liao)時,應首先選用導熱系數小、密(mi)度小、強度相對(dui)高、無腐(fu)蝕性(xing)、損耗小、價(jia)格低、運輸(shu)距離短(duan)、施工條件(jian)好(hao)的(de)(de)制品(pin)。


(2)如不(bu)能(neng)同時滿(man)足,應優先(xian)選用密(mi)度小、綜合經(jing)濟效(xiao)益高的材(cai)料或制(zhi)品。


(3)設備和管道表面溫(wen)度高于或(huo)等(deng)于450℃時,宜選用復(fu)合隔熱材料(liao)制品。


(4)保冷應選用(yong)閉孔(kong)型的材(cai)料制(zhi)品,不(bu)宜選用(yong)纖(xian)維質材(cai)料制(zhi)品。


(5)選用纖維材料制(zhi)品時,除管殼外,氈席類(lei)制(zhi)品應由(you)玻璃布或(huo)鐵絲(si)網(wang)縫制(zhi)。


(6)不宜選用石棉(mian)材料(liao)及其(qi)制品。


(7)隔熱材料(liao)及其制(zhi)品在(zai)長期運行時,材料(liao)無變形、熔化(hua)、焦(jiao)化(hua)、疏脆、松散、失強等現象。



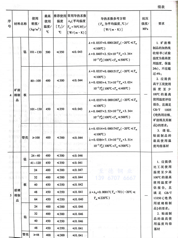
六、常用(yong)保溫(wen)材料的選用(yong)


 常用保溫材料的選用見表7.1.2。







聯系方式.jpg