不銹鋼焊條施焊過程中焊條熔化至整根長度的2/3時,焊條尾部會發紅(甚至藥皮于裂)、飛濺增大、焊縫凸起、焊縫成形惡化、脫渣困難。產生上述現象的主要原因是由于奧氏體不銹(xiu)鋼焊芯的電阻率大、導熱性差;不銹鋼焊接多數采用短弧焊接,所以熔滴過渡形以大熔滴短路過渡較多,而短路過渡期間焊接電流很大,焊芯電阻產生的熱量占電弧熱份很大,奧氏體導熱很慢,隨著焊接時間的增加奧氏體不銹鋼焊芯的電阻熱不斷上升,致使恨至整根焊條長約2/3時,焊條尾部便會發紅。又由于不銹鋼焊芯線脹系數較大(比H08A焊芯的線脹系數大50%),當焊條尾部發紅時,焊芯尺寸有較大的伸長和擴展,使藥皮承受極大的擴脹力(藥皮膨脹系數與焊芯膨脹系數不一致,且藥皮強度低于焊芯的強度)而導致藥皮開裂,使焊條工藝性急劇下降。
為了減少或避免不(bu)銹鋼(gang)焊條(tiao)的尾部發紅和藥皮開裂現象,可采取以下措施。
①. 改變焊(han)芯材(cai)質,采(cai)用鉻不銹鋼(gang)或低碳(tan)鋼(gang)焊(han)芯。例如以H08A為焊(han)芯,在藥(yao)(yao)皮中(zhong)加人了鐵粉和(he)高鉻、鎳的原材(cai)料,通過(guo)藥(yao)(yao)皮過(guo)渡合金元素方(fang)式而獲得高熔敷(fu)效率的不銹鋼(gang)焊(han)條(tiao)(例如A102T不銹鋼(gang)焊(han)條(tiao))。該焊(han)條(tiao)施焊(han)時電弧穩定(ding),熔渣流動良好(hao),脫(tuo)渣容易且藥(yao)(yao)皮不發紅,無藥(yao)(yao)皮開(kai)裂現象。
②. 采用不銹(xiu)鋼焊(han)芯(xin),通過(guo)(guo)改變藥皮成(cheng)分(fen)來提高(gao)電(dian)弧電(dian)壓,熔滴(di)過(guo)(guo)渡(du)形式(shi)采用細滴(di)渣壁過(guo)(guo)渡(du),由于(yu)細小(xiao)(xiao)的(de)(de)(de)熔滴(di)只占焊(han)芯(xin)截面(mian)(mian)的(de)(de)(de)較小(xiao)(xiao)部分(fen),因而(er)使(shi)(shi)焊(han)芯(xin)的(de)(de)(de)熔化加(jia)快(kuai),從而(er)減少電(dian)阻(zu)熱,以降(jiang)低焊(han)芯(xin)表面(mian)(mian)溫(wen)度,使(shi)(shi)藥皮的(de)(de)(de)熔化速(su)度減慢,促使(shi)(shi)其(qi)形成(cheng)深(shen)套(tao)筒(tong)。深(shen)套(tao)筒(tong)的(de)(de)(de)形成(cheng)提高(gao)了(le)電(dian)弧的(de)(de)(de)名義(yi)電(dian)壓,在保(bao)持電(dian)弧功率一定的(de)(de)(de)條件下,即可(ke)減小(xiao)(xiao)焊(han)接(jie)電(dian)流,從而(er)避免了(le)焊(han)條尾部發(fa)紅,并改善(shan)了(le)焊(han)接(jie)的(de)(de)(de)綜合工(gong)藝性能。
可防止焊條發紅、藥皮(pi)開裂的焊條包括 A042Si、A042Mn、A052、A101、A201A、102A和A102T等牌號,詳見(jian)表2-6。





















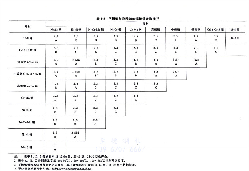
不(bu)(bu)(bu)(bu)銹(xiu)(xiu)(xiu)鋼(gang)(gang)(gang)焊(han)(han)(han)條(tiao)(tiao)(tiao)(tiao)的(de)(de)(de)(de)選擇見表(biao)(biao)(biao)2-5(含(han)力(li)學性(xing)能和熱處理(li)要求(qiu))、表(biao)(biao)(biao)2-6(含(han)焊(han)(han)(han)條(tiao)(tiao)(tiao)(tiao)牌號與(yu)型號的(de)(de)(de)(de)對應關(guan)系(xi))、表(biao)(biao)(biao)2-8(不(bu)(bu)(bu)(bu)銹(xiu)(xiu)(xiu)鋼(gang)(gang)(gang)與(yu)異種鋼(gang)(gang)(gang)的(de)(de)(de)(de)焊(han)(han)(han)接焊(han)(han)(han)條(tiao)(tiao)(tiao)(tiao)的(de)(de)(de)(de)選擇原則)、表(biao)(biao)(biao)2-9(適(shi)用于奧氏(shi)體不(bu)(bu)(bu)(bu)銹(xiu)(xiu)(xiu)鋼(gang)(gang)(gang)之間(jian)的(de)(de)(de)(de)焊(han)(han)(han)接)、表(biao)(biao)(biao)2-10(適(shi)用于不(bu)(bu)(bu)(bu)同牌號的(de)(de)(de)(de)奧氏(shi)體不(bu)(bu)(bu)(bu)銹(xiu)(xiu)(xiu)鋼(gang)(gang)(gang)之間(jian)的(de)(de)(de)(de)焊(han)(han)(han)接)、表(biao)(biao)(biao)2-11(不(bu)(bu)(bu)(bu)銹(xiu)(xiu)(xiu)鋼(gang)(gang)(gang)壓力(li)容器焊(han)(han)(han)條(tiao)(tiao)(tiao)(tiao)電(dian)弧焊(han)(han)(han)用焊(han)(han)(han)條(tiao)(tiao)(tiao)(tiao)選擇)、表(biao)(biao)(biao)2-13(適(shi)用于焊(han)(han)(han)接不(bu)(bu)(bu)(bu)銹(xiu)(xiu)(xiu)鋼(gang)(gang)(gang)復(fu)合板(ban)時焊(han)(han)(han)條(tiao)(tiao)(tiao)(tiao)的(de)(de)(de)(de)選用)、表(biao)(biao)(biao)2-14(鐵素體不(bu)(bu)(bu)(bu)銹(xiu)(xiu)(xiu)鋼(gang)(gang)(gang)、馬氏(shi)體不(bu)(bu)(bu)(bu)銹(xiu)(xiu)(xiu)鋼(gang)(gang)(gang)焊(han)(han)(han)接用焊(han)(han)(han)條(tiao)(tiao)(tiao)(tiao)),不(bu)(bu)(bu)(bu)銹(xiu)(xiu)(xiu)鋼(gang)(gang)(gang)與(yu)異種鋼(gang)(gang)(gang)之間(jian)的(de)(de)(de)(de)焊(han)(han)(han)接鋼(gang)(gang)(gang)材分(fen)類分(fen)組見表(biao)(biao)(biao)2-12。國外(wai)(wai)鐵素體不(bu)(bu)(bu)(bu)銹(xiu)(xiu)(xiu)鋼(gang)(gang)(gang)焊(han)(han)(han)條(tiao)(tiao)(tiao)(tiao)的(de)(de)(de)(de)選用見表(biao)(biao)(biao)2-15,國外(wai)(wai)馬氏(shi)體不(bu)(bu)(bu)(bu)銹(xiu)(xiu)(xiu)鋼(gang)(gang)(gang)焊(han)(han)(han)條(tiao)(tiao)(tiao)(tiao)的(de)(de)(de)(de)選用見表(biao)(biao)(biao)2-16。






