Cr18Ni13Mo3不(bu)銹(xiu)鋼用作(zuo)外科植入物的制造,表面經91香蕉視頻app:機械拋光91香蕉視頻app:電化學拋光91香蕉視頻app:化學鈍化,工藝(yi)還(huan)不(bu)夠(gou)完善,特別是鈍化工藝(yi),行業(ye)內的差距很大。為(wei)此(ci),齊寶芬對外科植入(ru)物不(bu)銹鋼產品的鈍化條件進行了實驗(yan)探索,得出(chu)一些實際使(shi)用的結果。


1. 鈍化液的選擇


  試樣材料為Cr18Ni13Mo3、Cr18Ni14Mo3、Cr18Ni15Mo3等(deng)制作(zuo)的(de)(de)(de)骨(gu)(gu)連接(jie)(jie)用接(jie)(jie)骨(gu)(gu)板、接(jie)(jie)骨(gu)(gu)螺(luo)釘(ding)及髓(sui)內釘(ding)(梅花針(zhen))。實驗鈍(dun)(dun)化(hua)(hua)液(ye)(ye)的(de)(de)(de)兩(liang)(liang)種配方(fang)見表(biao)(biao)6-2,表(biao)(biao)6-2列出不銹(xiu)(xiu)鋼(gang)產(chan)品(pin)30℃鈍(dun)(dun)化(hua)(hua)后(hou)的(de)(de)(de)表(biao)(biao)面點(dian)蝕電位(wei)(wei)(mV),試樣經機械拋光(guang)(800#砂紙(zhi)+布(bu)拋光(guang))、清洗、干燥后(hou)分別(bie)放入(ru)(ru)兩(liang)(liang)類鈍(dun)(dun)化(hua)(hua)液(ye)(ye)中,鈍(dun)(dun)化(hua)(hua)后(hou)測定不銹(xiu)(xiu)鋼(gang)的(de)(de)(de)耐腐(fu)蝕性能(neng)Eb值(表(biao)(biao)面點(dian)蝕電位(wei)(wei))。如(ru)表(biao)(biao) 6-2 的(de)(de)(de)Eb值所示,兩(liang)(liang)種鈍(dun)(dun)化(hua)(hua)液(ye)(ye)在相同條件下鈍(dun)(dun)化(hua)(hua)的(de)(de)(de)樣品(pin)點(dian)蝕電位(wei)(wei)Eb值都無明(ming)最差異。理(li)論上(shang),目前(qian)對(dui)鈍(dun)(dun)化(hua)(hua)膜(mo)(mo)(mo)的(de)(de)(de)成膜(mo)(mo)(mo)機理(li)有(you)多(duo)種解釋,其中之一是產(chan)品(pin)鈍(dun)(dun)化(hua)(hua)后(hou)表(biao)(biao)面為含(han)有(you)鉻的(de)(de)(de)氧化(hua)(hua)膜(mo)(mo)(mo),鉻的(de)(de)(de)存在對(dui)形成氧化(hua)(hua)膜(mo)(mo)(mo)起重(zhong)要作(zuo)用。不銹(xiu)(xiu)鋼(gang)產(chan)品(pin)含(han)鉻量(liang)為17%~20%,有(you)是夠的(de)(de)(de)鉻參與成膜(mo)(mo)(mo),故鈍(dun)(dun)化(hua)(hua)液(ye)(ye)中是否加入(ru)(ru)重(zhong)鉻酸(suan)鉀(K2C2O3)對(dui)鈍(dun)(dun)化(hua)(hua)膜(mo)(mo)(mo)的(de)(de)(de)性能(neng)影響不大(da)。目前(qian)英美(mei)等(deng)國對(dui)外科植入(ru)(ru)物(wu)不銹(xiu)(xiu)鋼(gang)產(chan)品(pin)的(de)(de)(de)純化(hua)(hua)也都共同推薦硝(xiao)酸(suan)水(shui)溶液(ye)(ye)的(de)(de)(de)鈍(dun)(dun)化(hua)(hua)配方(fang)。


表 2.jpg




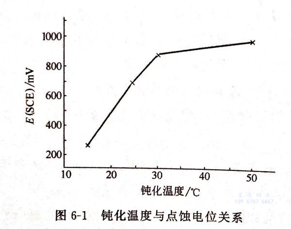
2. 鈍化液溫度(du)的(de)選擇


  化學反應速率隨(sui)溫度(du)(du)的(de)(de)升高而加(jia)快(kuai)。鈍化液中硝酸隨(sui)溫度(du)(du)的(de)(de)升高而揮發(fa)增大。因此,基于實(shi)際(ji)可(ke)操作性為(wei)原則(ze),選擇(ze)溫度(du)(du)在(zai)(zai)50℃以(yi)下(xia)。實(shi)驗(yan)在(zai)(zai)硝酸20%,時(shi)間2小時(shi),不同的(de)(de)溫度(du)(du)鈍化后測出不銹鋼的(de)(de)點(dian)(dian)蝕電(dian)位Eb,見(jian)圖6-1,從曲線可(ke)見(jian),50℃時(shi)的(de)(de)點(dian)(dian)蝕電(dian)位最(zui)高,30℃時(shi)的(de)(de)點(dian)(dian)蝕電(dian)位稍低,30℃以(yi)下(xia)的(de)(de)點(dian)(dian)蝕電(dian)位急劇下(xia)降,30℃以(yi)下(xia)的(de)(de)溫度(du)(du)不可(ke)取,50℃時(shi)的(de)(de)產品耐蝕性最(zui)好。


圖 1.jpg




3. 鈍化時間的(de)選擇


①. 實(shi)驗是在25%硝酸+2.5%重鉻(ge)酸鉀的(de)鈍化(hua)(hua)液(ye)中(zhong)(zhong),溫度30℃時,鈍化(hua)(hua)時間分別(bie)為2h、4h、6h、12h的(de)條件下鈍化(hua)(hua)后,在0.9%氯化(hua)(hua)鈉水溶(rong)液(ye)中(zhong)(zhong)于(37±1)℃電化(hua)(hua)學測試得樣品的(de)點蝕電位,見(jian)圖6-2。


  從圖6-2可見,鈍(dun)化6小(xiao)時(shi)的點(dian)蝕(shi)(shi)電(dian)(dian)位(wei)達到(dao)最(zui)高值,且平(ping)行試樣測試中的點(dian)蝕(shi)(shi)電(dian)(dian)位(wei)重現性(xing)(xing)好,產品(pin)耐蝕(shi)(shi)性(xing)(xing)能(neng)穩定(ding)。若(ruo)鈍(dun)化時(shi)間過短,如2小(xiao)時(shi),則(ze)同(tong)批產品(pin)中鈍(dun)化性(xing)(xing)能(neng)質量不穩定(ding),點(dian)蝕(shi)(shi)電(dian)(dian)位(wei)差異較大(da)。


圖 2.jpg


②. 第二(er)個實驗是在20%硝酸鈍化(hua)液中,鈍化(hua)溫度為(wei)50℃下,選擇不同的(de)時間鈍化(hua)后,其在相同的(de)條(tiao)件下測得的(de)點蝕電位見圖6-3。


從圖(tu)6-3可(ke)見,在(zai)鈍(dun)化溫度50℃,鈍(dun)化時(shi)(shi)間(jian)以30~60分鐘時(shi)(shi)的點蝕電位高且穩定,鈍(dun)化性能好。



4. 外科植入不銹鋼(gang)產品鈍化工藝


 鈍(dun)化液應選(xuan)用 20%~30%硝酸溶液,溫(wen)度(du)(du)50℃時鈍(dun)化時間為(wei) 30~60分鐘,溫(wen)度(du)(du)30℃時鈍(dun)化時間為(wei)6小時。