提高材料的91香蕉視頻app:耐腐蝕性是(shi)(shi)預防或(huo)減緩腐(fu)蝕(shi)發生的根本(ben)措施。通過改(gai)(gai)變(bian)材(cai)料(liao)化學成(cheng)(cheng)分、結(jie)構組織(zhi)等(deng)措施提(ti)高材(cai)料(liao)的耐腐(fu)蝕(shi)性(xing)成(cheng)(cheng)本(ben)是(shi)(shi)巨大的。由(you)于材(cai)料(liao)的腐(fu)蝕(shi)是(shi)(shi)從(cong)表(biao)(biao)面(mian)(mian)開(kai)始,因此,人們(men)從(cong)改(gai)(gai)變(bian)表(biao)(biao)面(mian)(mian)性(xing)能(neng)開(kai)始,提(ti)高材(cai)料(liao)耐腐(fu)蝕(shi)性(xing)。目前,材(cai)料(liao)表(biao)(biao)面(mian)(mian)改(gai)(gai)性(xing)的主要(yao)方法有(you)熱(re)處理(li)(li)、表(biao)(biao)面(mian)(mian)涂(tu)覆、電(dian)鍍、機械表(biao)(biao)面(mian)(mian)強化等(deng)。機械表(biao)(biao)面(mian)(mian)強化屬于物理(li)(li)強化的一(yi)種(zhong),具有(you)成(cheng)(cheng)本(ben)低、綠(lv)色無污染、實(shi)用性(xing)強等(deng)特(te)點。


1. 實驗設計


  為進一步研究超聲滾壓對材料性能的影響,特別是耐腐蝕性能的影響,浙江至德鋼業有限公司以S30408不銹鋼為實驗材料,以人工模擬的工業冷卻水為介質,進行了實驗研究。


  材料采用厚度為2mm的不(bu)銹鋼板,其化學成分見表7-1,采用超聲滾壓加工技術對材料的單面進行表面處理,材料加工前后外觀如圖7-2所示,經超聲表面滾壓后,用肉眼觀察,材料表面光潔度明顯增大,如同“鏡面”,但是也可以觀察到加工“刀痕”。對不同試樣,主要改變步距這個參數,工具頭的線速度和靜壓力均相等,分別是2m/min和0.1MPa,步距分別為0.05mm、0.10mm、0.15mm,0.20mm和0.25mm.隨著步距的減小,材料的光潔度增大,“刀痕”越來越不明顯。


2.jpg



2. 表(biao)面粗糙度


  為了(le)研(yan)究超聲(sheng)表(biao)面(mian)(mian)(mian)滾壓(ya)對表(biao)面(mian)(mian)(mian)質量的(de)影響,首先采用光學顯微鏡觀(guan)察表(biao)面(mian)(mian)(mian)形(xing)貌,其(qi)次采用TR-200觸針式粗糙度檢(jian)測(ce)儀測(ce)Ra數(shu)值。放大200倍后,試(shi)樣(yang)表(biao)面(mian)(mian)(mian)形(xing)貌如圖(tu)7-3所示(shi)。其(qi)中,圖(tu)7-3(f)為原始(shi)試(shi)樣(yang),表(biao)面(mian)(mian)(mian)條狀(zhuang)加(jia)工痕跡清晰(xi)可見;圖(tu)7-3(a)~(e)為不(bu)同(tong)步(bu)距(ju)下超聲(sheng)滾壓(ya)后的(de)表(biao)面(mian)(mian)(mian)形(xing)貌。從(cong)圖(tu)中可以看出,試(shi)樣(yang)表(biao)面(mian)(mian)(mian)滾壓(ya)而(er)形(xing)成(cheng)了(le)光滑的(de)金(jin)屬層,但(dan)是新形(xing)成(cheng)的(de)金(jin)屬表(biao)面(mian)(mian)(mian)還(huan)存在一定的(de)缺陷(xian),但(dan)隨著步(bu)距(ju)的(de)減小,缺陷(xian)數(shu)量減少(shao),尺寸減小。


  在(zai)試樣表面(mian)隨機(ji)選取(qu)3個位置進行粗糙(cao)度測試,取(qu)平(ping)均值作為最終結果,各試樣的Ra數值如(ru)表7-2所示。




  圖7-4為(wei)不同步距下超聲滾(gun)壓試(shi)樣表(biao)面(mian)(mian)粗(cu)糙(cao)度(du)(du)(du)的(de)變化。從圖中可以(yi)看出,加(jia)工(gong)步距對表(biao)面(mian)(mian)粗(cu)糙(cao)度(du)(du)(du)有重要的(de)影響,表(biao)面(mian)(mian)粗(cu)糙(cao)度(du)(du)(du)隨(sui)著加(jia)工(gong)步距的(de)減小(xiao)而減小(xiao),表(biao)面(mian)(mian)粗(cu)糙(cao)度(du)(du)(du)可降(jiang)低到0.037μm.未(wei)處(chu)(chu)理表(biao)面(mian)(mian)粗(cu)糙(cao)度(du)(du)(du)Ra為(wei)0.283μm,與未(wei)處(chu)(chu)理表(biao)面(mian)(mian)相比較,處(chu)(chu)理表(biao)面(mian)(mian)因被(bei)碾(nian)壓而形(xing)成光滑的(de)金屬層,從而降(jiang)低了表(biao)面(mian)(mian)粗(cu)糙(cao)度(du)(du)(du)。


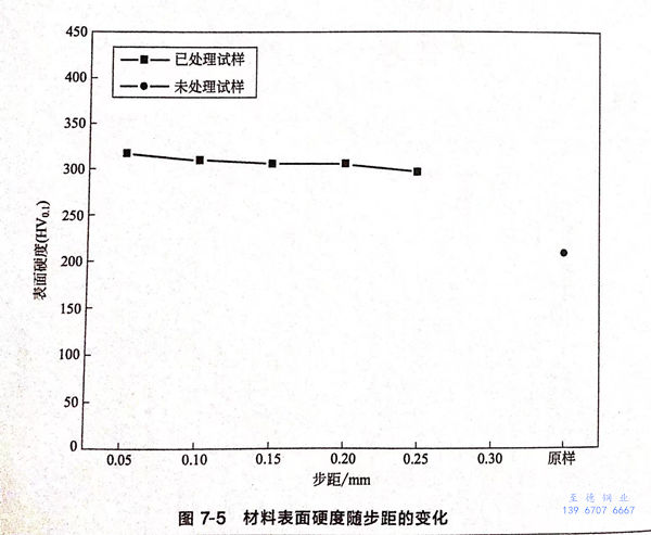
3. 表面硬度


  鍍層的(de)硬(ying)(ying)(ying)度(du)(du)采用(yong)帶有金剛石壓頭的(de)HV-1000型顯微硬(ying)(ying)(ying)度(du)(du)計來測定(ding)。其方法是用(yong)金剛石壓頭在鍍層表(biao)面(mian)壓一個四角棱錐(zhui)形(xing)凹(ao)痕,在顯微鏡下放大(da)400倍觀(guan)察。實驗時,加(jia)載(zai)載(zai)荷為0.1HV(0.9807N),持續時間10s.每個試樣測量3次,取平均值。圖7-5為硬(ying)(ying)(ying)度(du)(du)測量結(jie)果(guo),未(wei)處理表(biao)面(mian)的(de)硬(ying)(ying)(ying)度(du)(du)是210HV;超聲波處理后,材料的(de)表(biao)面(mian)硬(ying)(ying)(ying)度(du)(du)最大(da)可達317HV.從圖中可以看(kan)出,顯微硬(ying)(ying)(ying)度(du)(du)隨步(bu)距的(de)減小而增大(da),但影響(xiang)較小。硬(ying)(ying)(ying)度(du)(du)提(ti)高可歸因于晶粒細化(hua)、加(jia)工硬(ying)(ying)(ying)化(hua)及晶體組織(zhi)變化(hua)的(de)共同作用(yong)。


5.jpg



4. 耐(nai)腐蝕(shi)性(xing)


 采(cai)用(yong)(yong)電(dian)化(hua)學技術分析(xi)材料處理表面(mian)(mian)的(de)耐腐蝕性能,測量了動(dong)電(dian)位極(ji)(ji)(ji)化(hua)曲線(xian)。實驗(yan)采(cai)用(yong)(yong)三電(dian)極(ji)(ji)(ji)體系(xi):待(dai)測試(shi)樣(yang)(yang)為(wei)工(gong)作(zuo)電(dian)極(ji)(ji)(ji),氧(yang)化(hua)汞電(dian)極(ji)(ji)(ji)為(wei)參比電(dian)極(ji)(ji)(ji),箔(bo)片電(dian)極(ji)(ji)(ji)為(wei)輔(fu)助電(dian)極(ji)(ji)(ji)。工(gong)作(zuo)電(dian)極(ji)(ji)(ji)是尺寸為(wei)10mmx10mm的(de)試(shi)樣(yang)(yang),將(jiang)銅線(xian)與試(shi)樣(yang)(yang)焊接,采(cai)用(yong)(yong)混(hun)合的(de)A、B環氧(yang)樹(shu)脂封裝(zhuang)試(shi)樣(yang)(yang),只保留超聲(sheng)(sheng)加(jia)工(gong)面(mian)(mian)為(wei)工(gong)作(zuo)面(mian)(mian)。對(dui)于未處理試(shi)樣(yang)(yang),采(cai)用(yong)(yong)300、500、800的(de)砂紙打磨。封裝(zhuang)完后,所(suo)有試(shi)樣(yang)(yang)先采(cai)用(yong)(yong)去離子水超聲(sheng)(sheng)清洗(xi),再采(cai)用(yong)(yong)酒(jiu)精清洗(xi)風(feng)干,放干燥皿中備(bei)用(yong)(yong),試(shi)樣(yang)(yang)如(ru)(ru)圖7-6所(suo)示。腐蝕介(jie)質(zhi)是CaCl+NaHCO3配(pei)制成0.4g/L的(de)CaCO3溶液(ye),Cl-的(de)含(han)量為(wei)248mg/kg,pH值7.5~8.5.電(dian)化(hua)學實驗(yan)在室(shi)溫下進行,掃描速度(du)為(wei)10mV/s.試(shi)樣(yang)(yang)的(de)動(dong)電(dian)位極(ji)(ji)(ji)化(hua)曲線(xian)如(ru)(ru)圖7-7所(suo)示。


6.jpg


  從圖(tu)7-7中可以看出,經USRP處(chu)理的(de)(de)樣(yang)式,其維鈍(dun)(dun)電(dian)流(liu)密(mi)度(du)減小(xiao),腐(fu)(fu)蝕(shi)(shi)(shi)(shi)(shi)速度(du)降(jiang)低。未(wei)處(chu)理試(shi)樣(yang)的(de)(de)腐(fu)(fu)蝕(shi)(shi)(shi)(shi)(shi)電(dian)位約為-179mV,加(jia)(jia)(jia)工(gong)步(bu)距為0.05mm和0.10mm的(de)(de)試(shi)樣(yang)腐(fu)(fu)蝕(shi)(shi)(shi)(shi)(shi)電(dian)位約為-160mV,加(jia)(jia)(jia)工(gong)步(bu)距為0.25mm的(de)(de)試(shi)樣(yang)腐(fu)(fu)蝕(shi)(shi)(shi)(shi)(shi)電(dian)位約為-210mV.從以上實驗數(shu)據可以看出,處(chu)理試(shi)樣(yang)的(de)(de)腐(fu)(fu)蝕(shi)(shi)(shi)(shi)(shi)電(dian)位和維鈍(dun)(dun)電(dian)流(liu)密(mi)度(du)的(de)(de)變(bian)化規律與加(jia)(jia)(jia)工(gong)步(bu)距之間不(bu)成線性(xing)關系,因此(ci),并(bing)不(bu)是粗糙度(du)越小(xiao),耐(nai)腐(fu)(fu)蝕(shi)(shi)(shi)(shi)(shi)性(xing)越好。但(dan)是,加(jia)(jia)(jia)工(gong)步(bu)距為0.05mm的(de)(de)試(shi)樣(yang)(粗糙度(du)值最小(xiao)),腐(fu)(fu)蝕(shi)(shi)(shi)(shi)(shi)電(dian)位最大、維鈍(dun)(dun)電(dian)流(liu)密(mi)度(du)最小(xiao),因此(ci),其耐(nai)點蝕(shi)(shi)(shi)(shi)(shi)性(xing)能最好、腐(fu)(fu)蝕(shi)(shi)(shi)(shi)(shi)速率最小(xiao),與未(wei)處(chu)理試(shi)樣(yang)比較,工(gong)步(bu)距為0.25mm的(de)(de)試(shi)樣(yang),其點蝕(shi)(shi)(shi)(shi)(shi)電(dian)位反而降(jiang)低,這可能是在超聲表面(mian)加(jia)(jia)(jia)工(gong)過程中,造成鈍(dun)(dun)化膜的(de)(de)不(bu)均(jun)性(xing)引起的(de)(de),如圖(tu)7-3(e)所示(shi)。


a. 表面粗糙度(du)和硬度(du)


   經超(chao)聲滾壓(ya)處(chu)理后,材料表面形成(cheng)的新光滑的金屬(shu)層使表面粗(cu)糙(cao)度降低。表面粗(cu)糙(cao)度隨(sui)著步距的減小(xiao)而減小(xiao),最小(xiao)為0.037μm,與原(yuan)樣比較(jiao),降低了87%.


b. 表面硬度(du)提高


   試樣經USRP處(chu)理后,表面硬(ying)度最大(da)可(ke)提高(gao)51%,但加工(gong)步距對(dui)表面硬(ying)度的影(ying)響較小(xiao)。


c. 耐(nai)腐蝕性


   超聲滾壓表面處理使不銹鋼在循環(huan)水中的腐蝕(shi)電流(liu)密度降低(di)。當加(jia)工步(bu)距為0.05mm時,S30408不銹鋼的耐腐蝕(shi)性(xing)最好,步(bu)距對耐腐蝕(shi)性(xing)能影響較小。