91香蕉视频app

英科耐爾|Inconel

inconel產品(pin)的(de)(de)(de)(de)(de)均(jun)勻腐(fu)蝕(shi)(shi)可以(yi)發生在(zai)酸性或熱的(de)(de)(de)(de)(de)堿(jian)性溶液。通過這種機(ji)制可以(yi)預計(ji)的(de)(de)(de)(de)(de)虧損(sun),并在(zai)設計(ji)允許的(de)(de)(de)(de)(de)。inconel產品(pin)的(de)(de)(de)(de)(de)腐(fu)蝕(shi)(shi)速(su)率(lv)非常慢時,該(gai)金(jin)屬是在(zai)被動(dong)狀態,一般的(de)(de)(de)(de)(de)是耐腐(fu)蝕(shi)(shi)性更好地較大的(de)(de)(de)(de)(de)鉻含(han)量(liang),但其(qi)他(ta)的(de)(de)(de)(de)(de)溶質(zhi)可以(yi)是有害的(de)(de)(de)(de)(de)。

產品分類 / 用途

00Cr20Ni60Mo8Nb3Ti(Inconel 725 )


(00Cr20Ni60Mo8Nb3Ti)Inconel 725 合金是一(yi)種既(ji)具(ju)有(you)高耐蝕性(xing)(xing)(xing)又可時(shi)(shi)效(xiao)(xiao)硬化(hua)(hua)到(dao)(dao)極高強(qiang)度的(de)Ni-Cr-Mo-Nb-Ti- Al耐蝕合(he)金。此(ci)合(he)金的(de)耐蝕性(xing)(xing)(xing)基(ji)本上與(yu)已(yi)廣泛使用(yong)的(de)Inconel 625合(he)金一(yi)致,時(shi)(shi)效(xiao)(xiao)硬化(hua)(hua)處(chu)理的(de)725合(he)金的(de)強(qiang)度水(shui)平是625合(he)金的(de)2倍(bei),并且其(qi)塑韌(ren)(ren)性(xing)(xing)(xing)仍保持較高的(de)水(shui)平。對于在腐(fu)蝕環境中應用(yong),既(ji)要求(qiu)具(ju)有(you)優異耐蝕性(xing)(xing)(xing)又要求(qiu)具(ju)有(you)高強(qiang)和高的(de)塑韌(ren)(ren)性(xing)(xing)(xing)的(de)服役條件,一(yi)些大型部(bu)件或截面尺寸不(bu)(bu)均勻的(de)部(bu)件不(bu)(bu)能(neng)釆用(yong)冷加工的(de)強(qiang)化(hua)(hua)措(cuo)施,這種時(shi)(shi)效(xiao)(xiao)硬化(hua)(hua)型鐐基(ji)耐蝕合(he)金不(bu)(bu)失是一(yi)種最佳選擇。Inconel 725合(he)金已(yi)在酸性(xing)(xing)(xing)氣田(tian)開發中得(de)到(dao)(dao)成功應用(yong)。


一、化學成分特點和組織結構


(00Cr20Ni60Mo8Nb3Ti)Inconel 725 合金的(de)(de)化(hua)學成分見表(biao) 8-7。合金的(de)(de) Cr、Ni、Mo、Nb 含量與(yu)625合金基本一(yi)致(zhi),這是此合金的(de)(de)耐蝕特性與(yu)625合金一(yi)致(zhi)的(de)(de)根本原(yuan)因,兩者(zhe)的(de)(de)差別(bie)在于725合金中的(de)(de)碳(tan)(tan)降到0.03%以下,并加(jia)入Ti和Al,前者(zhe)減少了碳(tan)(tan)化(hua)物析出敏(min)感(gan)性而提高耐晶間腐蝕能(neng)(neng)力,后者(zhe)賦(fu)予了合金的(de)(de)時效(xiao)強化(hua)功能(neng)(neng)。


表 8-7.jpg

表 8-8.jpg


 (00Cr20Ni60Mo8Nb3Ti)Inconel 725 合金在固溶退火狀態下為純奧氏體合金,在時效狀態下有碳化物和金屬間相形成,碳化物以M6C為主并有MC和M23C6型碳化物形成,此合金金屬間相為[Ni3(Nb,Ti,Al)],后者為合金的主要時效強化相, 其功能是提高合金的強度。


二(er)、力學(xue)性能


(00Cr20Ni60Mo8Nb3Ti)Inconel 725 合金(jin)的(de)室溫力學性能見表8-106。時效硬化棒材高溫瞬時力學性能見圖 8-92。16~16.5mm棒材(固溶(rong)+時效硬化處理)的(de)高溫瞬時力學性能列于表 8-107。


表 8-106.jpg

表 8-107.jpg


三、耐蝕性能


  1. 全面腐蝕


   在酸溶(rong)液(ye)中,不(bu)同(tong)熱處理(li)狀態的725合金(jin)的耐蝕性列于表8-108,為(wei)了比較 引入了文獻中的625和C-276合金(jin),顯然725合金(jin)的耐蝕性可與退火態的625合金(jin)和 C-276合金(jin)媲美。


表 8-108.jpg


    表 8-109 為725合(he)金在酸性(xing)介(jie)質(zhi)中的(de)(de)耐蝕性(xing)隨(sui)試驗時(shi)間和介(jie)質(zhi)溫(wen)度的(de)(de)變(bian)(bian)化(hua)而 發生的(de)(de)變(bian)(bian)化(hua)。


表 8-109.jpg


   2. 應力腐蝕


   在判定由硫化物引起的應力腐蝕(氫(qing)脆)的標準試驗中(NACET M0177 ),725 合金(jin)(jin)的腐蝕數(shu)據見表8-110。這些數(shu)據指岀725合金(jin)(jin)優于625合金(jin)(jin)和718合金(jin)(jin)。


表 8-110.jpg


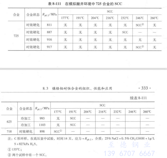
   在模擬(ni)酸性(xing)井環境(jing)中,725合(he)(he)金的應力腐蝕(shi)行為見表8-111 和(he)圖8-93。725 合(he)(he)金的耐SCC性(xing)能優于(yu)冷加工的625合(he)(he)金、G-3合(he)(he)金、925合(he)(he)金、825合(he)(he)金和(he)718 合(he)(he)金,近于(yu)C-276合(he)(he)金。


表 8-111.jpg

圖 8-93.jpg

 

 3. 耐縫(feng)隙腐蝕性能和腐蝕疲勞


    時效狀態(tai)的(de)725合(he)金(jin)的(de)耐縫(feng)隙腐蝕性能(neng)優(you)于(yu)退火態(tai)的(de)625合(he)金(jin)(表(biao)8-112), 在海水(shui)中的(de)疲勞性能(neng)與空氣(qi)中的(de)一(yi)致(圖8-94)。


表 8-112.jpg

圖 8-94.jpg


四、熱(re)處理(li)、熱(re)成型和(he)焊接(jie)性能


    1. 熱處理


 (00Cr20Ni60Mo8Nb3Ti)Inconel 725 合金的強化是依賴于時(shi)效(xiao)(xiao)處理(li)(li) γ''相沉淀實現(xian)的,時(shi)效(xiao)(xiao)前應使合金固溶(rong)退火,然后再施以時(shi)效(xiao)(xiao)處理(li)(li)。



   固(gu)溶(rong)退火(huo):1040℃ 固(gu)溶(rong),AC(空(kong)冷)。


   時效(xiao)處理:對(dui)于酸性氣(qi)井應用, 推薦下述(shu)處理工藝,730℃×8 h 、爐冷 (56℃/h)至(zhi)620℃ × 8h, AC。


   2. 熱成型


  725合金(jin)(jin)的(de)適(shi)宜熱(re)(re)(re)成(cheng)型(xing)溫(wen)度(du)為(wei) 899~1121℃,因其強度(du)高,熱(re)(re)(re)成(cheng)型(xing)設備應(ying)具(ju)有足(zu)夠的(de)變(bian)形力。為(wei)使部(bu)件(jian)具(ju)有均勻一致的(de)變(bian)形,在變(bian)形的(de)低(di)溫(wen)區(890 ~950℃)應(ying)適(shi)度(du)減少壓縮(suo)量。為(wei)了避(bi)免(mian)混(hun)晶結(jie)構(gou),應(ying)給予(yu)合金(jin)(jin)較均勻的(de)壓縮(suo)量,對(dui)于(yu)開口模熱(re)(re)(re)作,最終(zhong)的(de)壓縮(suo)量應(ying)大于(yu)20%,對(dui)于(yu)閉口模熱(re)(re)(re)作,最終(zhong)變(bian)形量應(ying)大于(yu)10% ,熱(re)(re)(re)作后空冷。在熱(re)(re)(re)作過(guo)程(cheng)中(zhong)既(ji)要避(bi)免(mian) 過(guo)熱(re)(re)(re)又要避(bi)免(mian)低(di)于(yu)899℃的(de)冷點(dian)出(chu)現(xian),一旦出(chu)現(xian)表面(mian)裂紋(wen)或其他(ta)缺陷(xian)要即時去(qu)除。建議將(jiang)熱(re)(re)(re)作工具(ju)和模具(ju)預熱(re)(re)(re)到(dao)260℃,對(dui)消除部(bu)件(jian)表面(mian)裂紋(wen)和缺陷(xian)是(shi)有益的(de)。


   3. 焊接


  725合金最適宜的焊接方式是GTAW和GMAW,不推薦使用SAW和SMAW, 充填金屬應采用725NDUR,以確保焊件的強度。表8-113 為采用725NDUR焊絲堆焊1層在 5% NaCI +517kPa H2S +2758kPa CO2, 149℃ 環境下的慢速拉伸試驗數據。表中的數據為在腐蝕環境和空氣中采用相同慢速拉伸參數所獲得的數據 比,通常這個比值在0.90以上是可接受的。表8-114 為725NDUR焊縫金屬 (GMA)的室溫力學性能,表8-115 其沖擊性能。


表 8-113.jpg

表 8-115.jpg



   表8-114 和 表8-115的數據說明,焊后(hou)高溫(wen)退火再經雙時效處理可使(shi)其沖擊韌性明顯提高。


五、物理(li)性能


 (00Cr20Ni60Mo8Nb3Ti)Inconel 725 合(he)金物理性能分(fen)別見(jian)表8-116 ~表8-118。


表 8-116.jpg

表 8-117.jpg


六、應用


  (00Cr20Ni60Mo8Nb3Ti)Inconel 725 合金(jin)集耐腐(fu)蝕性(xing)與(yu)高(gao)強度于(yu)一身,它(ta)主要應用于(yu)耐蝕環(huan)境(jing)的(de)(de)高(gao)強度部件(jian),在酸(suan)性(xing)氣井的(de)(de)環(huan)境(jing)中它(ta)已用作(zuo)懸掛件(jian)、偏心工(gong)作(zuo)筒,拋光座圈(quan)和(he)地面接頭等,用以抵(di)抗(kang)硫化(hua)(hua)氫、氯化(hua)(hua)物和(he)二氧化(hua)(hua)碳的(de)(de)腐(fu)蝕。因(yin)725合金(jin)具有與(yu)625合金(jin)相當的(de)(de)耐蝕性(xing),它(ta)亦是(shi)在海(hai)水(shui)中高(gao)強度緊固(gu)件(jian)的(de)(de)優選材料,在海(hai)水(shui)中提供了良好的(de)(de)耐點蝕、耐縫(feng)隙腐(fu)蝕性(xing)能。此外,此合金(jin)特別適宜用做(zuo)聚合物的(de)(de)擠壓模,在要求高(gao)強度的(de)(de)強腐(fu)蝕環(huan)境(jing)服役條件(jian)下(xia),它(ta)亦提供了高(gao)強度和(he)耐蝕性(xing)的(de)(de)雙重性(xing)能。