球墨鑄(zhu)鐵管件接口配套件型式與尺寸主要有以下(xia)幾種(zhong):


一、接口型式與尺(chi)寸


  1.  DN40~DN1200 T型(xing)接口球鐵管的(de)型(xing)式(shi)見(jian)(jian)圖(tu)(tu)6-2,公稱(cheng)尺寸見(jian)(jian)表6-2;DN1400T型(xing)接口球鐵管的(de)型(xing)式(shi)見(jian)(jian)圖(tu)(tu)6-3,公稱(cheng)尺寸見(jian)(jian)表6-2。


圖 2.jpg


  2.  K 型(xing)接(jie)口球鐵管的型(xing)式見(jian)圖(tu)6-4,公稱尺寸見(jian)表6-3;



  3.  NⅡ 型接口球鐵管的型式見圖6-5,公稱尺寸見表6-4;



  4.  S Ⅱ 型接口球(qiu)鐵管的(de)型式見(jian)圖(tu)6-6,公稱尺寸見(jian)表6-5;


5.jpg



二(er)、接口配套件型式(shi)與尺寸


1. 壓蘭


 ①. 壓蘭型式與尺寸


    a. 適用于(yu)K型接口(kou)的(de)壓蘭型式見(jian)圖6-7,尺寸見(jian)表6-6。


6.jpg


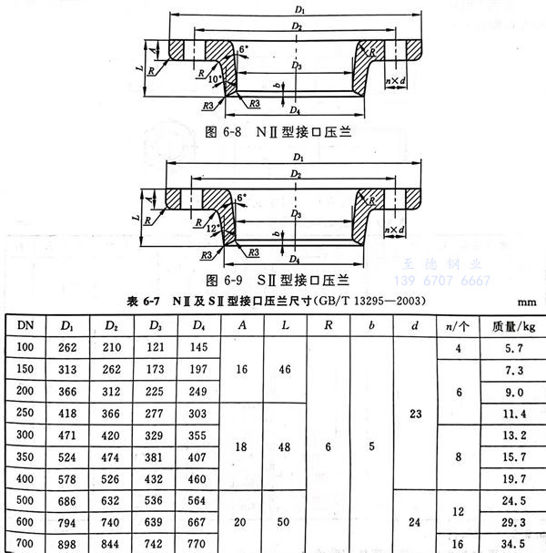
    b. 適(shi)用于NⅡ及S Ⅱ型(xing)接口的(de)壓蘭型(xing)式見圖6-8及圖6-9,尺(chi)寸見表6-7。


7.jpg


 ②. 尺寸允許偏差


    壓蘭尺寸(cun)允許偏(pian)差(cha)(cha)見表 6-8;壓蘭的法蘭尺寸(cun)允許偏(pian)差(cha)(cha)見規定(ding)。


8.jpg


2. 螺栓及六角螺母(mu)


  適用于(yu)以球墨鑄鐵(tie)為材(cai)料,經(jing)過鑄造和機械加(jia)工成(cheng)型的柔性機械接口(kou)與管件用螺(luo)栓和六(liu)角螺(luo)母的型式見圖6-10,尺寸見表(biao)6-9。


9.jpg


3. 密(mi)封件


 a. T 型接(jie)口球鐵(tie)管和(he)管件用(yong)膠圈


    T 型(xing)接口用膠圈的型(xing)式見(jian)圖6-11 和圖6-12,尺寸見(jian)表6-10。



 b.  K 型接口用膠圈


     K 型接口(kou)用膠圈(quan)的(de)型式見圖6-13 ,尺寸見表6-11。


11.jpg


 c. NⅡ型接口用密封件式


     膠圈的(de)型(xing)式見圖6-14 ,尺寸(cun)見表(biao)6-12。


12.jpg


    支撐圈的型式見(jian)圖6-15 ,尺寸見(jian)表6-13。


 d. SⅡ型接口用密封(feng)件式


    密封圈的(de)型式見(jian)(jian)圖(tu)6-16 ,尺(chi)寸見(jian)(jian)表6-14。


14.jpg


    隔離圈的型式見(jian)圖6-17 ,尺寸見(jian)表6-15。


15.jpg


    鎖環的型式見圖6-18 ,尺寸見表6-16。