發布日期:2024-03-01 11:21:41 人氣:468
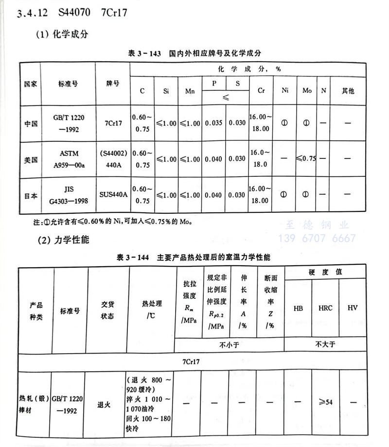
S44070 7Cr17 不銹鋼主要特性和用途
此鋼由于含碳(tan)量較高,所(suo)以在硬(ying)化狀態下較碳(tan)量低者堅硬(ying)。
用于(yu)制造刃具(ju)、量具(ju)和軸承等。