S44091 11Cr17 不銹鋼(gang)主要特性和(he)用途
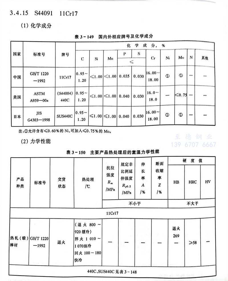
碳含量高(0.95%~1.20%),是目前所有不銹鋼和耐(nai)熱鋼中最(zui)硬的鋼號,淬(cui)火(huo)并回火(huo)后的HRC≥58。
用于制造噴(pen)嘴、軸(zhou)承等。
發(fa)布日(ri)期:2024-03-04 17:24:55 人氣:625
S44091 11Cr17 不銹鋼(gang)主要特性和(he)用途
碳含量高(0.95%~1.20%),是目前所有不銹鋼和耐(nai)熱鋼中最(zui)硬的鋼號,淬(cui)火(huo)并回火(huo)后的HRC≥58。
用于制造噴(pen)嘴、軸(zhou)承等。