新中國成立后,我國不銹(xiu)鋼焊管(guan)工業才有了新生。為了盡快發展我國焊管工業體系,“一五期間”,國家先后從德國和蘇聯引進了三套直縫不銹鋼焊管機組和一套螺旋焊管機組,分別建設在北京、上海、天津和寶雞。這些機組的建設投產,拉開了我國焊管工業發展的序幕。


1. 我國不銹鋼焊管生(sheng)產線(xian)產能情況


  據不完全統計我國現有不(bu)銹鋼焊(han)管生產線約3000條(僅含個別典型不銹鋼鋼管生產線),詳見表7-1,總產能約有7000萬噸,詳見表7-2。直縫埋弧焊接鋼管生產線36條(包括UOE、JCOE、JCO),產能約723萬噸;Φ426mm、方400mm×400mm及以上大口徑高頻直縫不(bu)銹(xiu)鋼焊管(ERW/HFW)生產線32條,產能約691萬噸;ф219~406mm 高頻直縫焊接鋼管(ERW/HFW)生產線約80條,產能約1000萬噸;φ102~180mm 高頻直縫焊接鋼管(ERW/HFW)生產線約420條,產能約2000萬噸;小于φ89mm高頻直縫焊接鋼管(ERW/HFW)生產線約2000多條,產能約1600萬噸;螺旋埋弧焊接鋼管生產線約400條(含預精焊生產線9條),產能約1000萬噸。




2. 我國不銹(xiu)鋼焊管(guan)生產(chan)線產(chan)能按區域分布(bu)情況


  根(gen)據估算(suan)統計,我(wo)國(guo)(guo)焊(han)(han)管(guan)生產(chan)(chan)(chan)(chan)線(xian)約(yue)(yue)3000條(tiao),其中(zhong)(zhong)華北(bei)地(di)(di)(di)(di)區焊(han)(han)管(guan)生產(chan)(chan)(chan)(chan)線(xian)約(yue)(yue)1550條(tiao),產(chan)(chan)(chan)(chan)能約(yue)(yue)2878萬(wan)噸,占(zhan)比約(yue)(yue)60%;華東地(di)(di)(di)(di)區焊(han)(han)管(guan)生產(chan)(chan)(chan)(chan)線(xian)約(yue)(yue)570條(tiao),產(chan)(chan)(chan)(chan)能約(yue)(yue)910萬(wan)噸,占(zhan)比19%,兩個地(di)(di)(di)(di)區合起(qi)來(lai)約(yue)(yue)占(zhan)焊(han)(han)管(guan)總產(chan)(chan)(chan)(chan)能的(de)(de)79%。上述兩個區域生產(chan)(chan)(chan)(chan)線(xian)較高的(de)(de)原因,一是(shi)(shi)(shi)天津的(de)(de)大邱莊(zhuang),歷史上就是(shi)(shi)(shi)我(wo)國(guo)(guo)北(bei)方(fang)地(di)(di)(di)(di)區焊(han)(han)管(guan)的(de)(de)發源地(di)(di)(di)(di),現在是(shi)(shi)(shi)我(wo)國(guo)(guo)焊(han)(han)管(guan)最大的(de)(de)生產(chan)(chan)(chan)(chan)基地(di)(di)(di)(di);二是(shi)(shi)(shi)河北(bei)的(de)(de)滄州(zhou)地(di)(di)(di)(di)區,不僅(jin)焊(han)(han)管(guan)生產(chan)(chan)(chan)(chan)線(xian)數量多而(er)且管(guan)件(jian)(彎頭、三(san)(san)通、法蘭等(deng))也是(shi)(shi)(shi)我(wo)國(guo)(guo)最大的(de)(de)制造基地(di)(di)(di)(di);三(san)(san)是(shi)(shi)(shi)霸州(zhou)勝芳鎮(zhen),是(shi)(shi)(shi)北(bei)方(fang)小口徑焊(han)(han)管(guan)和方(fang)矩形(xing)管(guan)生產(chan)(chan)(chan)(chan)的(de)(de)集聚地(di)(di)(di)(di);四是(shi)(shi)(shi)無(wu)錫錢橋鎮(zhen)也是(shi)(shi)(shi)小口徑焊(han)(han)管(guan)和方(fang)矩形(xing)管(guan)生產(chan)(chan)(chan)(chan)線(xian)集中(zhong)(zhong)地(di)(di)(di)(di)區。


1.jpg

3. 我國主(zhu)要不銹鋼焊管生產(chan)線(xian)和產(chan)能分布情況


  a. 直縫埋弧不銹鋼焊管生產線和產能分布情況如表


  我國直縫(feng)埋弧(hu)(hu)焊接(jie)鋼(gang)管(guan)生產(chan)線(xian)共有36條,產(chan)能合(he)計(ji)723萬(wan)(wan)噸(dun),生產(chan)線(xian)主要分布在華東(dong)和(he)(he)華北地區,上述(shu)兩個(ge)地區產(chan)能分別(bie)為378萬(wan)(wan)噸(dun)和(he)(he)195萬(wan)(wan)噸(dun),占我國直縫(feng)埋弧(hu)(hu)焊接(jie)鋼(gang)管(guan)產(chan)能的52.0%和(he)(he)27.0%。





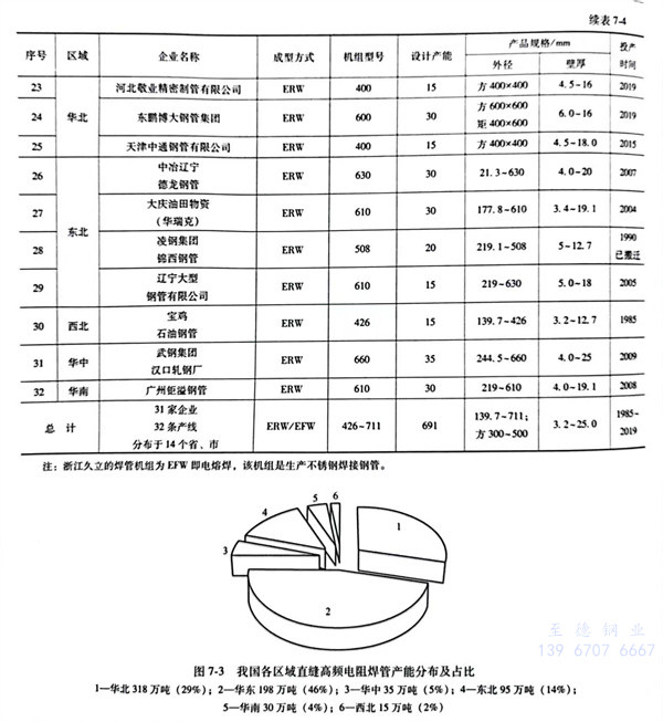
  b. Φ426mm及以上大(da)口徑直縫高頻電阻焊管生產線和產能分布如(ru)表7-4所示(shi)。





  我國(guo)(Φ426mm及以上)ERW/HFW直縫高(gao)頻電阻(zu)焊管生產(chan)線(xian)總計32條,產(chan)能(neng)691萬(wan)(wan)噸,生產(chan)線(xian)主要分(fen)布(bu)在華(hua)(hua)東和(he)華(hua)(hua)北地(di)區。其(qi)中華(hua)(hua)東地(di)區有(you)11條,產(chan)能(neng)198萬(wan)(wan)噸,占(zhan)比28.7%;華(hua)(hua)北地(di)區有(you)14條,產(chan)能(neng)318萬(wan)(wan)噸,占(zhan)比46%。這(zhe)兩個地(di)區合計產(chan)能(neng)516萬(wan)(wan)噸,占(zhan)比74.7%。而我國(guo)西南地(di)區該(gai)類生產(chan)線(xian)處于空白。