引進型600MW 機組及300MW 機組用管件(jian)包括火電廠鍛制、焊制三通及熱壓三通兩種尺寸。


 a. 引(yin)進型(xing)600MW機組鍛(duan)制(zhi)、焊制(zhi)三通結(jie)構型(xing)式(shi)見(jian)圖(tu)13-5,尺寸見(jian)表13-10;引(yin)進型(xing)300MW 機組鍛(duan)制(zhi)、焊制(zhi)三通結(jie)構型(xing)式(shi)見(jian)圖(tu)13-5,尺寸見(jian)表13-11;




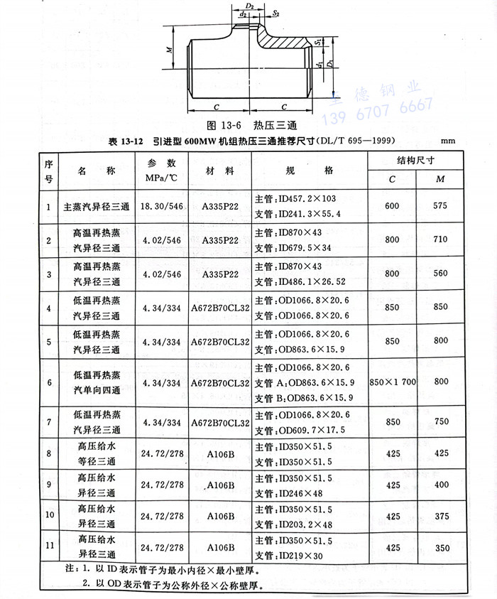
 b. 引進型(xing)600MW 機(ji)組熱(re)壓三(san)通結構型(xing)式(shi)見(jian)(jian)圖(tu)13-6,尺寸(cun)見(jian)(jian)表(biao)13-12;引進型(xing)300MW機(ji)組熱(re)壓三(san)通結構型(xing)式(shi)見(jian)(jian)圖(tu)13-6,尺寸(cun)見(jian)(jian)表(biao)13-13。






聯系方式.jpg