化工鋼制無縫不銹鋼對焊管件結構型式與尺寸見下表


一、管件


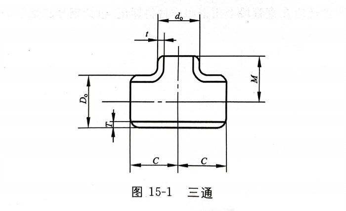
 1. 三(san)通(tong)


  三通型式見圖15-1,公制三通尺寸見表(biao)15-1;英制三通尺寸見表(biao)15-2。


 a. 短半徑彎頭


   短(duan)半(ban)徑彎頭型式見圖15-2,公制三(san)通(tong)尺寸見表15-3;英制三(san)通(tong)尺寸見表15-4。


 b. 長半徑彎(wan)頭


   長半徑彎頭型式見(jian)圖15-3,公制三(san)通(tong)(tong)尺寸(cun)(cun)見(jian)表15-5;英(ying)制三(san)通(tong)(tong)尺寸(cun)(cun)見(jian)表15-6。



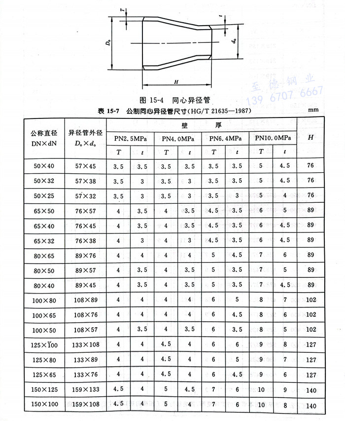
3. 同心異徑管


   同(tong)心(xin)異徑管(guan)型式見圖15-4,公制(zhi)三(san)通尺寸見表15-7;英制(zhi)三(san)通尺寸見表15-8。



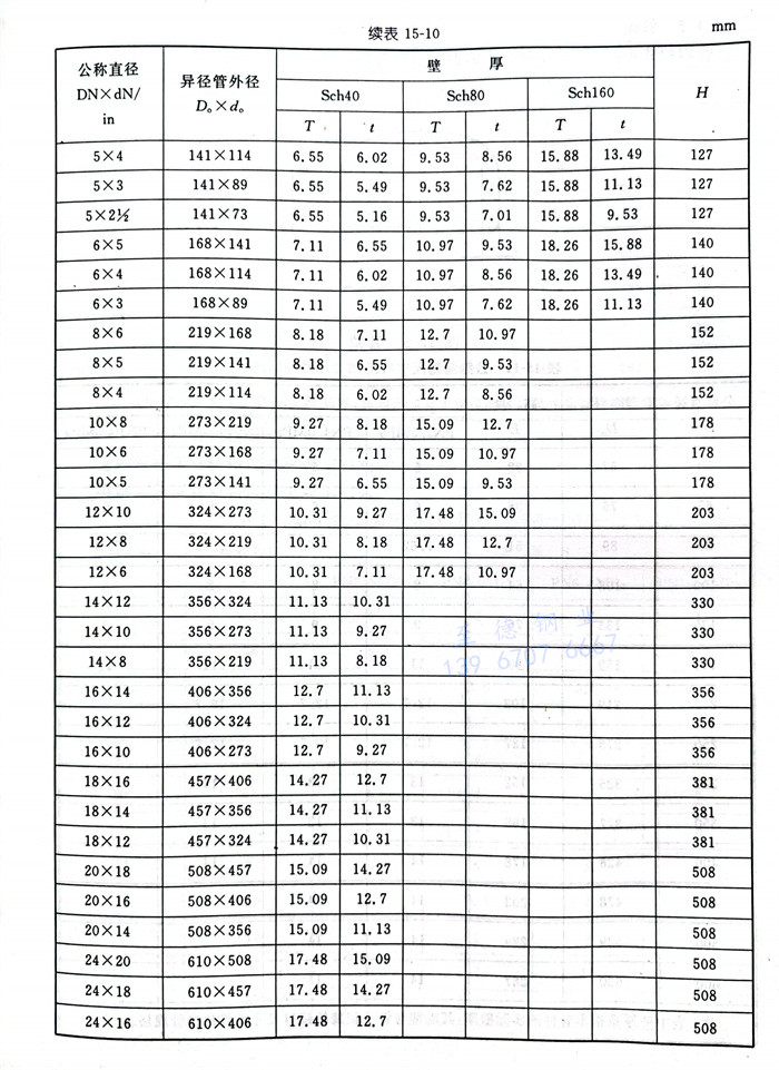
 4. 偏(pian)心異徑管(guan)


   偏心異徑管型式(shi)見(jian)圖15-5,公制三通(tong)尺(chi)寸(cun)(cun)見(jian)表(biao)15-9;英制三通(tong)尺(chi)寸(cun)(cun)見(jian)表(biao)15-10。



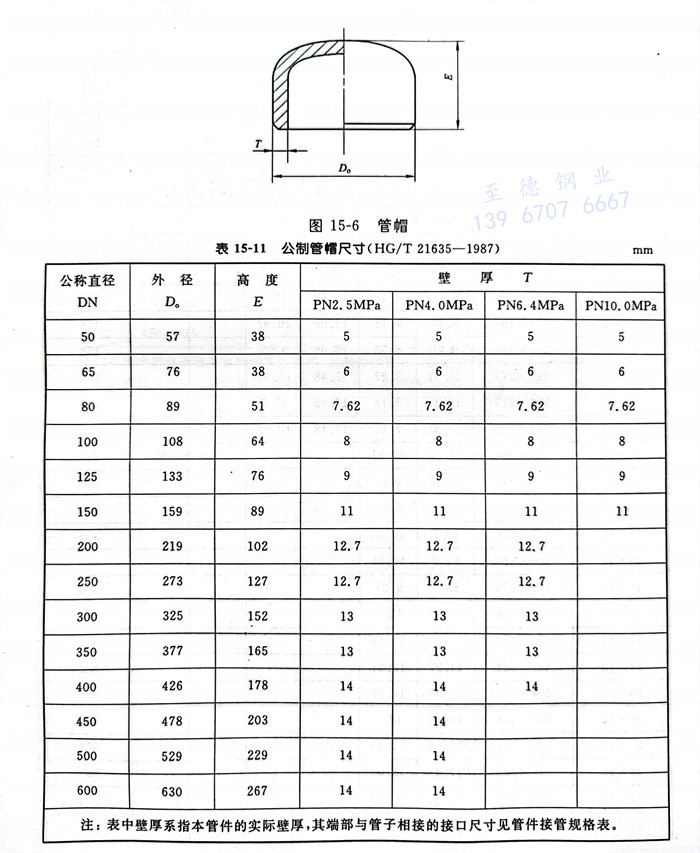
二、管帽(mao)


   管(guan)帽(mao)型式見圖15-6,公(gong)制(zhi)(zhi)三通尺(chi)寸見表(biao)15-11;英(ying)制(zhi)(zhi)三通尺(chi)寸見表(biao)15-12。


三、管件(jian)接管規格尺寸


   公制管(guan)件接管(guan)規格尺寸見(jian)表 15-13


   英(ying)制管件(jian)接管規格尺寸見表 15-14



四(si)、公差


   成型管件主(zhu)要尺寸(cun)偏差見(jian)圖 15-7 及表 15-15.

15.jpg



聯系方式.jpg