1. 大(da)氣暴(bao)曬試驗(yan)


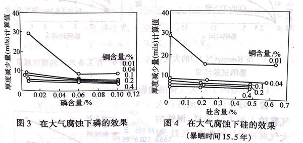
  91香蕉視頻app:耐候鋼具有的優秀特性之一就是耐候性,然而為了知道暴露在大氣中的鋼材怎樣地被腐蝕則需要非常長的時間。如前所述,U.S.Steel公司在各個暴曬試驗場進行了長期的試驗,該公司的Larabee關于合金元素的效果曾經發表過圖1~圖4所示的實驗結果。根據些圖可以知道,對大氣腐蝕最有效果的元素是銅,0.1%銅的鋼和0.01%銅的鋼其耐蝕性顯著不同。現把單獨添加其他合金元素時的效果分別總結如下。





 對提(ti)高耐候性(xing)有顯著(zhu)效果的(de)元素:P、Cu、Cr;


 對提高耐候性稍有效果(guo)的元素:Ni、Mo、V、Nb、Ti 等。


 對提高耐候性沒有(you)效果的元(yuan)素:C、Si、Mn、S。


 在(zai)(zai)這(zhe)里重要的(de)是(shi):這(zhe)些(xie)合金元素復(fu)合添加,可(ke)以獲得比分別單獨添加更高的(de)雙重效果,Cr、P等與(yu)(yu)Cu共存最(zui)初發(fa)揮(hui)作用的(de)結果表示在(zai)(zai)圖2~圖4。復(fu)合添加的(de)代表是(shi)U.S.Steel公司開發(fa)的(de)添加了Cu-P-Cr-Ni的(de)COR-TEN鋼(gang)(gang),把這(zhe)種鋼(gang)(gang)的(de)耐(nai)候性與(yu)(yu)碳素鋼(gang)(gang)及(ji)含銅鋼(gang)(gang)的(de)進行比較,結果表示于圖5。


圖 5.jpg


 日本(ben)與美國相比(bi),一(yi)般來說由于高溫(wen)、潮濕,大氣腐蝕(shi)嚴(yan)重,環(huan)境(jing)條件(jian)比(bi)較嚴(yan)酷。因(yin)此,日本(ben)各公司(si)分別在(zai)(zai)不同環(huan)境(jing)條件(jian)的(de)(de)(de)(de)(de)(de)各地區(qu)(qu)進行(xing)(xing)了暴曬(shai)試(shi)驗(yan)(yan),圖6及圖7分別示出了在(zai)(zai)腐蝕(shi)環(huan)境(jing)嚴(yan)酷的(de)(de)(de)(de)(de)(de)工業地帶尼崎地區(qu)(qu)和環(huan)境(jing)比(bi)較好的(de)(de)(de)(de)(de)(de)半田園地帶的(de)(de)(de)(de)(de)(de)相模原地區(qu)(qu)所獲得的(de)(de)(de)(de)(de)(de)有關COR-TEN鋼(gang)的(de)(de)(de)(de)(de)(de)暴曬(shai)試(shi)驗(yan)(yan)結果。如(ru)果根據這些圖來比(bi)較暴曬(shai)時(shi)(shi)間第(di)7年(nian)(nian)的(de)(de)(de)(de)(de)(de)腐蝕(shi)減(jian)量(liang)時(shi)(shi),尼崎地區(qu)(qu)的(de)(de)(de)(de)(de)(de)場合COR-TEN鋼(gang)只不過是(shi)(shi)碳素鋼(gang)的(de)(de)(de)(de)(de)(de)26%.如(ru)果改(gai)變(bian)方法(fa)來比(bi)較厚度減(jian)少到0.1mm的(de)(de)(de)(de)(de)(de)時(shi)(shi)間時(shi)(shi),COR-TEN鋼(gang)為(wei)5年(nian)(nian)左右,在(zai)(zai)此以后(hou)腐蝕(shi)減(jian)量(liang)大為(wei)下(xia)降;而含銅(tong)鋼(gang)是(shi)(shi)2.5年(nian)(nian),490MPa(50kg/m㎡)級高強度鋼(gang)是(shi)(shi)1年(nian)(nian),碳素鋼(gang)是(shi)(shi)9個(ge)月,而且因(yin)為(wei)COR-TEN鋼(gang)以外(wai)的(de)(de)(de)(de)(de)(de)鋼(gang)種腐蝕(shi)一(yi)直沒(mei)有發生鈍(dun)化(hua),所以使其(qi)差別進一(yi)步增(zeng)大。在(zai)(zai)進行(xing)(xing)鋼(gang)鐵結構物的(de)(de)(de)(de)(de)(de)設計時(shi)(shi),如(ru)果考(kao)慮(lv)鋼(gang)材銹所起到的(de)(de)(de)(de)(de)(de)作用,人們(men)將會容易理解耐候鋼(gang)的(de)(de)(de)(de)(de)(de)優越性(xing)。


圖 7.jpg


 半田園(yuan)地區與工業地區相(xiang)比腐(fu)蝕(shi)量顯著減少,所以耐候(hou)鋼和碳素鋼的腐(fu)蝕(shi)量的差別不太大,然(ran)而這是由于大氣(qi)中(zhong)所含的二氧(yang)化硫濃度在工業地區高的原因。



2. 環境因子對大氣腐蝕的影響(xiang)


像尼崎和(he)相模原地區在(zai)大氣(qi)(qi)腐蝕上的(de)差(cha)別(bie)那樣(yang),鋼鐵的(de)含銅鋼大氣(qi)(qi)腐蝕受氣(qi)(qi)候(hou)要素(氣(qi)(qi)溫、濕耐候(hou)鋼度(du)、降雨量等)或大氣(qi)(qi)污染因子(zi)(zi)(二氧化硫、海鹽粒子(zi)(zi)、沉積煤塵等)等環境因子(zi)(zi)的(de)影(ying)響。


通過這些(xie)公式(shi)可以(yi)說,在任何(he)公式(shi)中二(er)氧(yang)化硫(liu)濃(nong)度的(de)(de)影響最大。根據福井等的(de)(de)研究,如果把(4)、(5)、(6)各式(shi)和實測值(zhi)進行比較時(shi),如表(biao)3出示的(de)(de)式(shi)(6)的(de)(de)簡(jian)略式(shi)的(de)(de)計算值(zhi)與實測值(zhi)非常(chang)一(yi)致,表(biao)明鋼鐵(tie)的(de)(de)大氣腐蝕事實上可以(yi)作為二(er)氧(yang)化硫(liu)濃(nong)度的(de)(de)函數求出來。


表 3.jpg


3. 關于(yu)耐候性的考察(cha)


 如(ru)果(guo)(guo)把不(bu)銹(xiu)(xiu)(xiu)鋼(gang)(gang)暴露在大氣(qi)中時(shi)(shi),就會在表面上生成穩定而且很(hen)薄的(de)(de)(de)氧化覆膜(mo)(鈍(dun)化覆膜(mo)),以(yi)后不(bu)再被氧化,永遠不(bu)會失(shi)去光澤(ze),可是把候(hou)鋼(gang)(gang)放在大氣(qi)中進行(xing)暴曬時(shi)(shi)則生成銹(xiu)(xiu)(xiu),和(he)碳(tan)素(su)鋼(gang)(gang)的(de)(de)(de)外(wai)觀完全不(bu)同。而且在腐(fu)蝕(shi)進行(xing)中一(yi)旦生成某種程度的(de)(de)(de)銹(xiu)(xiu)(xiu)層(ceng)(ceng)時(shi)(shi),耐候(hou)鋼(gang)(gang)的(de)(de)(de)銹(xiu)(xiu)(xiu)層(ceng)(ceng)就會對腐(fu)蝕(shi)起(qi)保護作用,顯著地抑制(zhi)以(yi)后的(de)(de)(de)腐(fu)蝕(shi),然而因為碳(tan)素(su)鋼(gang)(gang)的(de)(de)(de)銹(xiu)(xiu)(xiu)層(ceng)(ceng)沒有這樣的(de)(de)(de)抑制(zhi)效果(guo)(guo),在腐(fu)蝕(shi)量上產(chan)生差異(yi),所以(yi)當然認為耐候(hou)鋼(gang)(gang)的(de)(de)(de)特長就在于這種銹(xiu)(xiu)(xiu)層(ceng)(ceng)的(de)(de)(de)保護效果(guo)(guo)。


 關于這一點,耐候鋼(gang)和(he)碳(tan)素鋼(gang)是同樣的(de)(de)(de),如圖8所示,在腐蝕初期(qi)耐候鋼(gang)的(de)(de)(de)銹(xiu)的(de)(de)(de)生(sheng)成較快。可是隨著長時間暴曬,初期(qi)的(de)(de)(de)紅銹(xiu)在大氣干濕交替之(zhi)中,在鄰接鋼(gang)的(de)(de)(de)表(biao)面部分慢慢形(xing)成帶有(you)藍色的(de)(de)(de)銹(xiu)層,一般也被稱為(wei)“自(zi)涂漆鋼(gang)”。


圖 8.jpg


 像上述那樣進行直觀的考(kao)慮時,可以(yi)認(ren)為在耐(nai)候鋼(gang)上(shang)因為(wei)能(neng)形(xing)成(cheng)致(zhi)密而(er)且(qie)粘(zhan)附性(xing)良好(hao)的(de)銹層,所以能(neng)夠阻礙水、氧、二氧化硫等(deng)腐蝕性(xing)物(wu)質的(de)滲(shen)透。例如(ru)Cadius和(he)Schulz[6]就認為(wei)鋼中含(han)有銅時,在褐色銹的(de)下面能(neng)生成(cheng)致(zhi)密的(de)CuO和(he)FeO、Fe2O3·H2O混合的黑色(se)銹(xiu)層(ceng),在黑色(se)銹(xiu)層(ceng)下面進一步形成(cheng)Cu·CuO層(ceng),通過(guo)這種(zhong)致密銹(xiu)的保(bao)護作用提高了耐蝕性。


 但是,根(gen)據Mayne7的(de)(de)觀(guan)點,即使有致密銹層(ceng)的(de)(de)存在也難以(yi)認為能(neng)(neng)夠充分阻止水和氧的(de)(de)透過,像涂膜之類的(de)(de)物(wu)質,鋼鐵腐蝕(shi)所需(xu)要的(de)(de)水分、氧等的(de)(de)透過速度越充分腐蝕(shi)能(neng)(neng)力(li)越大(da),所以(yi)好(hao)像還不能(neng)(neng)說(shuo)銹層(ceng)阻止透過的(de)(de)能(neng)(neng)力(li)超過涂膜。


 Copson 注意(yi)到圖1出示的銅對鋼鐵的大氣腐蝕的影響顯著,研(yan)究了鋼中的銅量和(he)銹層(ceng)的化學組成之(zhi)間(jian)的關系,結果如圖9所示,通過添加微量0.05%Cu,銹層(ceng)中的SO4-已達到飽和(he),所以認為銅和(he)SO4-按(an)一定比例生成的絡鹽(yan)形成了致密(mi)層(ceng),可是難點(dian)是一直(zhi)沒有掌握絡鹽(yan)的實質。


圖 9.jpg


 如上(shang)所(suo)述可(ke)知(zhi),耐候鋼的(de)(de)所(suo)謂的(de)(de)穩(wen)定銹層由于(yu)致(zhi)密所(suo)以抑制了(le)水或(huo)氧的(de)(de)滲透,大(da)體上(shang)能完全阻止后(hou)續的(de)(de)腐(fu)蝕反應,可(ke)是關于(yu)含有Cu、Cr、P等的(de)(de)耐候鋼上(shang)為什(shen)么能生成致(zhi)密的(de)(de)銹層,并且所(suo)謂這種致(zhi)密性是什(shen)么東西?實際情況一(yi)直沒有確切的(de)(de)說明。在(zai)日本以學振97委員(yuan)會為中心,積(ji)極(ji)進行了(le)試圖(tu)闡明耐候鋼特(te)長的(de)(de)研究,已(yi)經(jing)知(zhi)道有久(jiu)松·增子、下(xia)平(ping)、岡田·細井(jing)等、松島·上(shang)野、小(xiao)若·佐武等以及轟·門等的(de)(de)研究。


 岡田等用(yong)X射(she)線衍射(she)、斷面顯微鏡觀(guan)察、XMA、鐵(tie)銹(xiu)(xiu)試驗(yan)、銹(xiu)(xiu)層(ceng)的(de)(de)(de)(de)(de)電解(jie)還原等方法,研究(jiu)了(le)耐(nai)(nai)候(hou)鋼(gang)(gang)和碳(tan)素(su)鋼(gang)(gang)的(de)(de)(de)(de)(de)銹(xiu)(xiu)層(ceng)特(te)征。其結果是:(1)耐(nai)(nai)候(hou)鋼(gang)(gang)經(jing)5年的(de)(de)(de)(de)(de)暴(bao)曬材的(de)(de)(de)(de)(de)銹(xiu)(xiu)層(ceng)在(zai)(zai)鐵(tie)基體上幾(ji)乎沒有(you)FeOOH存(cun)在(zai)(zai)的(de)(de)(de)(de)(de)部位(wei),在(zai)(zai)FeOOH層(ceng)和鐵(tie)基體之間(jian)能(neng)觀(guan)察到非(fei)常(chang)致密(mi)的(de)(de)(de)(de)(de)層(ceng)。相(xiang)反,在(zai)(zai)碳(tan)素(su)鋼(gang)(gang)的(de)(de)(de)(de)(de)銹(xiu)(xiu)層(ceng)上能(neng)夠(gou)觀(guan)察到FeOOH存(cun)在(zai)(zai)的(de)(de)(de)(de)(de)部位(wei),而且裂紋也多;(2)如果綜合X射(she)線衍射(she)和電解(jie)還原法的(de)(de)(de)(de)(de)結果,在(zai)(zai)耐(nai)(nai)候(hou)鋼(gang)(gang)的(de)(de)(de)(de)(de)銹(xiu)(xiu)的(de)(de)(de)(de)(de)下(xia)層(ceng)存(cun)在(zai)(zai)的(de)(de)(de)(de)(de)致密(mi)層(ceng)是由X射(she)線非(fei)晶質的(de)(de)(de)(de)(de)尖晶石型氧化鐵(tie)構(gou)成的(de)(de)(de)(de)(de);(3)根據XMA檢測,在(zai)(zai)耐(nai)(nai)候(hou)鋼(gang)(gang)中(zhong)所含(han)(han)有(you)的(de)(de)(de)(de)(de)Cu、Cr、P等有(you)效添加元(yuan)素(su)在(zai)(zai)銹(xiu)(xiu)下(xia)層(ceng)的(de)(de)(de)(de)(de)致密(mi)層(ceng)中(zhong)濃縮(suo),根據這(zhe)些實驗(yan)結果銹(xiu)(xiu)層(ceng)的(de)(de)(de)(de)(de)構(gou)造可以用(yong)模式圖表示在(zai)(zai)圖10,并且在(zai)(zai)耐(nai)(nai)候(hou)鋼(gang)(gang)中(zhong)所含(han)(han)有(you)的(de)(de)(de)(de)(de)Cu、Cr、P有(you)效添加元(yuan)素(su)等在(zai)(zai)紅銹(xiu)(xiu)層(ceng)(FeOOH)的(de)(de)(de)(de)(de)下(xia)面濃縮(suo),對穩定非(fei)晶質的(de)(de)(de)(de)(de)類似于磁(ci)鐵(tie)礦的(de)(de)(de)(de)(de)銹(xiu)(xiu)層(ceng)有(you)效果,認為這(zhe)種(zhong)非(fei)晶質銹(xiu)(xiu)層(ceng)是耐(nai)(nai)候(hou)鋼(gang)(gang)的(de)(de)(de)(de)(de)防蝕(shi)作用(yong)的(de)(de)(de)(de)(de)本質。


 轟(hong)·門等所(suo)進行的(de)(de)(de)耐候鋼(gang)(gang)銹(xiu)層(ceng)結構分析的(de)(de)(de)結果(guo)表明,用X射線(xian)衍射檢測出了(le)α-FeOOH、y-FeOOH及Fe3O4,雖然和碳(tan)素(su)鋼(gang)(gang)相比沒有(you)變化,可是(shi)在(zai)(zai)XMA面(mian)分析上看(kan)到了(le)Cu、Cr、P以及S的(de)(de)(de)濃(nong)縮(suo),特別(bie)是(shi)硫(liu)的(de)(de)(de)濃(nong)縮(suo)比碳(tan)素(su)鋼(gang)(gang)顯(xian)著。就是(shi)說,碳(tan)素(su)鋼(gang)(gang)的(de)(de)(de)硫(liu)的(de)(de)(de)濃(nong)縮(suo)在(zai)(zai)外層(ceng)部分多,而耐候鋼(gang)(gang)的(de)(de)(de)S的(de)(de)(de)濃(nong)縮(suo)在(zai)(zai)全(quan)體銹(xiu)層(ceng)中均(jun)勻分布,而且(qie)與碳(tan)素(su)鋼(gang)(gang)相比硫(liu)的(de)(de)(de)濃(nong)縮(suo)相當多(參照照片1、2).該結果(guo)與Copson所(suo)說的(de)(de)(de)越是(shi)耐候性優秀的(de)(de)(de)鋼(gang)(gang)其銹(xiu)層(ceng)中含有(you)的(de)(de)(de)硫(liu)酸鹽越多的(de)(de)(de)研究結果(guo)(圖(tu)9)一致。


照片 1.jpg


 根據轟等(deng)的(de)研究,如表4所(suo)示,耐候鋼銹(xiu)內層的(de)硫(liu)濃度達到(dao)0.45%,相當于(yu)基(ji)體鐵(tie)(tie)中(zhong)(zhong)硫(liu)含(han)量的(de)20倍以上(shang),所(suo)以認(ren)(ren)(ren)為大(da)(da)部分硫(liu)是大(da)(da)氣中(zhong)(zhong)的(de)SO2形成硫(liu)酸鹽后(hou)被固定(ding)下來的(de)。Chandler 等(deng)敘(xu)述(shu)了(le)(le)(le)在大(da)(da)氣暴曬材的(de)銹(xiu)層中(zhong)(zhong)含(han)有4%S04-離子,其中(zhong)(zhong)可溶性硫(liu)酸鐵(tie)(tie)借(jie)助于(yu)內層大(da)(da)量存(cun)在著,Schwarz像圖11那樣確(que)認(ren)(ren)(ren)了(le)(le)(le)在基(ji)體鐵(tie)(tie)表面(mian)上(shang)形成了(le)(le)(le)FeSO4'nH2O,并且Tanner在被銹(xiu)覆蓋(gai)的(de)基(ji)體鐵(tie)(tie)的(de)很淺(qian)的(de)凹(ao)痕處發現了(le)(le)(le)FeSO4·4H2O,認(ren)(ren)(ren)為這(zhe)個凹(ao)痕是局部腐蝕(shi)反應的(de)陽極(ji)(ji)點。Evans 也(ye)談到(dao)金屬表面(mian)的(de)間隙部裂紋等(deng)也(ye)變成了(le)(le)(le)陽極(ji)(ji),SO4-離子向那些部分遷移(yi)形成了(le)(le)(le)硫(liu)酸鐵(tie)(tie)。


表 4.jpg

圖 10.jpg  圖 11.jpg



 松島(dao)用(yong)放射性影(ying)法研究了銹(xiu)層(ceng)(ceng)缺(que)陷的(de)分(fen)布(bu),發現耐候鋼缺(que)陷部(bu)(活性點、陽極(ji)部(bu)分(fen))少。他們根據這一結果得出結論,帶有銹(xiu)層(ceng)(ceng)的(de)鋼的(de)腐蝕是通(tong)過缺(que)陷部(bu)分(fen)借助腐蝕性物質的(de)滲透進行的(de)。


綜(zong)合考(kao)慮(lv)以上結果(guo),大(da)氣腐蝕反應的(de)(de)第一階段是在硫酸鹽(yan)的(de)(de)環(huan)境下進行的(de)(de)。其理由是,在這(zhe)樣的(de)(de)條件(jian)下只能生(sheng)成(cheng)硫酸亞鐵,雖然(ran)也能通過銹(xiu)層(ceng)向基體鐵充分供給(gei)氧,可是不被氧化(hua)能夠穩定地存(cun)在,以及從存(cun)在于(yu)銹(xiu)層(ceng)中的(de)(de)硫酸亞鐵的(de)(de)含水量(liang)少(shao)來(lai)看,是由于(yu)腐蝕環(huan)境處在比較高的(de)(de)溫度。例如已經知道4水鹽(yan)在60℃生(sheng)成(cheng),認為在實(shi)際的(de)(de)大(da)氣暴(bao)曬的(de)(de)日照條件(jian)下,溫度上升到這(zhe)種程(cheng)度非常容易實(shi)現。


在以(yi)上的(de)銹(xiu)層(ceng)/基體鐵界面上進行腐(fu)蝕時,關(guan)于其(qi)腐(fu)蝕氣氛保持酸(suan)性的(de)理由(you)(you),可以(yi)考慮(lv)Schikorr 提出(chu)的(de)循(xun)環(huan)反應的(de)理由(you)(you),即通過以(yi)下的(de)反應保持酸(suan)性:


 在(zai)這(zhe)里,對(dui)判定(ding)鋼的耐候性的模型實驗(yan)來說(shuo),在(zai)硫(liu)酸溶液中(zhong)測定(ding)腐蝕(shi)特性的方法是合(he)適的。這(zhe)種(zhong)實驗(yan)轟等。


圖 12.jpg


 曾(ceng)經進(jin)行過(guo),在(zai)(zai)(zai)98%硫(liu)(liu)酸中比(bi)較耐(nai)候鋼(gang)和(he)碳(tan)素鋼(gang)的(de)(de)(de)腐(fu)(fu)蝕量時,如圖(tu)12所示,經過(guo)4周(zhou)浸(jin)泡(pao)沒(mei)有(you)發現鋼(gang)種的(de)(de)(de)差異,可(ke)是(shi)浸(jin)泡(pao)時間(jian)超過(guo)4周(zhou)以上時,耐(nai)候鋼(gang)的(de)(de)(de)腐(fu)(fu)蝕速度顯(xian)著(zhu)降(jiang)低,與碳(tan)素鋼(gang)的(de)(de)(de)差異增大,發現和(he)實際暴曬試驗(yan)的(de)(de)(de)結果完全(quan)一(yi)致。他們也(ye)測定(ding)了98%硫(liu)(liu)酸中的(de)(de)(de)極(ji)(ji)(ji)化(hua)特性,陽(yang)極(ji)(ji)(ji)極(ji)(ji)(ji)化(hua)耐(nai)候鋼(gang)和(he)碳(tan)素鋼(gang)相同,可(ke)是(shi)隨著(zhu)浸(jin)泡(pao)時間(jian)的(de)(de)(de)增長發現極(ji)(ji)(ji)化(hua)明(ming)顯(xian)增大,和(he)碳(tan)素鋼(gang)的(de)(de)(de)差別顯(xian)著(zhu)。進(jin)一(yi)步(bu)確定(ding)了耐(nai)候鋼(gang)在(zai)(zai)(zai)98%硫(liu)(liu)酸中生(sheng)成的(de)(de)(de)容(rong)易剝離的(de)(de)(de)腐(fu)(fu)蝕生(sheng)成物(wu)和(he)碳(tan)素鋼(gang)的(de)(de)(de)場合相同,都(dou)是(shi)FeSO4·nH2O(n=2.1及2.5),不(bu)(bu)存在(zai)(zai)(zai)Cr、Cu等,在(zai)(zai)(zai)溶液中也(ye)幾乎不(bu)(bu)析出,并且確認(ren)了在(zai)(zai)(zai)耐(nai)候鋼(gang)的(de)(de)(de)場合,這種硫(liu)(liu)酸鐵層下(xia)面存在(zai)(zai)(zai)有(you)Cu、Cr等濃縮后的(de)(de)(de)非(fei)常薄的(de)(de)(de)氧化(hua)膜(參照表5)。


圖 13.jpg



 根據這些數據來看,在濃硫酸中的腐蝕特性和大氣腐蝕非常對應,可以推論在硫酸鐵/基體鐵界面上形成的非常薄的覆膜(鈍化覆膜)支配著耐蝕性。轟等進一步在5%硫酸中通過外部電流給與鈍化電位的條件下使鋼表面形成鈍化覆膜,用CI-離子破壞這種覆膜,測定電流-時間曲線時,得到像圖13那樣的結果,發現越是耐蝕性優秀的鋼鈍化覆膜越穩定,并與大氣腐蝕試驗的結果很一致。


 如果這樣來考(kao)慮的(de)(de)話(hua),低(di)合金鋼的(de)(de)大氣腐蝕(shi)則受基體鐵表面(mian)上形成的(de)(de)Cu、Cr等濃(nong)縮的(de)(de)非常薄的(de)(de)覆膜的(de)(de)陽(yang)極反應支配,可以說耐(nai)候鋼的(de)(de)特長就是這種陽(yang)極反應的(de)(de)抑制效果。該(gai)觀點(dian)與上述的(de)(de)岡(gang)田等的(de)(de)模型(圖(tu)10)中,把Cu、Cr、P等濃(nong)縮的(de)(de)非晶質的(de)(de)磁鐵礦類似層(ceng)作(zuo)為耐(nai)候鋼防蝕(shi)的(de)(de)本質的(de)(de)觀點(dian)也(ye)很一致,二者都提示有鈍化覆膜的(de)(de)存在是極其(qi)令(ling)人感興趣(qu)的(de)(de)問(wen)題(ti)。