已有的研究表明,對91香蕉視頻app:不銹鋼換熱管和管板連接進行數值模擬時,三維模型可以簡化為二維平面應力或軸對稱模型。因此,浙江至德鋼業有限公司采用2-D軸對稱模型分析尺寸偏差對液壓脹接壓力的影響。為考慮管孔之間的相互作用,采用簡化的單孔模型對不銹鋼換熱管和管板的脹接壓力進行模擬,模型中等效套筒直徑可采用以下公式進行計算:


式 5.jpg


對于Φ25mm×2mm的換(huan)熱管,管板(ban)孔(kong)直(zhi)(zhi)徑(jing)D=25.25mm,中心距H=32mm,根(gen)據式(4-5)計算得(de)到等效套筒(tong)直(zhi)(zhi)徑(jing)為43.4mm.換(huan)熱管和(he)管板(ban)實際連接如圖4-8所示。


8.jpg


 根(gen)據上(shang)述幾何(he)尺(chi)寸,圖 4-9 給出了未標(biao)注尺(chi)寸偏差的幾何(he)模型。


9.jpg


 網(wang)格劃分均采(cai)用軸對稱plane182單(dan)元,同時,采(cai)用TARGE169目標面(mian)單(dan)元和(he)CONTA172接觸(chu)面(mian)單(dan)元建(jian)立(li)換熱管與管板(ban)孔(kong)間的(de)柔性面(mian)-面(mian)接觸(chu)對,兩接觸(chu)面(mian)之間的(de)摩擦系數取0.2,有限元模(mo)型如圖4-10。


 不(bu)銹鋼換(huan)熱管(guan)(guan)材(cai)料模(mo)(mo)型(xing)選用 Mises率不(bu)相關的多線性模(mo)(mo)型(xing),模(mo)(mo)型(xing)中的參數來源于換(huan)熱管(guan)(guan)材(cai)料拉(la)伸(shen)曲線,如圖4-11所示。拉(la)伸(shen)試驗時,試樣取(qu)自未脹接換(huan)熱管(guan)(guan),將其加工成板狀拉(la)伸(shen)試樣,尺(chi)寸見圖4-12.管(guan)(guan)板材(cai)料選取(qu)各向同性的彈性模(mo)(mo)型(xing)。


11.jpg  12.jpg


  通過(guo)(guo)(guo)分(fen)步法模擬脹(zhang)(zhang)(zhang)(zhang)接(jie)(jie)過(guo)(guo)(guo)程(cheng),即(ji)(ji)(ji)整個脹(zhang)(zhang)(zhang)(zhang)接(jie)(jie)過(guo)(guo)(guo)程(cheng)經(jing)過(guo)(guo)(guo)以下三(san)步完成:第(di)一(yi)步,把載(zai)荷施(shi)加(jia)(jia)在管(guan)(guan)(guan)內(nei)壁(bi)上,即(ji)(ji)(ji)加(jia)(jia)載(zai);第(di)二步,脹(zhang)(zhang)(zhang)(zhang)接(jie)(jie)壓(ya)力(li)(li)(li)在管(guan)(guan)(guan)內(nei)壁(bi)停留幾(ji)秒鐘,即(ji)(ji)(ji)保(bao)壓(ya);第(di)三(san)步,在管(guan)(guan)(guan)內(nei)壁(bi)施(shi)加(jia)(jia)0MPa的(de)(de)壓(ya)力(li)(li)(li),即(ji)(ji)(ji)卸(xie)載(zai)。脹(zhang)(zhang)(zhang)(zhang)接(jie)(jie)過(guo)(guo)(guo)程(cheng)完成后,通過(guo)(guo)(guo)后處(chu)理器查看換熱管(guan)(guan)(guan)外壁(bi)的(de)(de)殘余位移Δur。若(ruo)Δur=c,則認為(wei)換熱管(guan)(guan)(guan)和管(guan)(guan)(guan)板正(zheng)好連接(jie)(jie)緊密,此時(shi),所對應(ying)的(de)(de)壓(ya)力(li)(li)(li)作(zuo)為(wei)貼脹(zhang)(zhang)(zhang)(zhang)時(shi)的(de)(de)最小脹(zhang)(zhang)(zhang)(zhang)接(jie)(jie)壓(ya)力(li)(li)(li)psimmin,若(ruo)Δur<c,則說明(ming)施(shi)的(de)(de)脹(zhang)(zhang)(zhang)(zhang)接(jie)(jie)壓(ya)力(li)(li)(li)過(guo)(guo)(guo)小,不能消除縫隙,增加(jia)(jia)脹(zhang)(zhang)(zhang)(zhang)接(jie)(jie)壓(ya)力(li)(li)(li),重復(fu)以上過(guo)(guo)(guo)程(cheng),直到Δur略大(da)于c。


通過對(dui)網(wang)格進(jin)行(xing)無關性驗證發現,當網(wang)格總(zong)數為15065時計算能夠收斂,并(bing)且計算結(jie)果差別在0.5%內。因此,我們認為該網(wang)格數可(ke)以(yi)滿足(zu)本書的(de)求解需要。



一、數值計算與(yu)理論計算的比較


1. 不(bu)考(kao)慮尺寸(cun)偏差


  脹(zhang)接從距離換(huan)(huan)熱(re)管(guan)(guan)口17.5mm處(chu)開始。不考慮換(huan)(huan)熱(re)管(guan)(guan)與(yu)管(guan)(guan)板(ban)管(guan)(guan)孔(kong)偏差(cha)時,換(huan)(huan)熱(re)管(guan)(guan)與(yu)管(guan)(guan)板(ban)管(guan)(guan)孔(kong)間的(de)間隙c=0.125mm,換(huan)(huan)熱(re)管(guan)(guan)外壁(bi)徑(jing)向位(wei)移隨(sui)加(jia)載(zai)(zai)(zai)時間的(de)變(bian)化曲線(xian)如(ru)圖(tu)4-13所(suo)示。此時,換(huan)(huan)熱(re)管(guan)(guan)內壁(bi)施加(jia)壓力(li)是p=206MPa,殘余位(wei)移Δur=0.125005mm,可(ke)以(yi)認為換(huan)(huan)熱(re)管(guan)(guan)和管(guan)(guan)板(ban)正好(hao)貼合。從圖(tu)4-13中可(ke)以(yi)看(kan)出,隨(sui)著壓力(li)的(de)增加(jia),徑(jing)向位(wei)移增大,卸(xie)載(zai)(zai)(zai)后徑(jing)向位(wei)移有所(suo)減小。這是因(yin)為加(jia)載(zai)(zai)(zai)時換(huan)(huan)熱(re)管(guan)(guan)發(fa)生(sheng)了彈塑(su)性(xing)變(bian)形(xing),卸(xie)載(zai)(zai)(zai)后彈性(xing)恢(hui)復,只(zhi)剩(sheng)下塑(su)性(xing)變(bian)形(xing)。脹(zhang)接后的(de)應力(li)應變(bian)情況如(ru)圖(tu)4-14所(suo)示。


13.jpg


  不(bu)(bu)考慮換熱(re)管(guan)和(he)(he)(he)管(guan)板孔直徑(jing)偏差(cha)時(shi),選(xuan)取表4-1所示(shi)(shi)的換熱(re)管(guan)外直徑(jing)、管(guan)板孔直徑(jing)和(he)(he)(he)管(guan)壁厚公(gong)稱尺寸,建立不(bu)(bu)同k值下(xia)的有限(xian)元模型(xing)。圖4-15所示(shi)(shi)為有限(xian)元模擬結(jie)果和(he)(he)(he)式(shi)(4-1)理論計算(suan)結(jie)果,從圖中可以看出(chu),模擬值與計算(suan)值近(jin)似相等。因此,在(zai)不(bu)(bu)考慮換熱(re)管(guan)和(he)(he)(he)管(guan)板孔直徑(jing)偏差(cha)的情況下(xia),采用(yong)式(shi)(4-1)可以得到合理的最小脹接壓力。


15.jpg


2. 考慮(lv)尺寸偏差


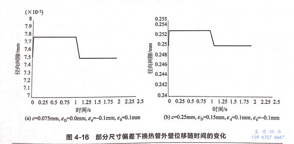
  為了驗(yan)證圖(tu)4-6中理(li)論計算結(jie)果的(de)正確性,選(xuan)擇(ze)與圖(tu)4-6完全相同的(de)換熱管和管板孔公稱(cheng)尺(chi)(chi)寸和偏差等幾何條件,進行有限元模(mo)擬(ni)。圖(tu)4-16給出了部分(fen)尺(chi)(chi)寸偏差下,換熱管外(wai)壁徑向位移隨加載過(guo)程的(de)變化情況。


16.jpg


  所有的模擬結(jie)果如圖4-17所示(shi)。比較圖4-17和圖4-6,兩者差距較大。相(xiang)(xiang)同(tong)條件下,兩種方(fang)法獲得的最(zui)小(xiao)脹接(jie)壓(ya)力最(zui)大相(xiang)(xiang)差29MPa.因此,當換熱管和管板孔直徑(jing)存在尺寸偏(pian)差時,試圖通過把偏(pian)差值直接(jie)附加到(dao)式(4-1)各(ge)物(wu)理(li)量上,而得到(dao)合(he)理(li)的最(zui)小(xiao)脹接(jie)壓(ya)力是(shi)不可行的。


17.jpg



二、幾何偏差對最小(xiao)脹(zhang)接(jie)壓力的(de)影響


1. 壁(bi)厚偏差的影響


  為(wei)了討論壁(bi)厚偏差(cha)(cha)εs對最(zui)小脹(zhang)接壓(ya)(ya)力(li)的(de)(de)(de)影響,選取(qu)表4-1所列(lie)最(zui)小、最(zui)大和(he)最(zui)常用換熱管外直(zhi)徑(jing),即do=14mm、25mm和(he)57mm的(de)(de)(de)換熱管,保(bao)持k=1.19,并不考慮(lv)管板(ban)孔(kong)和(he)換熱管外徑(jing)偏差(cha)(cha),分(fen)別(bie)建立不同壁(bi)厚偏差(cha)(cha)下的(de)(de)(de)模型,進(jin)行有限(xian)元(yuan)模擬(ni)。圖4-18(a)給出了最(zui)小脹(zhang)接壓(ya)(ya)力(li)隨(sui)壁(bi)厚偏差(cha)(cha)變化的(de)(de)(de)模擬(ni)結(jie)果,從(cong)圖中(zhong)可以看出,最(zui)小脹(zhang)接壓(ya)(ya)力(li)隨(sui)壁(bi)厚偏差(cha)(cha)的(de)(de)(de)增(zeng)加而(er)增(zeng)加,兩者近似為(wei)直(zhi)線關系。


18.jpg


  為(wei)進(jin)一(yi)步分(fen)析(xi)壁厚偏(pian)差對最小脹接(jie)壓力(li)的(de)影響(xiang)(xiang),引入(ru)壁厚偏(pian)差影響(xiang)(xiang)修正系數(shu)fs,即fs=psmm/pmin,以及比壁厚偏(pian)差Es/S,將圖4-18(a)轉化成圖4-18(b)。通過圖4-18(b)可(ke)以看出,壁厚偏(pian)差影響(xiang)(xiang)修正系數(shu)fs隨Es/S近似(si)為(wei)直線變化,其線性關系可(ke)以表示為(wei)


式 6.jpg


  對于do=19mm、38mm的換熱管,壁(bi)厚偏差分(fen)別為εs=±0.1mm、±0.15mm,根據式(4-6)得(de)到(dao)的最(zui)小(xiao)脹接壓力分(fen)別為211MPa、201.8MPa和207.6MPa、200.4MPa,有限(xian)元(yuan)的模擬結果分(fen)別為212MPa、201MPa和206.5MPa、200MPa.充分(fen)說明式(4-6)給出的擬合關(guan)系是可信的。


2. 換熱(re)管外直徑偏差(cha)和管板孔直徑偏差(cha)的影響


  不(bu)銹鋼(gang)換熱管(guan)外直(zhi)徑(jing)(jing)(jing)偏(pian)(pian)(pian)(pian)差和(he)管(guan)板(ban)孔(kong)直(zhi)徑(jing)(jing)(jing)偏(pian)(pian)(pian)(pian)差對最小脹(zhang)接壓(ya)力(li)的影(ying)響(xiang)可以歸結(jie)為初(chu)始徑(jing)(jing)(jing)向間(jian)隙c的影(ying)響(xiang)。保(bao)持k=1.19不(bu)變,根據表4-1中管(guan)外直(zhi)徑(jing)(jing)(jing)允(yun)許偏(pian)(pian)(pian)(pian)差范圍和(he)管(guan)板(ban)孔(kong)直(zhi)徑(jing)(jing)(jing)允(yun)許偏(pian)(pian)(pian)(pian)差范圍,選取(qu)不(bu)同的管(guan)外直(zhi)徑(jing)(jing)(jing)偏(pian)(pian)(pian)(pian)差e.和(he)管(guan)板(ban)孔(kong)直(zhi)徑(jing)(jing)(jing)偏(pian)(pian)(pian)(pian)差?D,以得到(dao)不(bu)同的初(chu)始徑(jing)(jing)(jing)向間(jian)隙c,建立不(bu)同初(chu)始徑(jing)(jing)(jing)向間(jian)隙c下的有限(xian)元模型。圖4-19(a)所示(shi)為Psimmin 隨c變化的規(gui)律。


19.jpg


 為了定量(liang)分(fen)析初始(shi)徑(jing)向間隙對最(zui)小脹接壓(ya)力的影響,引入(ru)初始(shi)徑(jing)向間隙影響修正(zheng)系數fc(fo=psim min/pmin),以及比(bi)初始(shi)徑(jing)向間隙c/do,將圖(tu)(tu)4-19(a)轉(zhuan)化成(cheng)圖(tu)(tu)4-19(b)。圖(tu)(tu)4-19(b)說明,對不同的換熱(re)管外(wai)直(zhi)徑(jing)do,fc與c/d.之間關(guan)系為一簇近似平(ping)行的直(zhi)線,可以表示為


式 7.jpg


3. 綜合偏差的影響


  在(zai)實際中,不銹鋼(gang)換熱(re)管壁厚偏(pian)差(cha)(cha)(cha)、外直徑偏(pian)差(cha)(cha)(cha)和管板(ban)孔(kong)直徑偏(pian)差(cha)(cha)(cha)是同時存在(zai)的(de)。因此,我(wo)們(men)需要考慮三類偏(pian)差(cha)(cha)(cha)的(de)共同影(ying)響。引(yin)入綜合偏(pian)差(cha)(cha)(cha)影(ying)響修(xiu)正系數f,即


式 9.jpg


  為了檢驗式(shi)(4-10)的(de)(de)(de)(de)準確性,把采(cai)用(yong)(yong)式(shi)(4-10)計(ji)算(suan)得到的(de)(de)(de)(de)最(zui)小(xiao)脹(zhang)接(jie)壓力(li)(li)與有(you)限元模擬結(jie)果進行比較。根據(ju)GB/T 17395-2008《無縫鋼管(guan)(guan)尺(chi)寸、外形、重量及(ji)允許偏差》和表4-1選取換(huan)熱管(guan)(guan)和管(guan)(guan)板孔直徑尺(chi)寸以及(ji)相應的(de)(de)(de)(de)偏差,所選擇(ze)的(de)(de)(de)(de)換(huan)熱管(guan)(guan)和管(guan)(guan)板孔的(de)(de)(de)(de)尺(chi)寸及(ji)它們(men)的(de)(de)(de)(de)偏差均(jun)不在回歸fs、fc時所選用(yong)(yong)的(de)(de)(de)(de)范圍。計(ji)算(suan)和模擬結(jie)果見圖(tu)4-20。從圖(tu)中可以看出,兩者(zhe)的(de)(de)(de)(de)計(ji)算(suan)結(jie)果吻合得非常好,說明(ming)式(shi)(4-10)適用(yong)(yong)于(yu)滿足表4-1幾(ji)何尺(chi)寸及(ji)其偏差以及(ji)滿足表4-2材(cai)料性能的(de)(de)(de)(de)換(huan)熱管(guan)(guan)和管(guan)(guan)板孔相連接(jie)的(de)(de)(de)(de)最(zui)小(xiao)脹(zhang)接(jie)壓力(li)(li)的(de)(de)(de)(de)計(ji)算(suan)。


20.jpg


  從以(yi)上分(fen)析可(ke)知,不(bu)銹鋼換(huan)熱(re)管(guan)(guan)外(wai)(wai)直(zhi)徑(jing)和(he)壁(bi)厚、管(guan)(guan)板孔(kong)直(zhi)徑(jing)等幾何尺(chi)(chi)寸及它(ta)們(men)(men)的(de)(de)(de)偏(pian)(pian)差對最小脹接壓力的(de)(de)(de)計算(suan)有著交(jiao)叉影(ying)(ying)響(xiang)。由于換(huan)熱(re)管(guan)(guan)規格繁(fan)多(duo),再加上尺(chi)(chi)寸偏(pian)(pian)差范圍(wei)較大,全面分(fen)析這種影(ying)(ying)響(xiang)將(jiang)是(shi)一項(xiang)十分(fen)繁(fan)重的(de)(de)(de)工作。因此,將(jiang)換(huan)熱(re)管(guan)(guan)外(wai)(wai)直(zhi)徑(jing)偏(pian)(pian)差和(he)管(guan)(guan)板孔(kong)直(zhi)徑(jing)偏(pian)(pian)差的(de)(de)(de)影(ying)(ying)響(xiang)歸結為初(chu)始徑(jing)向(xiang)間(jian)隙(xi)的(de)(de)(de)影(ying)(ying)響(xiang),然后將(jiang)換(huan)熱(re)管(guan)(guan)壁(bi)厚偏(pian)(pian)差的(de)(de)(de)影(ying)(ying)響(xiang)和(he)初(chu)始徑(jing)向(xiang)間(jian)隙(xi)的(de)(de)(de)影(ying)(ying)響(xiang)分(fen)離開來(lai),即討(tao)論壁(bi)厚偏(pian)(pian)差影(ying)(ying)響(xiang)時,設定(ding)管(guan)(guan)板孔(kong)和(he)換(huan)熱(re)管(guan)(guan)外(wai)(wai)直(zhi)徑(jing)沒(mei)有偏(pian)(pian)差,并且只(zhi)考慮一種k值;而(er)討(tao)論初(chu)始徑(jing)向(xiang)間(jian)隙(xi)影(ying)(ying)響(xiang)時,則設定(ding)換(huan)熱(re)管(guan)(guan)壁(bi)厚為一不(bu)變值,從而(er)使問題得(de)到(dao)了大大的(de)(de)(de)簡化。從更寬范圍(wei)選取(qu)換(huan)熱(re)管(guan)(guan)外(wai)(wai)直(zhi)徑(jing)和(he)壁(bi)厚、管(guan)(guan)板孔(kong)外(wai)(wai)直(zhi)徑(jing)等幾何尺(chi)(chi)寸以(yi)及它(ta)們(men)(men)的(de)(de)(de)偏(pian)(pian)差,通過式(4-10)計算(suan)和(he)有限元(yuan)模擬(ni)得(de)到(dao)的(de)(de)(de)最小脹接壓力相(xiang)互吻合得(de)非常好(hao),說明式(4-10)給出的(de)(de)(de)修正公式的(de)(de)(de)準確度(du)是(shi)令(ling)人滿(man)意的(de)(de)(de)。


 為了避免尺寸(cun)超差對不銹鋼換(huan)(huan)熱管(guan)和管(guan)板連接強度的(de)影響,美(mei)國管(guan)殼式熱交換(huan)(huan)器制造(zao)商協會對最大允許縫隙進行(xing)了限(xian)制。而我(wo)國標準(zhun) GB 13296-2013和GB 13296-2007相比(bi),對不銹鋼換(huan)(huan)熱管(guan)外直(zhi)徑偏差的(de)要求更(geng)為嚴格,這在一定程度上減小了換(huan)(huan)熱管(guan)和管(guan)板孔之間(jian)的(de)最大允許間(jian)隙。


 與其他文獻相比,以上計(ji)算涉及(ji)的(de)不銹鋼(gang)換熱(re)管和管板孔尺(chi)寸及(ji)尺(chi)寸偏差范圍(wei)廣,因此,提(ti)出的(de)修正(zheng)系數f更具有普遍性。需(xu)要說(shuo)明的(de)是,在以上(shang)的(de)分析中,沒有(you)考慮管板(ban)孔中心距尺(chi)寸偏差的(de)影響。換熱管材(cai)料發生變(bian)化后,式(shi)(4-9)能否(fou)繼續使用,也有(you)待進一步研(yan)究。