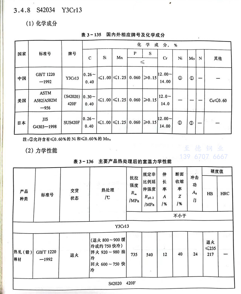
S42034 Y3Cr13 不(bu)銹鋼(gang)主要特性和用途
此鋼是在3Cr13不銹鋼的基礎上將硫提高到0.15%以上,磷提高到0.060%以下,由于硫、磷比3Cr13不銹鋼提高很多,從而改善了鋼的切削性能,并具有3Cr13不銹鋼的耐大氣腐蝕和耐弱酸腐蝕的能力,但焊接性能差。
用于制(zhi)造自動車床加工(gong)零(ling)件(jian)和標準件(jian)。
發布日期:2024-02-23 12:47:27 人氣:339
S42034 Y3Cr13 不(bu)銹鋼(gang)主要特性和用途
此鋼是在3Cr13不銹鋼的基礎上將硫提高到0.15%以上,磷提高到0.060%以下,由于硫、磷比3Cr13不銹鋼提高很多,從而改善了鋼的切削性能,并具有3Cr13不銹鋼的耐大氣腐蝕和耐弱酸腐蝕的能力,但焊接性能差。
用于制(zhi)造自動車床加工(gong)零(ling)件(jian)和標準件(jian)。