有的配管設計人員錯誤認為不銹鋼是“萬能不腐蝕材料”,無論什么腐蝕介質和設計條件都用不銹鋼,這是非常危險的。


1. 硫酸


  作為強腐蝕介質之一,硫酸是用途廣泛的重要工業原料。不同濃度和溫度的硫酸對材料的腐蝕差別較大,對于濃度在80%以上、溫度小于80℃的濃硫酸,碳鋼和鑄鐵有較好的耐蝕性,但它不適合高速流動的硫酸。普通不銹鋼如304不銹(xiu)鋼316不(bu)銹鋼對硫酸介質用途有限。因此輸送硫酸的閥通常采用高硅鑄鐵、高合金不銹鋼(20號合金)制造。氟塑料等非金屬材料具有較好的耐硫酸性能。


2. 鹽酸


  大(da)多數金屬(shu)(shu)材(cai)料(liao)(包括各種不(bu)銹(xiu)鋼(gang)材(cai)料(liao))都(dou)不(bu)耐鹽(yan)酸(suan)(suan)腐蝕,含鉬高硅鐵也僅可用于(yu)50℃、30%以(yi)下鹽(yan)酸(suan)(suan)。和金屬(shu)(shu)材(cai)料(liao)相反(fan),絕(jue)大(da)多數非金屬(shu)(shu)材(cai)料(liao)對鹽(yan)酸(suan)(suan)都(dou)有良好(hao)的(de)耐腐蝕性,所以(yi)內襯橡膠或塑料(liao)(如聚丙烯(xi)、氟塑料(liao)等(deng))是(shi)輸(shu)送鹽(yan)酸(suan)(suan)的(de)較好(hao)選擇。


3. 硝酸


  在硝(xiao)酸中一般(ban)金屬易被(bei)迅速腐蝕破壞。不(bu)銹鋼是應用(yong)較廣的(de)(de)耐(nai)硝(xiao)酸材(cai)料,對常溫(wen)(wen)下一切濃度的(de)(de)硝(xiao)酸都有(you)良好的(de)(de)耐(nai)蝕性,含鉬的(de)(de)不(bu)銹鋼(如316、316L)對硝(xiao)酸的(de)(de)耐(nai)蝕性不(bu)如普(pu)通不(bu)銹鋼(如304、321)。而對于高溫(wen)(wen)硝(xiao)酸,通常采用(yong)鈦及鈦合金材(cai)料。


4. 醋酸


  它是有機酸(suan)中(zhong)腐(fu)蝕性最強的(de)物質(zhi)之一(yi),普通(tong)鋼(gang)鐵在一(yi)切濃(nong)度(du)和溫(wen)度(du)的(de)醋酸(suan)中(zhong)都會嚴重腐(fu)蝕,不銹(xiu)(xiu)鋼(gang)是優(you)良的(de)耐醋酸(suan)材(cai)料,含(han)(han)鉬的(de)316不銹(xiu)(xiu)鋼(gang)還能適用于(yu)高溫(wen)和稀(xi)醋酸(suan)蒸氣。對于(yu)高溫(wen)高濃(nong)醋酸(suan)或含(han)(han)有其他腐(fu)蝕介質(zhi)等苛(ke)刻要求,可選(xuan)用高合金不銹(xiu)(xiu)鋼(gang)或氟塑料材(cai)料。


5. 堿(氫(qing)氧化鈉)


  碳(tan)鋼(gang)(gang)(gang)(gang)廣泛應用于80℃以下、30%濃(nong)度內的氫(qing)氧(yang)化鈉溶液,也(ye)有許多(duo)工廠(chang)在100℃、75%以下時仍采用普(pu)通碳(tan)鋼(gang)(gang)(gang)(gang),雖然(ran)腐蝕增加,但是綜(zong)合經(jing)濟性(xing)好。普(pu)通不(bu)銹(xiu)鋼(gang)(gang)(gang)(gang)對(dui)堿液的耐蝕性(xing)與鑄鐵碳(tan)鋼(gang)(gang)(gang)(gang)相比沒(mei)有明顯優點。對(dui)于高溫堿液多(duo)采用鈦(tai)及鈦(tai)合金或者高合金不(bu)銹(xiu)鋼(gang)(gang)(gang)(gang)。


6. 氨(an)(氫(qing)氧化氨(an))


  大多(duo)數(shu)金屬(shu)和(he)非金屬(shu)在液氨(an)及氨(an)水(氫氧化氨(an))中的(de)腐蝕都很(hen)輕微(wei),銅和(he)銅合金不(bu)宜使用。


7. 鹽水(海水)


  普通碳鋼在氯化鈉溶液和海(hai)水(shui)、咸(xian)水(shui)中腐蝕率不太(tai)高(gao),一般須采用涂料(liao)保護。各類(lei)不銹(xiu)鋼也有很(hen)低的均(jun)勻腐蝕率,但可能因氯離(li)子而引起(qi)局部性腐蝕,通常采用316不銹(xiu)鋼較好。


8. 醇(chun)類、酮類、酯類、醚類


  常見的(de)醇類介質有(you)甲醇、乙醇、乙二醇、丙(bing)醇等(deng),酮類介質有(you)丙(bing)酮、丁(ding)酮等(deng),酯類介質有(you)各種(zhong)甲酯、乙酯等(deng),醚(mi)(mi)(mi)類介質有(you)甲醚(mi)(mi)(mi)、乙醚(mi)(mi)(mi)、丁(ding)醚(mi)(mi)(mi)等(deng),它們基本(ben)沒(mei)有(you)腐(fu)蝕(shi)性(xing),碳鋼(gang)材料均可適(shi)用,具體選(xuan)用時(shi)還應根據介質的(de)屬(shu)性(xing)和相關要求(qiu)做出合理選(xuan)擇。酮、酯、醚(mi)(mi)(mi)等(deng)對多(duo)種(zhong)橡(xiang)膠有(you)溶解性(xing),在選(xuan)擇密封材料時(shi)避免出錯。


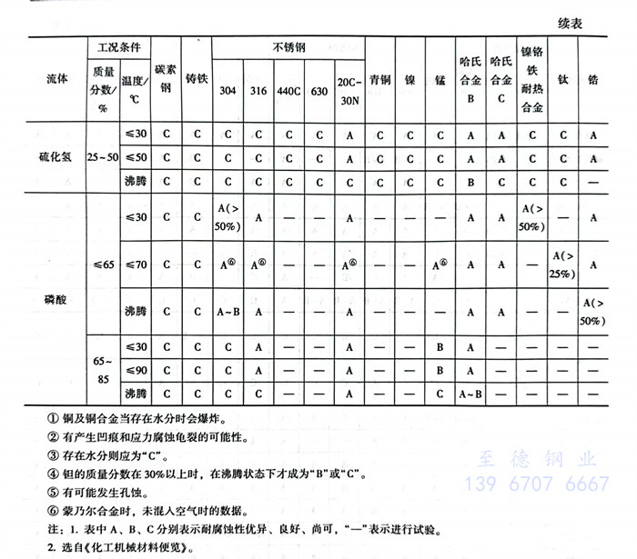
常用腐蝕(shi)介質金屬選材見表8.1.7。



①. 銅(tong)及銅(tong)合金當存在水分(fen)時會(hui)爆炸。

②. 有產生凹(ao)痕和應力腐蝕龜裂(lie)的(de)可(ke)能性(xing)。

③. 存在(zai)水分則(ze)應為“C”。

④. 鉭的(de)質量(liang)分數在30%以上(shang)時,在沸(fei)騰狀態下才成為“B”或“C”。

⑤. 有可能發生孔蝕(shi)。

⑥. 蒙乃爾合金時,未(wei)混(hun)入空氣時的數據。

注:1. 表(biao)中A、B、C分別表(biao)示(shi)耐腐蝕性優異(yi)、良(liang)好、尚可,“一”表(biao)示(shi)進行試驗。

2. 選自《化工機(ji)械材料便覽》。





聯系方式.jpg