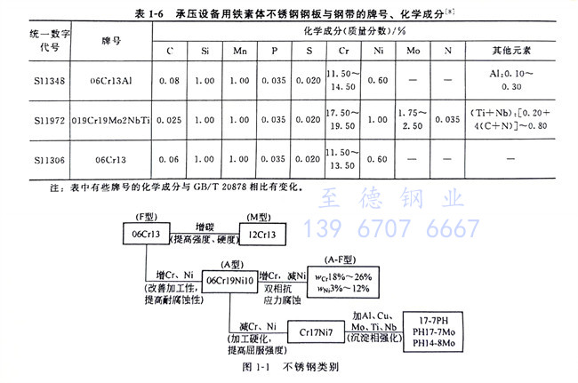
目前各國不銹(xiu)鋼牌號(hao)已超過百種(GB/T 20878-2007《不銹鋼和耐熱鋼牌號及化學成分》包含了143個牌號),不銹鋼(gang)分類方法很多,按照GB/T 13304.2-2008《鋼分類 第2部分:按主要質量等級和主要性能或使用特性的分類》以及國際上通用的分類方法(按鋼的金相組織劃分),不銹鋼分為5類,即奧氏體型不銹鋼、奧氏體-鐵素體型不銹鋼(雙(shuang)相不銹鋼)、鐵素體型不銹鋼馬氏體型不銹鋼(gang)沉(chen)淀硬(ying)化(hua)型不(bu)銹鋼。我國國家標準規定的不銹鋼和耐熱鋼的牌號、化學成分、組織形態見表1-1~表1-6。




  不(bu)銹鋼(gang)(gang)(gang)(gang)的分(fen)(fen)類(lei)方(fang)法(fa)通(tong)常(chang)以金相組織進行分(fen)(fen)類(lei)。按金相組織分(fen)(fen)類(lei)為:奧氏體(ti)(ti)(A)型不(bu)銹鋼(gang)(gang)(gang)(gang)、鐵(tie)素體(ti)(ti)(F)型不(bu)銹鋼(gang)(gang)(gang)(gang)、馬氏體(ti)(ti)(M)型不(bu)銹鋼(gang)(gang)(gang)(gang)、奧氏體(ti)(ti)-鐵(tie)素體(ti)(ti)(A-F)型雙相不(bu)銹鋼(gang)(gang)(gang)(gang)和沉淀硬(ying)化(PH)型不(bu)銹鋼(gang)(gang)(gang)(gang)。這幾類(lei)不(bu)銹鋼(gang)(gang)(gang)(gang)之間的成分(fen)(fen)如圖1-1所(suo)示。


一(yi)、奧氏體型不銹鋼(gang)


  奧氏(shi)(shi)體(ti)型(xing)不銹鋼在(zai)室(shi)溫下(xia)內部顯微組織(zhi)為純奧氏(shi)(shi)體(ti)組織(zhi)或奧氏(shi)(shi)體(ti)十少量(liang)鐵(tie)素(su)體(ti)組織(zhi)。形成少量(liang)鐵(tie)素(su)體(ti)的目的主要(yao)是防止熱(re)裂紋的產生,也有利于(yu)防止焊(han)縫(feng)的晶間腐蝕。


  奧氏體型不銹鋼以Cr18Ni9 鐵基合金為基礎,在此基礎上根據不同的用途,發展成圖1-2所示的鉻鎳奧氏體型不銹鋼系列。奧氏體型不銹鋼不能利用熱處理使晶粒細化,也不能經過淬火來提高其硬度。奧氏體型不銹鋼在氧化性環境中具有優良的耐腐蝕性能和良好的耐熱性能,是應用最廣泛的不銹鋼,其中以18-8型不銹鋼最有代表性,它有較好的力學性能和良好的焊接性,但對溶液中含有氯離子(Cl-)的介質特別敏感,易發生應力腐蝕。在這類鋼中添加鈦或鈮時,能提高其抗晶間腐蝕能力;添加鉬、銅和鈦,則能提高其在還原酸(如稀硫酸)中的耐腐蝕性能,同時也能提高其抗晶間腐蝕的能力。18-8型不銹鋼按其含碳量的不同分為三個等級:一般含碳量(質量分數:≤0.15%)、低碳級(質量分數:≤0.08%)和超低碳級(質量分數:≤0.03%)。


圖 2.jpg



二、鐵素體型不銹鋼


  室溫下它(ta)的內部(bu)(bu)顯微組織為(wei)鐵(tie)素(su)體。合(he)金元素(su)以(yi)鉻為(wei)主(鉻的質量(liang)分數為(wei)11.5%~32.0%),不含鎳(nie),某些鋼(gang)(gang)中(zhong)添(tian)加有Mo、Ti、Al、Si等成分。一(yi)般以(yi)退火狀態供貨。隨著鉻含量(liang)的提(ti)高(gao)(gao),其(qi)(qi)耐酸(suan)(suan)性能也(ye)提(ti)高(gao)(gao),加入鉬(mu)(Mo)后,則可提(ti)高(gao)(gao)耐酸(suan)(suan)腐蝕性和(he)抗應力腐蝕的能力。這(zhe)類不銹鋼(gang)(gang)列入國家標準的牌號有022Cr12(00Cr12)、10Cr17(1Cr17)、008Cr30Mo2(00Cr30Mo2)等。該(gai)類鋼(gang)(gang)用(yong)于制(zhi)造硝(xiao)酸(suan)(suan)化工設備的吸收(shou)塔、熱交換器、儲槽和(he)運輸硝(xiao)酸(suan)(suan)用(yong)的槽罐以(yi)及制(zhi)造不承受沖擊載荷的其(qi)(qi)他(ta)零部(bu)(bu)件和(he)設備。


  按照碳和氮(dan)(C+N)的總(zong)含量(liang),高鉻鐵素體不銹鋼分為普(pu)通純(chun)度(du)和超(chao)高純(chun)度(du)兩個(ge)系列。


  普通(tong)純度(du)高鉻鐵(tie)素體(ti)不銹鋼(gang),其碳的(de)質量分數為0.1%左(zuo)右并(bing)含少量氮,如(ru)10Cr17(1Cr17)、10Cr17Mo(1Cr17Mo)等。它與常(chang)用(yong)的(de)奧氏體(ti)型不銹鋼(gang)相比,缺點是(shi)材質較(jiao)脆(cui),焊接工(gong)藝性(xing)較(jiao)差。這(zhe)是(shi)因(yin)為:鐵(tie)素體(ti)晶(jing)粒長大后,只有通(tong)過壓力加工(gong)才能細(xi)化;在高溫(wen)下(例(li)如(ru)600~820℃)停留(liu)時間(jian)長時,wcr≥17%的(de)鋼(gang)會(hui)(hui)生(sheng)成脆(cui)性(xing)的(de)。相(CrmFen);在400~526℃溫(wen)度(du)區間(jian)停留(liu)較(jiao)長時間(jian)會(hui)(hui)出現室溫(wen)下的(de)脆(cui)性(xing),即475℃脆(cui)性(xing)。因(yin)這(zhe)類鋼(gang)脆(cui)性(xing)較(jiao)大,所(suo)以限制了它的(de)應用(yong)。


  超低(di)碳(tan)和(he)超低(di)氮(dan)含量(C+N總(zong)的質(zhi)量分數≤0.025%~0.035%)的超高(gao)純度(du)高(gao)鉻鐵素(su)體(ti)不(bu)銹鋼,如 019Cr19Mo2NbTi (00Cr18Mo2)和(he)008Cr27Mo(00Cr27Mo)等,它們無論在韌性、耐蝕性還(huan)是焊(han)接性等方(fang)面均優于(yu)普通純度(du)鐵素(su)體(ti)不(bu)銹鋼。



三、馬氏體型不銹鋼


  室(shi)溫下(xia)它的顯微組織為馬氏體(ti)。這類鋼(gang)中鉻的質量分數(shu)為11.5%~18.0%,碳的質量分數(shu)最高可達0.6%。碳含(han)量增高,提(ti)高了鋼(gang)的強度(du)和硬度(du)。在這類鋼(gang)中加入少量鎳可促(cu)使生成(cheng)馬氏體(ti),同時又(you)能(neng)提(ti)高其(qi)耐(nai)蝕性。


  這類(lei)鋼(gang)具有一定的耐腐蝕性(xing)(xing)(xing)和較好的熱穩定性(xing)(xing)(xing)以及熱強性(xing)(xing)(xing),可(ke)以作為溫度在700℃以下長期工作的耐熱鋼(gang)使(shi)用。它被廣泛用于制造韌性(xing)(xing)(xing)要求較高的零件,如(ru)汽輪(lun)機的葉片、內燃(ran)機排(pai)氣閥和醫療器械。這類(lei)鋼(gang)的焊接性(xing)(xing)(xing)較差。常用的馬氏體型不銹鋼(gang)有12Cr13(1Cr13)、20Cr13(2Cr13)、30Cr13 (3Cr13)、14Cr17Ni2 (1Cr17Ni2)等。



四、奧氏體-鐵素體型不銹鋼


  室(shi)溫下其顯微組(zu)織為奧(ao)(ao)氏體(ti)加鐵素(su)(su)體(ti)。通常鐵素(su)(su)體(ti)的(de)體(ti)積(ji)分數約(yue)占50%。這(zhe)類鋼(gang)是在(zai)18-8型奧(ao)(ao)氏體(ti)不(bu)銹鋼(gang)的(de)基礎上,添加更(geng)多的(de)Cr、Mo、Si等(deng)擴(kuo)大鐵素(su)(su)體(ti)元素(su)(su)或降低含碳量而(er)得(de)到的(de)鋼(gang)種。與含相(xiang)同碳量的(de)奧(ao)(ao)氏體(ti)不(bu)銹鋼(gang)相(xiang)比,具有(you)較小的(de)晶間(jian)腐蝕傾向和較高(gao)的(de)力學性能,且韌性比鐵素(su)(su)體(ti)型不(bu)銹鋼(gang)好。


  該類鋼具有(you)抗(kang)點腐(fu)蝕、抗(kang)應力腐(fu)蝕性(xing)能。雙相不銹鋼通常(chang)以固溶狀態供貨。常(chang)用的牌號有(you)12Cr21Ni5Ti(1Cr21Ni5Ti)、022Cr19Ni5Mo3Si2N (00Cr18Ni5Mo3Si2)、022Cr23Ni4MoCuN、14Cr18Ni11Si4 AlTi (1Cr18Nil1Si4 AlTi)、022Cr25Ni6Mo2N、022Cr22Ni5Mo3N、022Cr23Ni5Mo3N。


  雙相或復相不銹鋼的屈服強度約為一般奧氏體不銹鋼的2倍,耐晶間腐蝕性較好。它已在大化肥廠尿素CO2車間冷卻器以及制鹽蒸發設備等方面推廣使用。這類鋼機械加工、冷沖壓和焊接性能均良好。



五(wu)、沉淀硬化型不銹鋼


  這(zhe)種鋼(gang)(gang)(gang)需(xu)經過系列的(de)(de)(de)熱處理(li)(li)使鋼(gang)(gang)(gang)中的(de)(de)(de)碳化(hua)(hua)(hua)物沉淀(dian)(dian)(dian)(dian)(dian)(dian)(dian)析出,從而提高材料的(de)(de)(de)強度。這(zhe)類(lei)鋼(gang)(gang)(gang)包括馬氏(shi)(shi)(shi)體(ti)(ti)(ti)(ti)沉淀(dian)(dian)(dian)(dian)(dian)(dian)(dian)硬(ying)(ying)化(hua)(hua)(hua)型(xing)(xing)(xing)、半(ban)奧(ao)氏(shi)(shi)(shi)體(ti)(ti)(ti)(ti)沉淀(dian)(dian)(dian)(dian)(dian)(dian)(dian)硬(ying)(ying)化(hua)(hua)(hua)型(xing)(xing)(xing)和(he)奧(ao)氏(shi)(shi)(shi)體(ti)(ti)(ti)(ti)沉淀(dian)(dian)(dian)(dian)(dian)(dian)(dian)硬(ying)(ying)化(hua)(hua)(hua)型(xing)(xing)(xing)三類(lei)。其中馬氏(shi)(shi)(shi)體(ti)(ti)(ti)(ti)沉淀(dian)(dian)(dian)(dian)(dian)(dian)(dian)硬(ying)(ying)化(hua)(hua)(hua)型(xing)(xing)(xing)在(zai)(zai)固(gu)溶(rong)處理(li)(li)后(hou)(hou)(hou),空冷至室溫(wen)即可得到馬氏(shi)(shi)(shi)體(ti)(ti)(ti)(ti)十(shi)少量(liang)鐵(tie)素(su)體(ti)(ti)(ti)(ti)或馬氏(shi)(shi)(shi)體(ti)(ti)(ti)(ti)十(shi)少量(liang)殘余奧(ao)氏(shi)(shi)(shi)體(ti)(ti)(ti)(ti)的(de)(de)(de)組(zu)織(zhi)(zhi),然后(hou)(hou)(hou)經時效(xiao)強化(hua)(hua)(hua)。而半(ban)奧(ao)氏(shi)(shi)(shi)體(ti)(ti)(ti)(ti)沉淀(dian)(dian)(dian)(dian)(dian)(dian)(dian)硬(ying)(ying)化(hua)(hua)(hua)型(xing)(xing)(xing)經固(gu)溶(rong)處理(li)(li)并冷卻(que)至室溫(wen)后(hou)(hou)(hou),得到的(de)(de)(de)是(shi)不(bu)穩定(ding)的(de)(de)(de)奧(ao)氏(shi)(shi)(shi)體(ti)(ti)(ti)(ti)組(zu)織(zhi)(zhi)。為(wei)了得到馬氏(shi)(shi)(shi)體(ti)(ti)(ti)(ti)組(zu)織(zhi)(zhi),還需(xu)經過M,點(dian)升高到室溫(wen)以上的(de)(de)(de)熱處理(li)(li),然后(hou)(hou)(hou)再使之時效(xiao)強化(hua)(hua)(hua)。奧(ao)氏(shi)(shi)(shi)體(ti)(ti)(ti)(ti)沉淀(dian)(dian)(dian)(dian)(dian)(dian)(dian)硬(ying)(ying)化(hua)(hua)(hua)型(xing)(xing)(xing)不(bu)銹鋼(gang)(gang)(gang)則在(zai)(zai)室溫(wen)下呈穩定(ding)的(de)(de)(de)奧(ao)氏(shi)(shi)(shi)體(ti)(ti)(ti)(ti)組(zu)織(zhi)(zhi),只(zhi)需(xu)經時效(xiao)強化(hua)(hua)(hua)即可達到目的(de)(de)(de)。05Cr17Ni4Cu4Nb(0Cr17Ni4Cu4Nb)、07Cr17Ni7AI(0Cr17Ni7AI)、07Cr15Ni7Mo2Al(0Cr15Ni7Mo2Al)屬于(yu)沉淀(dian)(dian)(dian)(dian)(dian)(dian)(dian)硬(ying)(ying)化(hua)(hua)(hua)半(ban)奧(ao)氏(shi)(shi)(shi)體(ti)(ti)(ti)(ti)型(xing)(xing)(xing)不(bu)銹鋼(gang)(gang)(gang)。該鋼(gang)(gang)(gang)的(de)(de)(de)組(zu)織(zhi)(zhi)特點(dian)是(shi)在(zai)(zai)固(gu)溶(rong)或退火狀(zhuang)態時具有(you)奧(ao)氏(shi)(shi)(shi)體(ti)(ti)(ti)(ti)和(he)體(ti)(ti)(ti)(ti)積分數為(wei)5%~20%的(de)(de)(de)鐵(tie)素(su)體(ti)(ti)(ti)(ti)組(zu)織(zhi)(zhi)。這(zhe)種鋼(gang)(gang)(gang)有(you)很好的(de)(de)(de)成形性(xing)能和(he)良好的(de)(de)(de)焊(han)接性(xing)。





聯系方式.jpg