高鉻鎳不銹鋼中的主要合金元素為鉻和鎳,其含量與配比對材料的綜合耐蝕性能至關重要。高鉻鎳不銹(xiu)鋼常被用在濕法磷酸的生產設備上,在濕法磷酸生產工藝中,介質中含有磷礦石、硫酸、氯離子、氟離子等,工作溫度為80℃,因此,材料的腐蝕變得復雜和苛刻。該材料在這類介質中具有良好的耐蝕性能主要源于鉻和鎳的適當配合。林凡等人就高鉻鎳不銹鋼中鉻、鎳含量對腐蝕電化學特性的影響進行研究。結果表明,隨著鉻含量的增加,合金更容易鈍化;隨著鎳含量的提高,合金鈍態越穩定。高鉻鎳含量有利于合金鈍化膜的形成。



1. 高鉻鎳(nie)不銹鋼材料的(de)制(zhi)備


將原材料:微碳(tan)鉻鐵(tie)、鉬(mu)鐵(tie)、錳鐵(tie)、鈦鐵(tie)、結晶硅、電解鎳、電解銅(tong)、工(gong)業純鐵(tie)按一定比例在中頻感(gan)應爐(lu)內(nei)熔煉澆鑄(zhu)成試樣,出爐(lu)溫度(du)1530℃,澆注(zhu)溫度(du)約1450℃。三種試樣的化(hua)學成分見表6-17。


表 17.jpg



2. 高鉻鎳不銹(xiu)鋼(gang)實驗方法


 對(dui)1號、2號、3號材(cai)料進行(xing)陽極極化(hua)(hua)測(ce)試,測(ce)定材(cai)料在腐蝕(shi)介質中的(de)致鈍電(dian)(dian)(dian)(dian)位(wei)(wei)、維(wei)鈍電(dian)(dian)(dian)(dian)位(wei)(wei)、維(wei)鈍電(dian)(dian)(dian)(dian)流、點蝕(shi)電(dian)(dian)(dian)(dian)位(wei)(wei)和鈍化(hua)(hua)電(dian)(dian)(dian)(dian)位(wei)(wei)范圍。


 實驗介質: 


 磷酸(H3PO4)  54%  、氟離子(F-)  1%  、硫酸(H2SO4)  4%  、介質溫度  76℃  、氯離子(Cl-)  600mg/L


 測定2號、3號材料在氯離子分別為200mg/L、600mg/L、1000mg/L、2000mg/L的(de)上(shang)述介(jie)質中的(de)致(zhi)鈍電位、維鈍電位和(he)點蝕電位。


 采用(yong)(yong)俄歇電(dian)子能譜(AES)技術測定鈍(dun)化(hua)膜(mo)(mo)中各元素的(de)深度分布。運用(yong)(yong)X射線光(guang)電(dian)子能譜(XPS)對膜(mo)(mo)中各元素的(de)氧化(hua)物組態(tai)進行分析。




3. 高(gao)鉻鎳不(bu)銹鋼中(zhong)鉻、鎳含量對合(he)金鈍化的(de)影響



 a. 鉻含量的(de)影響


   圖6-10表(biao)示(shi)合金致鈍(dun)(dun)電(dian)位(wei)、維鈍(dun)(dun)電(dian)位(wei)與含(han)鉻(ge)(ge)量(liang)的(de)(de)關系。由(you)圖6-10可見,當(dang)鉻(ge)(ge)含(han)量(liang)增加時,陽極極化曲線(xian)的(de)(de)致鈍(dun)(dun)電(dian)位(wei)和(he)維鈍(dun)(dun)電(dian)位(wei)負移(yi),使系統得到的(de)(de)腐蝕電(dian)位(wei)高于該金屬的(de)(de)致鈍(dun)(dun)電(dian)位(wei),促進了合金更快(kuai)地進入鈍(dun)(dun)態。或者說鉻(ge)(ge)量(liang)的(de)(de)增加,能(neng)使合金在更低(di)的(de)(de)電(dian)位(wei)就能(neng)鈍(dun)(dun)化。


圖 10.jpg


 b. 鎳(nie)含量的影響


   圖6-11為合金致鈍電(dian)流密(mi)(mi)度(du)、維(wei)鈍電(dian)流密(mi)(mi)度(du)與鎳(nie)(nie)含量的(de)關系。由(you)圖可見,合金在介質中的(de)致鈍電(dian)流密(mi)(mi)度(du)與維(wei)鈍電(dian)流密(mi)(mi)度(du)隨(sui)鎳(nie)(nie)量的(de)增加而(er)變(bian)小。


圖 12.jpg


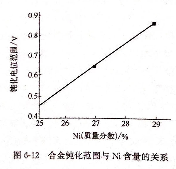
   圖6-12為合(he)金鈍化(hua)(hua)范圍(wei)與鎳含量(liang)的關(guan)系。由(you)圖6-12可見,合(he)金在介質中的鈍化(hua)(hua)準圍(wei)隨(sui)鎳量(liang)的增加(jia)逐漸變寬。


  電(dian)化(hua)(hua)學(xue)反應的(de)(de)(de)陰極過程(cheng)受阻滯的(de)(de)(de)步驟通常(chang)認(ren)為是氫原子在(zai)電(dian)極上的(de)(de)(de)還原過程(cheng),氫在(zai)鎳(nie)表(biao)面反應交(jiao)換電(dian)流密度(du)較(jiao)少,因而隨著極化(hua)(hua)電(dian)位的(de)(de)(de)增(zeng)(zeng)加,合金(jin)的(de)(de)(de)維(wei)鈍電(dian)流仍能維(wei)持在(zai)較(jiao)低的(de)(de)(de)水平,使鈍化(hua)(hua)狀態保持在(zai)較(jiao)寬的(de)(de)(de)范(fan)圍內。同(tong)時鎳(nie)固(gu)溶(rong)于鈍化(hua)(hua)膜中,而且被(bei)氧化(hua)(hua)的(de)(de)(de)較(jiao)少,從而增(zeng)(zeng)加鈍化(hua)(hua)膜和金(jin)屬(shu)表(biao)層(ceng)的(de)(de)(de)熱力學(xue)穩定性。



4. 介質中氯離(li)子和氟離(li)子的影(ying)響


  圖(tu)6-13為氯離子(zi)含(han)(han)量對(dui)合(he)金(jin)致鈍(dun)(dun)電(dian)(dian)位、維鈍(dun)(dun)電(dian)(dian)位的(de)影響,圖(tu)6-14為氯離子(zi)對(dui)合(he)金(jin)過(guo)鈍(dun)(dun)化電(dian)(dian)位的(de)影響。由圖(tu)6-13可(ke)見(jian),在不同(tong)氯離子(zi)含(han)(han)量的(de)介質中(zhong),2號合(he)金(jin)的(de)致鈍(dun)(dun)電(dian)(dian)位和(he)維鈍(dun)(dun)電(dian)(dian)位基本上(shang)低于3號合(he)金(jin)。隨著鉻量的(de)增加(jia),合(he)金(jin)更容易(yi)鈍(dun)(dun)化,說明在耐氯離子(zi)腐蝕中(zhong),有足夠鉻含(han)(han)量的(de)重要(yao)性。


圖 13.jpg


  由(you)圖(tu)6-14可見,在(zai)不同氯離子(zi)含量的(de)介質中,3號合金的(de)過鈍(dun)化電位更正些(xie)表明合金的(de)鈍(dun)化穩定(ding)性更強(qiang)些(xie)。


  反應(ying)介(jie)質中(zhong)含有氯(lv)(lv)離(li)(li)(li)(li)子(zi)(zi)和氟(fu)(fu)離(li)(li)(li)(li)子(zi)(zi),使已經(jing)鈍(dun)化(hua)(hua)的(de)(de)合(he)(he)(he)(he)金(jin)重新活(huo)化(hua)(hua),除氫外(wai),氯(lv)(lv)離(li)(li)(li)(li)子(zi)(zi)的(de)(de)活(huo)化(hua)(hua)能(neng)力大于(yu)氟(fu)(fu)離(li)(li)(li)(li)子(zi)(zi),而氟(fu)(fu)離(li)(li)(li)(li)子(zi)(zi)又(you)明顯增加(jia)了氯(lv)(lv)離(li)(li)(li)(li)子(zi)(zi)對活(huo)化(hua)(hua)區(qu)陽極(ji)溶解(jie)的(de)(de)去極(ji)化(hua)(hua)作用(yong)。因此(ci),圖(tu)(tu)6-13、圖(tu)(tu)6-14所(suo)示的(de)(de)應(ying)是氯(lv)(lv)離(li)(li)(li)(li)子(zi)(zi)和氟(fu)(fu)離(li)(li)(li)(li)子(zi)(zi)共同作用(yong)的(de)(de)結果(guo)。研究(jiu)表(biao)明,增加(jia)合(he)(he)(he)(he)金(jin)中(zhong)的(de)(de)鉻含量有利于(yu)合(he)(he)(he)(he)金(jin)在較低的(de)(de)電(dian)位就進(jin)入鈍(dun)化(hua)(hua)狀(zhuang)態,更(geng)快(kuai)地使合(he)(he)(he)(he)金(jin)表(biao)層形成較完整的(de)(de)氧(yang)化(hua)(hua)膜,并(bing)在較低的(de)(de)電(dian)位維持鈍(dun)態。從圖(tu)(tu)6-12、圖(tu)(tu)6-14的(de)(de)結果(guo)可以看(kan)出(chu),增加(jia)合(he)(he)(he)(he)金(jin)的(de)(de)鎳含量,可使3號合(he)(he)(he)(he)金(jin)的(de)(de)鈍(dun)化(hua)(hua)范圍更(geng)寬,過鈍(dun)化(hua)(hua)電(dian)位更(geng)正。這表(biao)明鎳在合(he)(he)(he)(he)金(jin)中(zhong)可以起到穩定合(he)(he)(he)(he)金(jin)表(biao)層鈍(dun)化(hua)(hua)狀(zhuang)態的(de)(de)作用(yong),并(bing)有助于(yu)延長發(fa)生孔蝕核的(de)(de)誘導時間。



5. 合金鈍化膜的表層結構分(fen)析(xi)


  圖(tu)6-15為合金鈍化膜中各(ge)元(yuan)素的深度分布曲線(AES),圖(tu)6-16為合金鈍化膜表層(ceng)的俄歇電子能譜(pu)圖(tu)(AES)。


圖 15.jpg


 對鈍化(hua)(hua)膜(mo)中各(ge)元(yuan)素氧(yang)化(hua)(hua)物的(de)組態進行(xing)了XPS分(fen)析(xi),并將(jiang)濺射前后鈍化(hua)(hua)膜(mo)表層和基體中氧(yang)、鐵、鉻、鎳、鉬各(ge)元(yuan)素的(de)氧(yang)化(hua)(hua)峰(feng)及金(jin)屬峰(feng)結合能(neng)(neng)與標準手冊(ce)上的(de)結合能(neng)(neng)進行(xing)對比(bi)。所測試到的(de)各(ge)元(yuan)素的(de)結能(neng)(neng)均(jun)采用(yong) OIs 峰(feng)進行(xing)標定,見表 6-18。


表 18.jpg


  從AES和XPS的分析結果可知,鈍化膜表層氧富集較多,其次是鉻和鐵。同時,在合金的鈍化膜表層中,鉻基本上全部氧化,以三氧化二鉻(Cr2O3)的形式存在。鐵有部分被氧化成氧化亞鐵(FeO)和三氧化二鐵(Fe2O3),鉬有部分被氧化成三氧化鉬(MoO3),而鎳只有少量被氧化成氧化鎳(NiO)。從氧的結合能可看到,鈍化膜主要是O-M-O鍵。這就使金屬與溶液界面上形成了一道屏障層。這種由O-M-O鍵組成的屏障,決定鈍化膜表面的活性點少,鈍化膜有高效的化學穩定性,不易受到破壞,而這些都與恰當的鉻、鎳匹配分不開。