1. 動(dong)電位極化曲線分析


   圖5.14為不同固溶溫度下2205雙(shuang)相不銹鋼在0.5mol/L 硫酸溶液中的極化曲線,從圖中可以看出,不同固溶溫度下的試樣極化曲線形狀相似,在陽極區都有一個很寬的鈍化區間,并且鈍化區寬度基本相同,均在-0.2~0.9V之間。這是由于硫酸是一種氧化性酸,雙相不銹鋼中Cr元素含量較高,Cr元素不僅可以降低雙相不銹鋼鈍化的難度,而且可以提高鈍化膜的穩定性,因此,處于0.5mol/L 硫酸溶液環境中在陽極溶解的過程中會發生鈍化。其具體擬合值如表5.5所列。



   表5.5中Esorr代表自腐蝕電位,Icorr代表自腐蝕電流Ip代表維鈍電流,自腐蝕電位只能代表材料的耐蝕傾向,而自腐蝕電流則可表示材料在溶液中的實際腐蝕速率。由表5.5中數據可知,不同固溶處理溫度下試樣的自腐蝕電位均在-0.4~-0.3V之間,自腐蝕電流大小均為10-6級別,這表明固溶溫度對雙相不銹鋼在硫酸溶液中的耐蝕性能沒有本質的改變,但是也有一些影響。當固溶溫度為950℃時,自腐蝕電流為6.92×10-6(A/c㎡),為所有固溶溫度試樣的最大值;當固溶溫度為1050℃時,自腐蝕電流為1.91×10-6(A/c㎡),為所有固溶溫度試樣的最小值。這表明,當固溶溫度為1050℃時,2205雙相不銹鋼在0.5mol/L 硫酸溶液中耐蝕性能達到最佳;當溫度為950℃時,由于σ相的影響,導致雙相(xiang)不(bu)銹鋼耐蝕性能變差。


   維鈍電流密度的大小可以反映出材料鈍化膜的穩定性,維鈍電流密度越大說明鈍化膜穩定性越差。因此,當固溶溫度為950℃時,維鈍電流密度為1.58×10-4(A/c㎡),比其他固溶溫度下試樣的維鈍電流密度大了一個數量級,為所有固溶溫度試樣的最大值;當固溶溫度為1050℃時,維鈍電流密度為1.75×10-5(A/c㎡),為所有固溶溫度試樣的最小值。這表明1050℃固溶溫度下,在0.5mol/L 硫酸溶液中材料表面形成的鈍化膜最穩定也最致密;當溫度為950℃時,在0.5mol/L 硫酸溶液中材料表面形成的鈍化膜最不穩定,這是因為σ相的析出導致鐵素體與奧氏體中的Cr元素偏聚其中,導致σ相周圍形成貧Cr區,Cr元素為鈍化膜形成的組要元素,因此,材料表面不能形成很好的鈍化膜,鈍化膜的耐蝕性能下降。


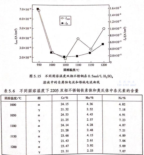
   圖5.15為(wei)不(bu)(bu)同(tong)固(gu)溶(rong)(rong)溫(wen)度(du)雙相不(bu)(bu)銹(xiu)(xiu)鋼在(zai)(zai)0.5mol/L 硫(liu)酸溶(rong)(rong)液中自(zi)腐(fu)蝕(shi)(shi)電(dian)流和(he)(he)(he)維鈍(dun)(dun)電(dian)流曲(qu)線,從(cong)(cong)圖中可以看出(chu),自(zi)腐(fu)蝕(shi)(shi)電(dian)流和(he)(he)(he)維鈍(dun)(dun)電(dian)流具有(you)相同(tong)的(de)(de)趨勢,隨著固(gu)溶(rong)(rong)溫(wen)度(du)的(de)(de)增加,2205雙相不(bu)(bu)銹(xiu)(xiu)鋼的(de)(de)自(zi)腐(fu)蝕(shi)(shi)電(dian)流和(he)(he)(he)維鈍(dun)(dun)電(dian)流均先下降后(hou)上升(sheng)。當溫(wen)度(du)為(wei)950℃時(shi)(shi),材料的(de)(de)耐(nai)蝕(shi)(shi)性(xing)(xing)能和(he)(he)(he)鈍(dun)(dun)化(hua)膜(mo)穩定(ding)(ding)性(xing)(xing)均為(wei)最差,主要(yao)是由(you)于σ相的(de)(de)析出(chu)所(suo)導致。當固(gu)溶(rong)(rong)溫(wen)度(du)達(da)到(dao)1000℃后(hou),σ相消失,雙相不(bu)(bu)銹(xiu)(xiu)鋼中只存在(zai)(zai)鐵(tie)(tie)素(su)(su)(su)體(ti)(ti)與奧(ao)(ao)氏(shi)體(ti)(ti)兩相,消除(chu)了第二相給材料耐(nai)蝕(shi)(shi)性(xing)(xing)能帶(dai)來的(de)(de)負面影響,其耐(nai)蝕(shi)(shi)性(xing)(xing)能和(he)(he)(he)鈍(dun)(dun)化(hua)膜(mo)穩定(ding)(ding)性(xing)(xing)均較950℃時(shi)(shi)有(you)明顯提(ti)高(gao)(gao)。當溫(wen)度(du)為(wei)1050℃時(shi)(shi)耐(nai)蝕(shi)(shi)性(xing)(xing)能和(he)(he)(he)鈍(dun)(dun)化(hua)膜(mo)穩定(ding)(ding)性(xing)(xing)達(da)到(dao)最佳,此時(shi)(shi)雙相不(bu)(bu)銹(xiu)(xiu)鋼兩相比例(li)基本達(da)到(dao)1:1.表5.6為(wei)各固(gu)溶(rong)(rong)溫(wen)度(du)下2205雙相不(bu)(bu)銹(xiu)(xiu)鋼鐵(tie)(tie)素(su)(su)(su)體(ti)(ti)和(he)(he)(he)奧(ao)(ao)氏(shi)體(ti)(ti)Cr、Mo、Ni的(de)(de)元(yuan)(yuan)素(su)(su)(su)含(han)(han)量,由(you)表可知,奧(ao)(ao)氏(shi)體(ti)(ti)中Cr、Mo元(yuan)(yuan)素(su)(su)(su)含(han)(han)量基本相同(tong),而(er)鐵(tie)(tie)素(su)(su)(su)體(ti)(ti)中Cr元(yuan)(yuan)素(su)(su)(su)含(han)(han)量和(he)(he)(he)Mo元(yuan)(yuan)素(su)(su)(su)含(han)(han)量最高(gao)(gao),即此時(shi)(shi)各元(yuan)(yuan)素(su)(su)(su)在(zai)(zai)兩相中的(de)(de)分(fen)布達(da)到(dao)最佳狀態。隨著溫(wen)度(du)的(de)(de)繼續升(sheng)高(gao)(gao),自(zi)腐(fu)蝕(shi)(shi)電(dian)流和(he)(he)(he)維鈍(dun)(dun)電(dian)流均上升(sheng),并與1200℃時(shi)(shi)達(da)到(dao)另外一(yi)個峰值。由(you)于隨著固(gu)溶(rong)(rong)溫(wen)度(du)的(de)(de)升(sheng)高(gao)(gao),鐵(tie)(tie)素(su)(su)(su)體(ti)(ti)與奧(ao)(ao)氏(shi)體(ti)(ti)兩相比例(li)逐(zhu)漸(jian)偏離1:1,而(er)從(cong)(cong)表5.6中可以看出(chu)此時(shi)(shi)鐵(tie)(tie)素(su)(su)(su)體(ti)(ti)含(han)(han)量不(bu)(bu)斷增加,奧(ao)(ao)氏(shi)體(ti)(ti)含(han)(han)量逐(zhu)漸(jian)降低(di),鐵(tie)(tie)素(su)(su)(su)體(ti)(ti)中Cr和(he)(he)(he)Mo元(yuan)(yuan)素(su)(su)(su)含(han)(han)量降低(di),各元(yuan)(yuan)素(su)(su)(su)在(zai)(zai)兩相中的(de)(de)分(fen)布偏離最佳狀態。因(yin)此,其耐(nai)蝕(shi)(shi)性(xing)(xing)和(he)(he)(he)鈍(dun)(dun)化(hua)膜(mo)穩定(ding)(ding)性(xing)(xing)均變差。


15.jpg



2. 交流阻(zu)抗測試(shi)分析


   圖(tu)5.16為不(bu)同固(gu)溶溫度試樣在(zai)(zai)0.5mol/L 硫酸(suan)溶液中(zhong)的(de)電化學阻(zu)抗(kang)譜Nyquist 曲(qu)線(xian)(xian)圖(tu)。從圖(tu)5.16中(zhong)可知,所(suo)有固(gu)溶溫度下試樣的(de)Nyquist 曲(qu)線(xian)(xian)均由(you)~個較(jiao)大的(de)半圓弧(hu)(hu)構成。比較(jiao)半圓弧(hu)(hu)的(de)直(zhi)(zhi)徑可知:1050℃>1000℃>1100℃>1150℃>1200℃>950℃.Nyquist曲(qu)線(xian)(xian)半圓弧(hu)(hu)的(de)直(zhi)(zhi)徑代表了材(cai)料耐(nai)蝕(shi)性(xing)能(neng)(neng),直(zhi)(zhi)徑越大說明材(cai)料耐(nai)蝕(shi)性(xing)能(neng)(neng)越好。因此,材(cai)料在(zai)(zai)1050℃時(shi)耐(nai)蝕(shi)性(xing)能(neng)(neng)最好,950℃時(shi)耐(nai)蝕(shi)性(xing)能(neng)(neng)最差(cha),這(zhe)與極化曲(qu)線(xian)(xian)的(de)結果相一(yi)致(zhi)。

16.jpg

   不(bu)同固(gu)溶溫(wen)度下(xia)2205雙(shuang)相不(bu)銹鋼阻(zu)抗(kang)等效電(dian)路和(he)擬合數(shu)據如(ru)圖5.17和(he)表(biao)5.7所(suo)示。表(biao)5.7中Rsol為(wei)溶液(ye)(ye)電(dian)阻(zu),Cl為(wei)雙(shuang)電(dian)層電(dian)容(rong),Rl為(wei)極(ji)化電(dian)阻(zu)。溶液(ye)(ye)電(dian)阻(zu)在(zai)2~6Ω/c㎡內(nei)波動,相比較極(ji)化電(dian)阻(zu)可以(yi)忽略不(bu)計,說(shuo)明(ming)溶液(ye)(ye)本身的(de)(de)影響很小(xiao)(xiao)。極(ji)化電(dian)阻(zu)R1隨(sui)固(gu)溶溫(wen)度的(de)(de)變化曲線如(ru)圖5.18所(suo)示。從圖5.18中可以(yi)看(kan)出(chu),R1在(zai)1050℃達(da)(da)到(dao)最(zui)大(da)值27290Ω/c㎡,在(zai)950℃達(da)(da)到(dao)最(zui)小(xiao)(xiao)值2579Ω/c㎡,并且隨(sui)著固(gu)溶溫(wen)度的(de)(de)升(sheng)高先(xian)增大(da)后(hou)減小(xiao)(xiao)。表(biao)明(ming)當(dang)固(gu)溶溫(wen)度達(da)(da)到(dao)1050℃時,雙(shuang)相不(bu)銹鋼的(de)(de)鈍化膜穩定性和(he)致(zhi)密(mi)程度最(zui)佳(jia),與(yu)(yu)溶液(ye)(ye)進行反應的(de)(de)速度最(zui)小(xiao)(xiao),反應難度最(zui)大(da)。這與(yu)(yu)極(ji)化曲線得到(dao)的(de)(de)結果相致(zhi)。


17.jpg