91香蕉视频app

哈氏合金|Hastelloy

哈氏(shi)合金(jin)是(shi)一種鎳基(ji)耐腐蝕(shi)合金(jin),主要(yao)分成鎳-鉻合金(jin)與鎳鉻鉬(mu)合金(jin)兩大類。哈氏(shi)合金(jin)具有良好的(de)(de)抗腐蝕(shi)性和熱穩定性,多用于航(hang)空事業,化學領域(yu)等。哈氏(shi)合金(jin)(Hastelloy alloy)就是(shi)美國哈氏(shi)合金(jin)國際公司(si)所生產的(de)(de)鎳基(ji)耐蝕(shi)合金(jin)的(de)(de)商業牌(pai)號(hao)的(de)(de)統稱。

產品分類 / 用途

00Mo28Ni65Fe5(Hastelloy B)


 0Mo28Ni65Fe5 、NS 321、Hastelloy B 合金的化學成分列入表3-4-1中


表 4-1.jpg


一、組(zu)織特(te)點


NS 321、Hastelloy B 合金固溶處理態為過飽和固溶體,在中溫時效態會有金屬間相,如Ni4Mo(β),Ni3Mo(γ),碳化物如Mo6C、M2C等在基體上和沿晶界析出,會對此合金的性能產生不利的影響。


二、耐腐(fu)蝕性能(neng)


 1. 全面腐蝕(shi)


  0Mo28Ni65Fe5、Hastelloy B 合金在(zai)所有(you)大(da)氣(qi)條(tiao)件下(xia)(包(bao)括海洋(yang)和(he)(he)工(gong)業大(da)氣(qi))都具有(you)較好的耐蝕(shi)性。表3-4-2列出了在(zai)大(da)氣(qi)中放置12年和(he)(he)23年后(hou)的試驗結果。在(zai)海洋(yang)大(da)氣(qi)中,其腐蝕(shi)速率僅為工(gong)業氣(qi)氛中的1/7,但其點蝕(shi)深度要比在(zai)工(gong)業氣(qi)氛中深一些(xie)。


表 4-2.jpg


  在天然(ran)水(shui)和高純(chun)(chun)水(shui)中(zhong),0Mo28Ni65Fe5 、Hastelloy B 合金耐(nai)蝕(shi)性能極佳。例如,在河水(shui),井水(shui)等天然(ran)水(shui)中(zhong),腐(fu)蝕(shi)速率一般≤0.025mm/a.在海水(shui)中(zhong),當(dang)處于靜(jing)止或流(liu)速較(jiao)慢(man)的(de)狀態時,0Mo28Ni65Fe5 合金的(de)耐(nai)全(quan)面腐(fu)蝕(shi)性能較(jiao)純(chun)(chun)鎳稍低,但耐(nai)點蝕(shi)和縫隙腐(fu)蝕(shi)性要優(you)于純(chun)(chun)鎳。


  在各種酸介質中的耐(nai)蝕性見圖3-4-12~圖3-4-16 及表3-4-3~表3-4-19。


  ①. 在硫(liu)酸中(zhong) 


   在(zai)不充空(kong)氣的(de)(de)和(he)非氧(yang)化性(xing)(xing)的(de)(de)硫酸(suan)(suan)中(zhong)(zhong),耐蝕(shi)性(xing)(xing)是非常好的(de)(de),可(ke)應用的(de)(de)濃(nong)度(du)、溫(wen)度(du)范圍相當(dang)寬。例如,在(zai)100℃以(yi)(yi)下所(suo)有濃(nong)度(du)的(de)(de)硫酸(suan)(suan)中(zhong)(zhong),0Mo28Ni65Fe5 合金的(de)(de)腐(fu)蝕(shi)速率小于(yu)0.125mm/a;在(zai)115℃以(yi)(yi)下的(de)(de)任何濃(nong)度(du)硫酸(suan)(suan)中(zhong)(zhong)≤5mm/a;在(zai)沸騰溫(wen)度(du)以(yi)(yi)下的(de)(de)硫酸(suan)(suan)中(zhong)(zhong),0Mo28Ni65Fe5合金的(de)(de)耐硫酸(suan)(suan)腐(fu)蝕(shi)的(de)(de)濃(nong)度(du)可(ke)達60%;濃(nong)度(du)再(zai)高,由(you)于(yu)硫酸(suan)(suan)本身的(de)(de)高氧(yang)化性(xing)(xing),0Mo28Ni65Fe5 合金要受到嚴重腐(fu)蝕(shi)。在(zai)稀硫酸(suan)(suan)中(zhong)(zhong),0Mo28Ni65Fe5合金的(de)(de)耐蝕(shi)性(xing)(xing)隨充人空(kong)氣而降低,且當(dang)硫酸(suan)(suan)濃(nong)度(du)在(zai)5%~10%時最為明顯(xian)。圖(tu)3-4-12 和(he)表3-4-3系一些試驗(yan)結果。


圖 4-12.jpg


表 4-3.jpg


   在(zai)(zai)生產醇類過(guo)程中,也常常遇到(dao)濃度為45%~65%,溫度115~120℃的(de)硫(liu)酸。采(cai)用其(qi)他(ta)材料,例(li)如不銹鋼、鎳基或銅基合(he)金,在(zai)(zai)靜止(zhi)和低(di)流速條件下(xia)(xia),腐蝕(shi)速率可≤0.5mm/a.但在(zai)(zai)高流速、高溫條件下(xia)(xia),腐蝕(shi)速率要超過(guo)2.5mm/a.然而,0Mo28Ni65Fe5合(he)金在(zai)(zai)45%~65% 硫(liu)酸,115℃的(de)工廠試驗條件下(xia)(xia)的(de)結果表明,其(qi)腐蝕(shi)速率僅為1mm/a。


   硫(liu)酸也常常用(yong)于(yu)石油產品的(de)(de)(de)精煉以(yi)去除樹(shu)脂(zhi)、瀝青(qing)或類膠物質。0Mo28Ni65Fe5合(he)金在此(ci)種條(tiao)件(jian)下的(de)(de)(de)耐蝕性也是非常好的(de)(de)(de),見(jian)表 3-4-4,用(yong) 0Mo28Ni65Fe5 合(he)金鑄造的(de)(de)(de)泵(beng)、閥等(deng)部件(jian)是適用(yong)的(de)(de)(de)。


表 4-4.jpg

   向硫酸中加入氧化性鹽(硝酸鹽、鉻酸鹽、高錳酸鹽等)和其他氧化性離子(Fe3+、Ca2+等),會顯著提高0Mo28Ni65Fe5、Hastelloy B 合金的腐蝕速率,且溫度越高越嚴重。因此,0Mo28Ni65Fe5合金一般不允許在這些條件下使用,除非氧化性鹽和氧化性離子的濃度很低,不足以影響0Mo28Ni65Fe5合金的耐蝕性。表3-4-5系硫酸中含銅時對0Mo28Ni65Fe5合金耐蝕性的影響。顯然,在含銅的硫酸中或銅有可能進入硫酸的條件下,選用0Mo28Ni65Fe5 合金是不適宜的。此外,0Mo28Ni65Fe5 合金與碳、石墨等接觸也會由于產生電偶腐蝕而使它迅速破壞,表3-4-6示出了試驗結果。由于石墨也是耐硫酸性能很好的非金屬材料,因此,當0Mo28Ni65Fe5 合金與石墨同時使用時,要注意防止這種電偶腐蝕的產生。


表 4-5.jpg


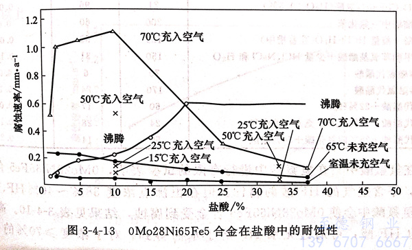
  ②. 在鹽酸中


   在未充入空(kong)氣(qi)的(de)(de)鹽酸中(zhong),0Mo28Ni65Fe5、Hastelloy B 合金(jin)在常壓下任何(he)濃度、任何(he)溫度下都是耐(nai)(nai)(nai)蝕(shi)(shi)的(de)(de)。Ni-Mo耐(nai)(nai)(nai)蝕(shi)(shi)合金(jin)包括0Mo28Ni65Fe5 在內是耐(nai)(nai)(nai)鹽酸性能最好的(de)(de)一(yi)類合金(jin)。作為耐(nai)(nai)(nai)鹽酸的(de)(de)金(jin)屬材料,目前也只有金(jin)屬鉬、鋯、鎢、鉭的(de)(de)耐(nai)(nai)(nai)蝕(shi)(shi)性能超過Ni-Mo耐(nai)(nai)(nai)蝕(shi)(shi)合金(jin)。


   圖3-4-13和(he)表3-4-7系0Mo28Ni65Fe5合(he)金(jin)在(zai)鹽(yan)酸(suan)中(zhong)的(de)(de)試(shi)(shi)驗結(jie)(jie)果(guo)。從這(zhe)些結(jie)(jie)果(guo)可(ke)以看出,0Mo28Ni65Fe5合(he)金(jin)的(de)(de)耐(nai)蝕(shi)性受鹽(yan)酸(suan)中(zhong)有(you)無空(kong)氣(qi)存(cun)在(zai)的(de)(de)影(ying)響很大(da);當酸(suan)中(zhong)有(you)空(kong)氣(qi)存(cun)在(zai)時,對(dui)0Mo28Ni65Fe5 合(he)金(jin)的(de)(de)耐(nai)蝕(shi)性的(de)(de)不良(liang)影(ying)響以鹽(yan)酸(suan)濃度(du)5%~10%時最為明顯。表3-4-8系在(zai)氣(qi)相(xiang)中(zhong)充氮和(he)充氧十氮時的(de)(de)試(shi)(shi)驗結(jie)(jie)果(guo),同樣可(ke)看出氧的(de)(de)不良(liang)影(ying)響。某些有(you)機和(he)無機含水(shui)氯(lv)化物處理過程(cheng)中(zhong)會有(you)鹽(yan)酸(suan)產(chan)生(sheng)。在(zai)一些氯(lv)化碳(tan)氫化物條(tiao)件下(xia),熱蒸汽的(de)(de)冷凝可(ke)以產(chan)生(sheng)較高濃度(du)的(de)(de)鹽(yan)酸(suan),0Mo28Ni65Fe5 合(he)金(jin)在(zai)這(zhe)些條(tiao)件下(xia)的(de)(de)試(shi)(shi)驗結(jie)(jie)果(guo)見(jian)表3-4-9。


圖 4-13.jpg


表 4-7.jpg


   當鹽(yan)(yan)酸中有氧化性鹽(yan)(yan),例(li)如銅(tong)、鐵、汞鹽(yan)(yan)時,0Mo28Ni65Fe5 合金的(de)耐(nai)蝕性要下降,而且酸的(de)溫度(du)(du)越高越明(ming)顯。在10%鹽(yan)(yan)酸中,不同溫度(du)(du)所允許的(de)FeCl3的(de)濃度(du)(du)限為(wei):室溫1290ppm; 65℃ 330ppm; 沸騰溫度(du)(du)26ppm.


  ③. 在氫(qing)氟酸中 


  在(zai)氫氟(fu)酸(suan)中進行有限的(de)(de)試驗表(biao)明,0Mo28Ni65Fe5、Hastelloy B 合(he)金(jin)(jin)可耐(nai)≤100℃,不含空氣的(de)(de)HF酸(suan)的(de)(de)腐蝕(shi)。但(dan)在(zai)恒沸(fei)(fei)點濃(nong)度38%~40%HF、沸(fei)(fei)騰為115℃的(de)(de)氫氟(fu)酸(suan)中會使0Mo28Ni65Fe5合(he)金(jin)(jin)受到腐蝕(shi),結果見(jian)表(biao)3-4-10。高于恒沸(fei)(fei)點濃(nong)度的(de)(de)HF酸(suan),可通過無水(shui)HF溶于水(shui)而得到。對于濃(nong)度≥70%的(de)(de)HF酸(suan),0Mo28Ni65Fe5、Hastelloy B 合(he)金(jin)(jin)的(de)(de)耐(nai)蝕(shi)性反而較耐(nai)低濃(nong)度HF酸(suan)的(de)(de)性能要好。0Mo28N165Fe5合(he)金(jin)(jin)在(zai)HF酸(suan)再生條件下(xia)的(de)(de)腐蝕(shi)情況見(jian)表(biao)3-4-11,顯然,此合(he)金(jin)(jin)的(de)(de)耐(nai)蝕(shi)性良(liang)好。


表 4-10.jpg


  ④. 在磷(lin)酸中(zhong) 


   0Mo28Ni65Fe5、Hastelloy B 合金耐H3PO4腐蝕,一些試驗結果見圖3-4-14及表3-4-12和表3-4-13.由圖表可知除充入空氣時和加壓高溫下,0Mo28Ni65Fe5耐蝕性稍有降低外,其耐H3OP4性能是良好的。但是,0Mo28Ni65Fe5 合金不耐濕法H3PO4的腐蝕,因為,酸中含有氫氟酸、氫氟硅酸、殘余的硫酸以及鐵鹽和鋁鹽,此種酸在本質上呈氧化性,使0Mo28Ni65Fe5合金的腐蝕速率可高達25mm/a以上。


圖 4-14.jpg


表 4-12.jpg


   ⑤. 在醋酸(suan)中


   在(zai)苛(ke)刻(ke)的(de)(de)(de)腐(fu)蝕條件下(xia),即在(zai)未充(chong)空氣(qi)的(de)(de)(de)沸騰溫度(du)下(xia),在(zai)10%~50%濃(nong)(nong)度(du)的(de)(de)(de)醋酸(suan)中(zhong),0Mo28Ni65Fe5合(he)(he)金(jin)的(de)(de)(de)腐(fu)蝕速率不(bu)超(chao)過(guo)0.125~0.150mm/a。當然,醋酸(suan)中(zhong)有空氣(qi)存在(zai),同樣加速此合(he)(he)金(jin)的(de)(de)(de)腐(fu)蝕。但(dan)是在(zai)純(chun)的(de)(de)(de)高(gao)濃(nong)(nong)度(du)醋酸(suan)或者冰醋酸(suan)中(zhong),充(chong)人空氣(qi)對(dui)0Mo28Ni65Fe5 合(he)(he)金(jin)的(de)(de)(de)耐蝕性(xing)影響(xiang)則很(hen)小。向醋酸(suan)中(zhong)加入NaCl時,將有少量(liang)HC1酸(suan)形成(cheng)。雖然稍提高(gao)0Mo28Ni65Fe5合(he)(he)金(jin)的(de)(de)(de)腐(fu)蝕速率,但(dan)由于0Mo28Ni65Fe5合(he)(he)金(jin)的(de)(de)(de)耐鹽酸(suan)性(xing)能良好,故影響(xiang)并不(bu)顯著(zhu)。表3-4-14系0Mo28Ni65Fe5 合(he)(he)金(jin)在(zai)醋酸(suan)中(zhong)的(de)(de)(de)耐蝕性(xing)。

  

表 4-14.jpg

  ⑥. 在甲酸中(zhong)


  此種算對 0Mo28Ni65Fe5、Hastelloy B 合金(jin)(jin)的(de)腐蝕較醋酸(suan)(suan)嚴重。通入空氣和酸(suan)(suan)中有氧化劑存在同樣加速 0Mo28Ni65Fe5、Hastelloy B 合金(jin)(jin)的(de)腐蝕。在甲酸(suan)(suan)中的(de)試(shi)驗結果(guo)見圖3-4-15。在其(qi)他(ta)有機酸(suan)(suan)中:試(shi)驗結果(guo)見表 3-4-15。


表 4-15.jpg


  ⑦. 在堿和鹽中 


    試驗表明,0Mo28Ni65Fe5、Hastelloy B 合金在濃度≤70%NaOH、溫度≤120℃條件下,其腐蝕速率僅為0.050mm/a;在沸點為165℃的60%NaOH和沸點為191℃的70%NaOH中,其腐蝕速率≤0.50mm/a;在100~180℃,濃度為60%的Na2S溶液中,腐蝕速率為0.55mm/a。


    在(zai)(zai)一(yi)些中(zhong)(zhong)性(xing)和堿性(xing)非(fei)(fei)氧(yang)(yang)化(hua)(hua)性(xing)鹽(yan)中(zhong)(zhong),0Mo28Ni65Fe5 合金(jin)的(de)耐(nai)蝕(shi)性(xing)良(liang)好。在(zai)(zai)非(fei)(fei)氧(yang)(yang)化(hua)(hua)性(xing)酸性(xing)鹽(yan)中(zhong)(zhong)(氯(lv)(lv)化(hua)(hua)物、硫酸鹽(yan)和氟化(hua)(hua)物鹽(yan))的(de)試驗(yan)結(jie)果見表3-4-16,顯然,0Mo28Ni65Fe5 合金(jin)也是耐(nai)蝕(shi)的(de)。但是,在(zai)(zai)氧(yang)(yang)化(hua)(hua)性(xing)酸性(xing)鹽(yan)中(zhong)(zhong),例如氯(lv)(lv)化(hua)(hua)鐵(tie)、氯(lv)(lv)化(hua)(hua)銅(tong)(tong)、硫酸鐵(tie)、硫酸銅(tong)(tong)等溶液中(zhong)(zhong),0Mo28Ni65Fe5僅(jin)在(zai)(zai)非(fei)(fei)常稀的(de)溶液中(zhong)(zhong)才(cai)耐(nai)蝕(shi);濃度(du)稍高,便會(hui)受(shou)到嚴重腐蝕(shi),一(yi)些試驗(yan)結(jie)果見表3-4-17。


表 4-16.jpg


  ⑧. 在鹵(lu)素元素及其氫(qing)化物氣體(ti)中 


  氟、氯、溴等鹵素元素中(zhong),在(zai)氯化(hua)氫(qing)、氟化(hua)氫(qing)等高溫氣(qi)體(ti)中(zhong),0Mo28Ni65Fe5合(he)金的試驗(yan)(yan)結果見表(biao)3-4-18和圖3-4-16。由表(biao)可(ke)知,在(zai)干(gan)氯、干(gan)溴和高溫碘氣(qi)體(ti)中(zhong),0Mo28Ni65Fe5合(he)金是極(ji)耐蝕的,但在(zai)濕態下則腐蝕嚴重,不能選用。試驗(yan)(yan)表(biao)明,在(zai)CCl4 和 CoCl2 高溫氣(qi)體(ti)中(zhong),0Mo28Ni65Fe5、Hastelloy B 合(he)金的耐蝕性相(xiang)對(dui)好(hao),而(er)且即使介質中(zhong)含(han)有水分,此合(he)金也同樣耐腐蝕,見表(biao) 3-4-19。


表 4-19.jpg


  0Mo28Ni65Fe5、Hastelloy B 合金(jin)由于鉬(mu)含量高(gao),且鉬(mu)的氟(fu)化物易揮發,因此在(zai)高(gao)溫(wen)氟(fu)氣(qi)(qi)(qi)中,0Mo28Ni65Fe5是不耐蝕(shi)(shi)(shi)的。例如(ru),在(zai)600℃,氟(fu)氣(qi)(qi)(qi)流量為(wei)75~100ml/min條件下,0Mo28Ni65Fe5合金(jin)厚0.95mm的試樣,經95h試驗(yan)后受到了嚴重腐(fu)蝕(shi)(shi)(shi)。然(ran)而,在(zai)高(gao)溫(wen)HF氣(qi)(qi)(qi)中,0Mo28Ni65Fe5合金(jin)則(ze)是耐蝕(shi)(shi)(shi)的(在(zai)500~600℃ HF氣(qi)(qi)(qi)中,經36小(xiao)時試驗(yan),其腐(fu)蝕(shi)(shi)(shi)速(su)率(lv)僅為(wei)0.050mm/a).


  ⑨. 在氧(空氣(qi))、硫、氣(qi)體中


  由于0Mo28Ni65Fe5、Hastelloy B 合金不含鉻,而且鉬的氧化膜(例如,在此合金表面形成NiMoO4)在750℃條件下極易脫落。因而,0Mo28Ni65Fe5的高溫抗氧化性很差,也由于此合金不含鉻且鎳含量高,因而在含硫和硫化物的高溫氣體中耐蝕性不良。


 2. 晶(jing)間腐蝕


 0Mo28Ni65Fe5、Hastelloy B 合(he)金(jin)雖然固(gu)(gu)溶態耐蝕(shi),特別是(shi)耐鹽酸(suan)、硫(liu)酸(suan)等(deng)的(de)性能很好(hao),但是(shi)一(yi)(yi)旦經(jing)過(guo)焊接,再在鹽酸(suan)、硫(liu)酸(suan)中使用,則(ze)在焊縫處易出(chu)現(xian)刀(dao)口(kou)腐蝕(shi),在熱影響(xiang)區(qu)出(chu)現(xian)晶間(jian)腐蝕(shi)。圖3-4-17 和(he)圖3-4-18 系一(yi)(yi)些(xie)試驗結果。由(you)圖可知,0Mo28Ni65Fe5 合(he)金(jin)有兩(liang)個(ge)敏(min)化(hua)(hua)區(qu):1200~1300℃的(de)高溫敏(min)化(hua)(hua)區(qu)和(he)600~900℃的(de)中溫敏(min)化(hua)(hua)區(qu)。經(jing)過(guo)兩(liang)個(ge)敏(min)化(hua)(hua)區(qu)時(shi),0Mo28Ni65Fe5合(he)金(jin)產(chan)生晶間(jian)腐蝕(shi),不(bu)(bu)僅使耐蝕(shi)性顯著下(xia)降,而且(qie)還伴隨有硬度增加。0Mo28Ni65Fe5合(he)金(jin)的(de)晶間(jian)腐蝕(shi)不(bu)(bu)同于一(yi)(yi)般的(de)奧氏體不(bu)(bu)銹鋼,即(ji)使是(shi)固(gu)(gu)溶處理且(qie)迅(xun)速冷卻也無法(fa)防止它的(de)產(chan)生。表3-4-20系一(yi)(yi)些(xie)試驗結果。


圖 4-18.jpg


  研究表明,0Mo28Ni65Fe5 合金的晶間腐蝕與合金中析出相的成分、結構之間有著密切的關系。在≥1250℃高溫區,合金中的析出相有含量較高的M6C、M2C等碳化物以及。相:在550~900℃的中溫區,則有Ni-Mo金屬間相(高于850℃ 為Ni3Mo型,較低溫度則為Ni4Mo型)和M6C、M2C等碳化物。這些金屬間相和碳化物均含有較高的鉬,它們沿晶界的沉淀可引起鋁的嚴重貧化,從而導致0Mo28Ni65Fe5、Hastelloy B 合金的晶間腐蝕。同時,由于析出相的強化作用,合金的強度、硬度亦有所提高。


表 4-20.jpg


  為了解決0Mo28Ni65Fe5合(he)(he)金(jin)的(de)晶間(jian)腐蝕問題,曾(ceng)研制出超低(di)碳和低(di)硅、低(di)鐵(tie)的(de)新合(he)(he)金(jin) 00Mo28Ni68 和 含釩(fan)(1.4%~2.2%)的(de)新合(he)(he)金(jin) 00Mo28Ni68V (Corronel 220,am814).除00Mo28Ni68(Hastelloy B2)獲得大量應用外,前述1990年以來控制或調整合(he)(he)金(jin)中鐵(tie)、鉻量而開發的(de) Hastelloy B3、B4和B10等引起了人們的(de)廣(guang)泛關(guan)注。


三、力學性能


  0Mo28Ni65Fe5 合金的(de)室溫和(he)高溫瞬時(shi)力學(xue)性(xing)能見(jian)表3-4-21和(he)表3-4-22。


表 4-21.jpg


四、物理性能


  此合金物理常數見表3-4-23。0Mo28Ni65Fc5合金除作(zuo)為耐(nai)蝕(shi)材(cai)料(liao)外,還(huan)可作(zuo)為電子(zi)管(guan)陰極材(cai)料(liao),它具(ju)有中等(deng)激活(huo)性能和較高的發射能力。


表 4-23.jpg


五、焊(han)接性(xing)能

 

  0Mo28Ni65Fe5、Hastelloy B 合金可焊性好,與一般奧(ao)氏(shi)體不銹鋼(gang)相(xiang)(xiang)近(jin),可以(yi)采(cai)用工業上通用的(de)方法,例如TIG、MIG、手(shou)工電弧焊、電阻(zu)(zu)焊等進行焊接。但是(shi)能夠導致焊接過程中(zhong)增碳(tan)的(de)焊接方法則不宜采(cai)用。焊接用的(de)填絲其成分可與母材(cai)(cai)相(xiang)(xiang)同(tong)。由于此(ci)合金熱膨(peng)脹系數、電阻(zu)(zu)溫度(du)系數較普通碳(tan)鋼(gang)低,且(qie)導熱系數僅為(wei)普通碳(tan)鋼(gang)的(de)1/4,因此(ci),當與碳(tan)鋼(gang)進行異材(cai)(cai)焊接時要予以(yi)考慮。


六、冷熱加(jia)工及成(cheng)型(xing)性能


  0Mo28Ni65Fe5 系變(bian)形(xing)合(he)(he)(he)(he)金(jin),有(you)較好(hao)的(de)(de)冷(leng)(leng)熱加(jia)工和(he)成型(xing)(xing)性(xing)(xing)能。此合(he)(he)(he)(he)金(jin)的(de)(de)熱加(jia)工以1000~1200℃為宜。經固溶處(chu)理后,0Mo28Ni65Fe5合(he)(he)(he)(he)金(jin)具(ju)有(you)良(liang)好(hao)的(de)(de)冷(leng)(leng)加(jia)工塑性(xing)(xing)和(he)冷(leng)(leng)成型(xing)(xing)性(xing)(xing)。當進行冷(leng)(leng)軋時,每個(ge)冷(leng)(leng)軋過程總壓下(xia)量(liang)可高(gao)達80%。隨(sui)冷(leng)(leng)軋變(bian)形(xing)量(liang)的(de)(de)增(zeng)加(jia),此合(he)(he)(he)(he)金(jin)的(de)(de)硬度(du)增(zeng)加(jia),它們之間的(de)(de)關系見圖3-4-19。此合(he)(he)(he)(he)金(jin)的(de)(de)冷(leng)(leng)成型(xing)(xing)較一般(ban)Cr-Ni奧氏體不銹鋼需更多(duo)次的(de)(de)中間退(tui)火,以使此合(he)(he)(he)(he)金(jin)的(de)(de)塑性(xing)(xing)得以回復。冷(leng)(leng)成型(xing)(xing)后均需要熱處(chu)理。



圖 4-19.jpg


七(qi)、熱處理(li)工(gong)藝


  無論是(shi)變形材還是(shi)鑄件,對(dui)于0Mo28Ni65Fe5合金(jin)的(de)(de)使用(yong)狀(zhuang)態一(yi)般(ban)是(shi)固(gu)溶態。因為(wei)(wei)此時合金(jin)具有最佳的(de)(de)耐(nai)蝕性、強韌(ren)性的(de)(de)良好(hao)配合。當然,冷(leng)加(jia)工或(huo)冷(leng)成(cheng)型的(de)(de)中間退(tui)(tui)火也可在低于固(gu)溶溫(wen)度(du)(du)下進(jin)行(xing),一(yi)般(ban)0Mo28Ni65Fe5合金(jin)適宜的(de)(de)固(gu)溶處(chu)理(li)溫(wen)度(du)(du)為(wei)(wei)1150~1170℃,加(jia)熱保(bao)溫(wen)后進(jin)行(xing)快冷(leng)(水(shui)冷(leng)或(huo)快速空冷(leng));中間退(tui)(tui)火溫(wen)度(du)(du)可在1000~1100℃下進(jin)行(xing)。此合金(jin)的(de)(de)再(zai)結晶溫(wen)度(du)(du)為(wei)(wei)950~1100℃。圖3-4-20系0Mo28Ni65Fe5合金(jin)的(de)(de)冷(leng)軋(ya)變形量、硬(ying)度(du)(du)和(he)中間退(tui)(tui)火溫(wen)度(du)(du)的(de)(de)關(guan)(guan)系。圖3-4-21系此合金(jin)退(tui)(tui)火溫(wen)度(du)(du)和(he)硬(ying)度(du)(du)的(de)(de)關(guan)(guan)系。為(wei)(wei)了保(bao)證此合金(jin)焊(han)后在鹽酸、硫酸等苛刻(ke)介質中的(de)(de)耐(nai)蝕性,建議焊(han)后再(zai)進(jin)行(xing)一(yi)次固(gu)溶處(chu)理(li)。


圖 4-20.jpg


八(ba)、應用


 0Mo28Ni65Fe5、Hastelloy B 合金可生產板材(cai)(cai)、管(guan)材(cai)(cai)(焊管(guan))、絲材(cai)(cai)、帶材(cai)(cai)、鍛件(jian)和鑄件(jian)。主要用途(tu)是耐(nai)鹽酸腐(fu)蝕(shi)。同時,耐(nai)濕HC1氣(qi)體(ti),耐(nai)硫酸、磷酸的性(xing)能也是很好的。因此,0Mo28Ni65Fe5 合金多用于(yu)制(zhi)造耐(nai)上述(shu)介質(zhi)的容器(qi)及其襯里、管(guan)道、塔槽、泵、閥等。此外,0Mo28Ni65Fe5 合金的超薄帶和極細絲制(zhi)造電子(zi)管(guan)的陰(yin)極材(cai)(cai)料(liao)也取得滿意(yi)結果。