要提高不銹鋼的耐腐蝕性,首先要注意的是不銹鋼的化學成分和組織,這是引起電化學腐蝕的內在原因,而腐蝕介質、溫度等是外因;尤其是鋼的化學成分,決定著電極電位差的大小和腐蝕電流的大小。


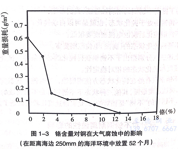
 鉻(ge)(ge)(ge)是不銹鋼都含(han)有的(de)(de)(de)(de)元(yuan)素(su),鉻(ge)(ge)(ge)是鐵(tie)(tie)素(su)體形(xing)成元(yuan)素(su)。鉻(ge)(ge)(ge)的(de)(de)(de)(de)主(zhu)要作用(yong)是耐腐(fu)蝕(shi)。從圖1-3中(zhong)可以(yi)看(kan)出在(zai)鋼中(zhong)添加鉻(ge)(ge)(ge)對腐(fu)蝕(shi)性(xing)的(de)(de)(de)(de)影響。當金屬中(zhong)鉻(ge)(ge)(ge)含(han)量達(da)到(dao)12%時,在(zai)大氣環境下或在(zai)氧(yang)(yang)化(hua)性(xing)介(jie)質中(zhong)鉻(ge)(ge)(ge)可以(yi)自發(fa)形(xing)成一種穩(wen)定的(de)(de)(de)(de)、透明的(de)(de)(de)(de)、極薄的(de)(de)(de)(de)鈍化(hua)膜(mo)來(lai)阻止腐(fu)蝕(shi),使金屬基本上(shang)(shang)不會(hui)生銹。較高(gao)的(de)(de)(de)(de)合金含(han)量可通過強化(hua)薄膜(mo)和(he)快速自我修(xiu)復薄膜(mo)來(lai)提高(gao)抗腐(fu)蝕(shi)性(xing)。不銹鋼的(de)(de)(de)(de)鉻(ge)(ge)(ge)含(han)量上(shang)(shang)限(xian)為30%.在(zai)氧(yang)(yang)化(hua)膜(mo)中(zhong),鉻(ge)(ge)(ge)與鐵(tie)(tie)的(de)(de)(de)(de)比例可以(yi)有很(hen)(hen)大的(de)(de)(de)(de)變(bian)動,鉻(ge)(ge)(ge)最高(gao)可達(da)到(dao)鐵(tie)(tie)的(de)(de)(de)(de)9倍。這種富鉻(ge)(ge)(ge)的(de)(de)(de)(de)氧(yang)(yang)化(hua)膜(mo)具有尖晶(jing)石點陣(zhen),在(zai)許多介(jie)質中(zhong)都有很(hen)(hen)高(gao)的(de)(de)(de)(de)穩(wen)定性(xing)。當鋼中(zhong)鉻(ge)(ge)(ge)含(han)量低于(yu)10%時,鈍化(hua)膜(mo)中(zhong)不存在(zai)鉻(ge)(ge)(ge)的(de)(de)(de)(de)氧(yang)(yang)化(hua)物(wu)。


圖 3.jpg


 不銹鋼所以耐腐蝕,主要是由于其表面有厚10埃以上的富集的鉻的氧化物薄膜。這層富集的鉻的氧化物薄膜,將其金屬與外部環境的聯系隔斷,達到防腐蝕的目的。這層氧化膜厚度一般在20~30埃之間,成分為Cr2O3,極其致密,與一般化學品不發生反應,氧和腐蝕物質無法通過這層氧化膜腐蝕內部基體。


 鎳(nie)(nie)是(shi)奧(ao)氏體(ti)的(de)(de)穩(wen)定(ding)元素,鎳(nie)(nie)可(ke)將奧(ao)氏體(ti)使用范圍擴大到低(di)溫區從圖(tu)1-4可(ke)以看出鎳(nie)(nie)的(de)(de)作用。在圖(tu)1-4中,斜線以上所示(shi)溫度下(xia)奧(ao)氏體(ti)是(shi)穩(wen)定(ding)的(de)(de);在這(zhe)條線以下(xia),鐵素體(ti)和(he)馬(ma)氏體(ti)都具(ju)有(you)穩(wen)定(ding)的(de)(de)晶體(ti)結構。鎳(nie)(nie)可(ke)提(ti)高(gao)韌性和(he)延展性,使之更易于加工、制造(zao)和(he)焊接,增強抗(kang)(kang)酸的(de)(de)腐蝕能力,保持鈍化膜的(de)(de)能力及在腐蝕介質中的(de)(de)抗(kang)(kang)蝕能力。


圖 4.jpg


  在不銹鋼中(zhong)(zhong)加(jia)入鎳(nie)(nie)(nie)時(shi),耐腐蝕(shi)性(xing)有所改善。鎳(nie)(nie)(nie)較難氧(yang)(yang)(yang)化(hua)(hua),故氧(yang)(yang)(yang)化(hua)(hua)膜中(zhong)(zhong)鎳(nie)(nie)(nie)含(han)量較少(shao);氧(yang)(yang)(yang)化(hua)(hua)膜下富(fu)集了鎳(nie)(nie)(nie),可增加(jia)氧(yang)(yang)(yang)化(hua)(hua)膜的穩定(ding)性(xing),尤其(qi)是在非氧(yang)(yang)(yang)化(hua)(hua)性(xing)的硫(liu)酸(suan)中(zhong)(zhong)更為顯著。將鎳(nie)(nie)(nie)加(jia)入鉻(ge)不銹鋼中(zhong)(zhong)就會提(ti)高其(qi)在硫(liu)酸(suan)、醋酸(suan)、草酸(suan)及中(zhong)(zhong)性(xing)鹽(yan)(特(te)別是硫(liu)酸(suan)鹽(yan))中(zhong)(zhong)的耐腐蝕(shi)性(xing)。


 錳類似于鎳,當(dang)添(tian)加錳(meng)或用錳(meng)替代鎳時(shi),都會(hui)提高不銹鋼(gang)的(de)強(qiang)度(du)。在(zai)鉻不(bu)銹鋼中加(jia)入錳(在(zai)Cr≥17%的情況下),對鋼的耐蝕(shi)性沒有(you)多大(da)的影響。但錳可以大(da)大(da)提高鉻不(bu)銹鋼在(zai)有(you)機酸(suan)(suan)(suan)(如醋酸(suan)(suan)(suan)、甲酸(suan)(suan)(suan)、乙醇酸(suan)(suan)(suan))中的耐腐蝕(shi)性,促(cu)使鉻不(bu)銹鋼達(da)到鈍化狀態,在(zai)這(zhe)方面錳的作用比(bi)鎳的用更(geng)明顯(xian)。


可提高(gao)鈍化(hua)膜的強(qiang)(qiang)度,增強(qiang)(qiang)耐局(ju)部腐(fu)蝕(shi)性,如耐點蝕(shi)、縫(feng)隙(xi)腐(fu)蝕(shi),特別是在(zai)鹵鹽或海水(shui)中有氯(lv)離子(zi)的情況下。鉬(mu)也可提高(gao)對(dui)氯(lv)化(hua)物應力(li)腐(fu)蝕(shi)斷裂的抵抗(kang)能力(li)。利用固(gu)溶強(qiang)(qiang)化(hua)的方(fang)法,鉬(mu)可提高(gao)奧(ao)氏(shi)體不銹鋼的高(gao)溫強(qiang)(qiang)度和馬氏(shi)體不銹鋼的抗(kang)回火(huo)能力(li)。


鉬(mu)能提(ti)高(gao)(gao)不(bu)(bu)銹(xiu)鋼(gang)(gang)的(de)(de)鈍化(hua)(hua)能力,擴大不(bu)(bu)銹(xiu)鋼(gang)(gang)的(de)(de)鈍化(hua)(hua)介質范圍(wei)。如(ru)在(zai)(zai)熱硫(liu)酸(suan)、稀鹽酸(suan)、磷(lin)酸(suan)及有(you)機酸(suan)中,含(han)鉬(mu)的(de)(de)不(bu)(bu)銹(xiu)鋼(gang)(gang)都(dou)有(you)滿意的(de)(de)使用(yong)效果。不(bu)(bu)銹(xiu)鋼(gang)(gang)中加入鉬(mu),可以形成含(han)鉬(mu)的(de)(de)氧(yang)(yang)化(hua)(hua)膜。這種含(han)鉬(mu)的(de)(de)氧(yang)(yang)化(hua)(hua)膜具(ju)有(you)更高(gao)(gao)的(de)(de)穩(wen)定性(xing),在(zai)(zai)許多強腐蝕介質中都(dou)不(bu)(bu)易溶解(jie)。它(ta)還可以防止鹵族(zu)元素離(li)子(zi)(zi)(特別是氯離(li)子(zi)(zi))對氧(yang)(yang)化(hua)(hua)膜的(de)(de)破壞。因為氯離(li)子(zi)(zi)半徑很小(xiao),可以穿透不(bu)(bu)夠致密的(de)(de)氧(yang)(yang)化(hua)(hua)膜,與鋼(gang)(gang)起(qi)作(zuo)用(yong),生(sheng)成可溶的(de)(de)腐蝕產物,在(zai)(zai)局部區域形成點腐蝕。含(han)鉬(mu)的(de)(de)氧(yang)(yang)化(hua)(hua)膜對氯離(li)子(zi)(zi)有(you)足夠的(de)(de)穩(wen)定性(xing)。


 是穩定奧氏體的元素,可提高鋼的強度,在奧氏體及雙相不銹鋼中可增強耐點蝕及縫隙腐蝕的能力,并減少金屬間相(σ)在高溫或焊接時析出的機會。


 金(jin)屬間相是指由鋼中的(de)兩(liang)種(zhong)或兩(liang)種(zhong)以上的(de)金(jin)屬元素構成的(de)金(jin)屬間化(hua)合物,也簡稱(cheng)為(wei)中間相。廣義(yi)地講(jiang),凡以元素周期表中過渡族元素(錳、鐵、鈷和鎳等(deng))為(wei)基體,含有A副族元素(鈦、釩(fan)和鉻等(deng))的(de)合金(jin)系(xi)在適合生(sheng)成的(de)條件下都能形成一系(xi)列金(jin)屬間相。


 鈦、鈮能優先與碳和氮結合形成碳化物和氮化物,改善高溫強度性能并阻止鉻的碳化物的形成,防止晶間腐蝕。鈮還可提高高溫蠕變斷裂強度。


 硅、鋁可改善抗氧化性能,硅還可以改善鑄造特性。


 銅可提高對稀(xi)酸(suan)特別(bie)是(shi)對硫酸(suan)的(de)抗酸(suan)能力(li);加入3%~4%的(de)銅具有低的(de)加工硬(ying)化率,易于成形,析出的(de)銅離子還有滅菌作用。


 硫(liu)、硅(gui)和鉛可改善機械切削性能,但會降低耐腐蝕能力。


 鈰、鐿、鑭可(ke)提高抗氧化性(xing)。