91香蕉视频app

馬氏體不銹鋼 |martensiti stainless steel

馬(ma)(ma)氏(shi)(shi)體不銹(xiu)鋼(gang)是(shi)一類(lei)可通(tong)過熱(re)處(chu)理(淬火回(hui)火)對其性能(neng)進行(xing)調整的(de)(de)不銹(xiu)鋼(gang),通(tong)俗地講是(shi)一類(lei)可硬(ying)化(hua)的(de)(de)不銹(xiu)鋼(gang),此類(lei)鋼(gang)具(ju)(ju)有高的(de)(de)硬(ying)度、良好的(de)(de)力學性能(neng)和不銹(xiu)性,這些特性決定了此類(lei)鋼(gang)必(bi)須具(ju)(ju)備(bei)兩個基(ji)本條件:其一,在(zai)(zai)平衡相(xiang)圖中(zhong)必(bi)須有奧(ao)氏(shi)(shi)體相(xiang)區存(cun)在(zai)(zai);其二,為使鋼(gang)形成(cheng)耐腐(fu)蝕(shi)的(de)(de)鈍(dun)化(hua)膜,鉻含量(liang)必(bi)須在(zai)(zai)10.5%以上。馬(ma)(ma)氏(shi)(shi)體不銹(xiu)鋼(gang)在(zai)(zai)淬火狀態下具(ju)(ju)有體心四方(fang)晶體結構(馬(ma)(ma)氏(shi)(shi)體),具(ju)(ju)有鐵磁性,在(zai)(zai)較弱腐(fu)蝕(shi)環境中(zhong)具(ju)(ju)有耐蝕(shi)性。鋼(gang)中(zhong)的(de)(de)鉻含量(liang)可達18%,碳可以超過1.2%。

產品分類 / 用途

2Cr13、20Cr13、420

  2Cr13、20Cr13、420 不銹鋼(gang)是(shi)91香蕉視頻app:馬氏體不銹鋼,其主要性能類似1Cr13不(bu)銹(xiu)鋼。由于含碳量較高(gao),其強(qiang)度(du)、硬度(du)高(gao)于91香蕉視頻app:1Cr13,而韌(ren)性和耐蝕(shi)性略(lve)低。熱處理后經拋光(guang),在弱腐(fu)蝕(shi)介質(如鹽水溶液、硝酸及某些濃度(du)不(bu)(bu)高的有機酸食(shi)品生(sheng)產(chan)介質)中(zhong)(zhong),溫度(du)不(bu)(bu)高(大約(yue)30℃以下(xia))的條件(jian)下(xia),具有良(liang)好的耐蝕(shi)性。在淡水、海水、蒸汽、潮濕大氣(qi)條件(jian)下(xia)亦(yi)表現出良(liang)好的可(ke)用的耐蝕(shi)性。在硫酸、鹽酸、熱硝酸、熔融堿等介質中(zhong)(zhong)耐蝕(shi)性較差。此外,2Cr13、20Cr13、420 91香蕉視頻app:不銹鋼在700℃以下具(ju)有足夠的(de)(de)強度、熱(re)穩定性和(he)良好的(de)(de)減振性。2Cr13、20Cr13、420 不銹鋼主要用于(yu)制(zhi)造(zao)承受(shou)高應力(li)負荷的(de)(de)零件(jian),如(ru)汽輪機(ji)葉(xie)片(pian)(pian)、熱(re)油泵(beng)軸和(he)軸套、葉(xie)輪、水壓機(ji)閥(fa)片(pian)(pian)等,亦可用于(yu)造(zao)紙工業和(he)醫療器械以及日(ri)用消(xiao)費領域(yu)的(de)(de)刀具(ju)、餐(can)具(ju)等。


一、化學成分


 2Cr13、20Cr13、420 不銹(xiu)鋼的化學成(cheng)分見表(biao)3-19。


表 19.jpg


二、室(shi)溫力學性能


 2Cr13、20Cr13、420 不銹鋼(gang)的(de)室(shi)溫力學性能見(jian)(jian)表3-20。熱(re)處理(li)與室(shi)溫力學性能的(de)關(guan)系見(jian)(jian)圖(tu)3-8至(zhi)圖(tu)3-10。



三、疲勞和(he)斷裂(lie)韌性(xing)


 2Cr13、20Cr13、420 不(bu)銹(xiu)鋼的室(shi)溫旋轉彎曲疲(pi)勞性能見表3-21和(he)圖3-11和(he)圖3-12。


11.jpg


 2Cr13、20Cr13、420 不(bu)銹鋼(1000℃油淬,700℃回(hui)火)的高溫疲勞(lao)和(he)腐蝕疲勞(lao)行為分別見(jian)圖(tu)(tu)3-13和(he)圖(tu)(tu)3-14。2Cr13鋼光滑和(he)缺口試(shi)樣(yang)彎曲(qu)疲勞(lao)極(ji)限見(jian)表3-22。



 2Cr13、20Cr13、420 不銹鋼(gang)的(de)疲勞(lao)裂(lie)紋擴展(zhan)速率和疲勞(lao)裂(lie)紋擴展(zhan)門檻值(zhi)的(de)測室結果見表(biao)3-23和表(biao)3-24。試樣(yang)為11mm×44mm緊(jin)湊拉伸試樣(yang)。


表 23.jpg


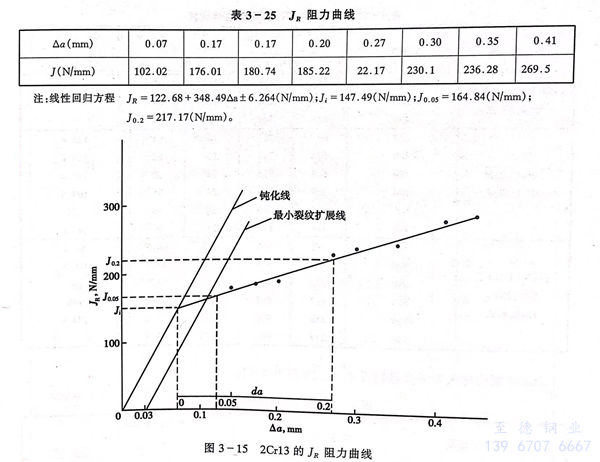
 2Cr13、20Cr13、420 不銹鋼(gang)的JR阻力曲線(xian)的測試(shi)結果見表(biao)3-25和圖3-15,試(shi)樣(yang)為20mm×24mm×96mm三點彎(wan)曲試(shi)樣(yang)。


15.jpg


  不(bu)同(tong)熱處理狀(zhuang)態的2Cr13鋼的斷(duan)裂韌(ren)性和SCC的門檻值見表3-26。


表 26.jpg


四、高溫力(li)學性能(neng)


 2Cr13、20Cr13、420 不(bu)銹(xiu)鋼的高溫瞬時拉伸性(xing)能見表3-27。


表 27.jpg


 2Cr13、20Cr13、420 不(bu)銹鋼的持久(jiu)和蠕變性能見表3-28和表3-29。


表 28.jpg


五(wu)、耐蝕性


 2Cr13、20Cr13、420 不銹鋼(gang)的耐蝕性能見表3-30。鋼(gang)的腐蝕疲勞性能見圖3-16。


表 30.jpg


六、工藝性能


a. 熱加(jia)工 


    不銹鋼的(de)熱加(jia)工(gong)(gong)性能良(liang)好(hao),適宜的(de)熱加(jia)工(gong)(gong)溫(wen)度(du)區間為850~1200℃,熱變形(xing)終了應采用砂(sha)冷或(huo)及時退火(huo),熱加(jia)工(gong)(gong)的(de)升(sheng)溫(wen)操作應緩慢,在低于850℃時應緩慢加(jia)熱,冷裝爐(lu)溫(wen)度(du)≤800℃。


 b. 冷加工 


   冷加工性能良好,可進(jin)行冷軋、冷沖壓(ya)、深拉等加工操作,消除應力退火(huo)可采(cai)用730~780℃回(hui)火(huo)。


  c. 熱處理 


  2Cr13、20Cr13、420 不銹鋼(gang)的熱處(chu)理工藝見表3-31。


表 31.jpg


 d. 焊接 


  2Cr13、20Cr13、420 不(bu)銹(xiu)鋼焊(han)(han)(han)后硬化傾向大,易出現裂紋,若(ruo)用(yong)(yong)Cr202、Cr207焊(han)(han)(han)條(tiao)(tiao)焊(han)(han)(han)接(jie)時,焊(han)(han)(han)前需(xu)經(jing)250~350℃預熱,焊(han)(han)(han)后需(xu)經(jing)700~750℃回(hui)火;若(ruo)用(yong)(yong)奧(ao)107、奧(ao)207焊(han)(han)(han)條(tiao)(tiao)焊(han)(han)(han)接(jie),可(ke)不(bu)進(jin)行焊(han)(han)(han)后熱處理。


七、物理性能


  2Cr13、20Cr13、420 不銹(xiu)鋼(gang)的物理性能(neng)和衰減性能(neng)見表(biao)3-32。


表 32.jpg


八(ba)、應用(yong)


   經熱處理(li)后(hou)的2Cr13、20Cr13、420 不銹鋼,可用(yong)于(yu)承受較高應(ying)力的零部件,如透平(ping)后(hou)幾(ji)級(ji)及低溫段(duan)長葉片、閥、閥件、熱裂設(she)備,緊固件等。亦大量應(ying)用(yong)于(yu)造紙工業刀具(ju),食品加工機械及餐(can)具(ju)。