91香蕉视频app

沉淀硬化不銹鋼 |PH stainless steel

沉(chen)(chen)淀(dian)硬化(hua)不(bu)(bu)銹(xiu)鋼(gang)是(shi)(shi)一類(lei)(lei)(lei)含(han)沉(chen)(chen)淀(dian)硬化(hua)元素(Cu、Al、Ti、Nb)的鐵(tie)鉻鎳合(he)金,可(ke)以通過(guo)熱(re)處理強(qiang)化(hua),此(ci)類(lei)(lei)(lei)鋼(gang)具有高強(qiang)度、足夠的韌性和(he)適宜的耐蝕(shi)性。主要應用于宇航(hang)工(gong)業(ye)和(he)一些高技術產業(ye)。 沉(chen)(chen)淀(dian)硬化(hua)不(bu)(bu)銹(xiu)鋼(gang)可(ke)區分為馬氏(shi)體(ti)(ti)、半(ban)奧氏(shi)體(ti)(ti)和(he)奧氏(shi)體(ti)(ti)沉(chen)(chen)淀(dian)硬化(hua)不(bu)(bu)銹(xiu)鋼(gang)三種(zhong)主要類(lei)(lei)(lei)型,近年來(lai)又出現(xian)了(le)鐵(tie)素體(ti)(ti)沉(chen)(chen)淀(dian)硬化(hua)不(bu)(bu)銹(xiu)鋼(gang)。在馬氏(shi)體(ti)(ti)沉(chen)(chen)淀(dian)不(bu)(bu)銹(xiu)鋼(gang)中,基于馬氏(shi)體(ti)(ti)時(shi)效鋼(gang)的經驗,近年來(lai)出現(xian)了(le)馬氏(shi)體(ti)(ti)時(shi)效不(bu)(bu)銹(xiu)鋼(gang),與前(qian)者(zhe)比較,后(hou)者(zhe)碳(tan)含(han)量較低,其強(qiang)化(hua)手段主要是(shi)(shi)靠(kao)金屬間化(hua)合(he)物(wu)析出,且熱(re)處理簡單。

產品分類 / 用途

0Cr15Ni25MoTiA1VB、A-286

 0Cr15Ni25MoTiA1VB、A-286 不銹鋼是一種采用生成金屬間化合物Ni3(Al、Ti)、Ni3(TiAl)強化的奧氏體沉淀硬化不銹鋼。此鋼主要用于小于705℃的工作環境下,要求具有高強度和優良耐蝕性的部件或設備。0Cr15Ni25MoTiA1VB鋼具有高的缺口強度,超過與之可比的任何商業合金。在溫度低于980℃的抗氧化性能相當于310S不銹(xiu)鋼(gang)。在時效條件下,此鋼的屈服強度水平可達600MPa。



一、化學(xue)成分


0Cr15Ni25MoTiA1VB、A-286 不銹鋼(gang)的化學(xue)成分見表5-115。


115.jpg



二、室(shi)溫(wen)力學(xue)性(xing)能


  標準所規(gui)定的室(shi)溫力學(xue)性能指標見(jian)表5-116。


116.jpg


  不同熱處理(li)狀態的0Cr15Ni25MoTiA1VB、 A-286 不銹鋼的典型室溫(wen)力學性(xing)能(neng)見表5-117。


117.jpg


  淬(cui)火的(de)冷卻速度對經時(shi)效的(de)0Cr15Ni25MoTiA1VB、A-286 不銹(xiu)鋼的(de)室溫力學性能的(de)影響見表5-118。


118.jpg


  鋼的沖(chong)擊性(xing)能和(he)溫度之間的關系(xi)見表(biao)5-119。


119.jpg



三、疲(pi)勞和斷裂韌性


  0Cr15Ni25MoTiA1VB、A-286 不銹鋼的疲勞(lao)裂紋擴展速率(lv)見圖5-32。


120.jpg


  用J- 積分方法獲(huo)得的(de)斷裂韌性(xing)見表(biao) 5-120 



四、高溫力學性能


    Φ22mm棒材(cai),經(jing)980℃×1h油淬后,再經(jing)718℃時效(xiao)16小時后空冷(leng)的(de)0Cr15-Ni25MoTiA1VB的(de)高(gao)(gao)溫瞬時拉(la)伸性能(neng)見(jian)表5-121。薄板的(de)高(gao)(gao)溫拉(la)伸性能(neng)見(jian)圖5-33。淬火冷(leng)卻(que)速度對鋼的(de)高(gao)(gao)溫拉(la)伸性能(neng)的(de)影響見(jian)表5-122。


121.jpg


   0Cr15Ni25MoTiA1VB、A-286 不銹鋼(gang)的高溫缺口強(qiang)度見(jian)圖5-34。


圖 34.jpg


  0Cr15Ni25MoTiA1VB、A-286 不銹鋼的高溫承載(bearing)強(qiang)度(du)以及高溫時效對承載(bearing)強(qiang)度(du)的影響(xiang)見圖5-35和圖5-36。


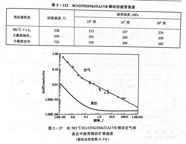
   0Cr15Ni25MoTiA1VB、 A-286 不銹鋼的高溫疲勞性(xing)能(neng)見表 5-123 。裂紋擴展(zhan)速(su)率見圖 5-32 和(he) 圖 5-37 。


123.jpg


  0Cr15Ni25MoTiA1VB、A-286 不銹鋼的(de)持久強度見圖 5-38 。


圖 38.jpg


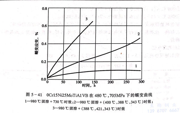
   0Cr15Ni25MoTiA1VB、A-286 不(bu)銹鋼不(bu)銹鋼的(de)蠕變行(xing)為見表 5-124 和 圖 5-39至(zhi)圖 5-41 。


124.jpg

圖 41.jpg


  不(bu)同熱(re)處理狀態的0Cr15Ni25MoTiA1VB、A-286 不(bu)銹鋼的高溫硬度見表(biao) 5-125 和 表(biao) 5-126 。


125.jpg



五、耐蝕性(xing)


  0Cr15Ni25MoTiA1VB、 A-286 不銹鋼鋼的耐蝕性優于0Cr15Ni17Mo2A1,在還原性酸性介質中接近于316不(bu)銹鋼(gang)。在航空發動機的服役環境,在直到704℃的條件均具有優異的耐蝕性。其抗氧性能相當于310S不銹鋼。




六、工藝性(xing)能


  a. 熱加(jia)工


   鋼的熱加工溫度范圍為927~1121℃,最佳熱變形溫度為1038~1120℃,其變形抗力稍大于18-8型奧氏體不銹鋼


  b. 冷(leng)加(jia)工


   在固溶處理(li)狀態下,0Cr15Ni25MoTiA1VB、A-286 不銹(xiu)(xiu)鋼可以(yi)進(jin)行滿意的冷加(jia)工和(he)冷成形,但較(jiao)316不銹(xiu)(xiu)鋼 和(he)310S不銹(xiu)(xiu)鋼硬,加(jia)工硬化速度亦(yi)較(jiao)快。


  c. 熱處理


  此鋼可(ke)采用兩種(zhong)固溶處理(li)制度(du),時(shi)(shi)效(xiao)處理(li)溫度(du)為704~730℃時(shi)(shi)效(xiao)時(shi)(shi)間為12~18h。


   ①. 900℃×(1-2)h,水冷(leng)或油冷(leng)+730℃×16h,空(kong)冷(leng)。


   ②. 980℃×(1-2)h,水冷(leng)或油冷(leng)+730℃×16h,空冷(leng)。


  前者(zhe)熱處理狀態可獲(huo)(huo)得最好的(de)強度,后者(zhe)可獲(huo)(huo)得最好的(de)塑韌性和較高的(de)硬度。


 d. 焊接


  此(ci)鋼易于(yu)進行手工電弧(hu)和惰性氣體保護電弧(hu)焊,推薦在固(gu)溶處理條件下(xia)進行焊接操作。



七、物理性能(neng)


 0Cr15Ni25MoTiA1VB、A-286 不銹(xiu)鋼的物理性能見表5-127,表5-128和(he)圖5-42、圖5-43。



八、應用


 0Cr15Ni25MoTiA1VB、A-286 不(bu)銹鋼(gang)注意應用于宇航工(gong)業高(gao)溫耐蝕部件(jian),如發動機(ji)轉輪(lun)、葉(xie)片、骨架、加(jia)力(li)燃燒(shao)室部件(jian)和螺栓等。